LEMON Manuals: Even more car manuals for everyone: 1960-2025
Home >> Toyota >> 2010 >> Prius Base >> Repair and Diagnosis (Single Page) >> Engine Mechanical >> Starter >> Smart Key System (Start Function) (Diagnostic Codes & Circuit Tests) (Except PHV) >> SMART KEY SYSTEM (for Start Function) >> Circuit Test >> Power Source Mode does not Change to ON (READY) >> Wiring Diagram
April 5, 2026: LEMON Manuals is launched! Read the announcement.

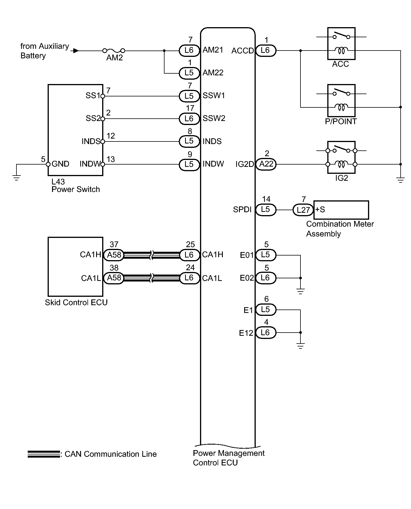
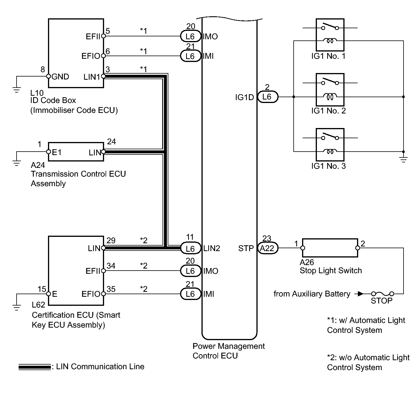
Power Source Mode does not Change to ON (READY): Wiring Diagram

Fig 1: View Of Power Management Control ECU (1 Of 2)
GTY225066Courtesy of © TOYOTA, LICENSE AGREEMENT TMS1002
Fig 2: View Of Power Management Control ECU (2 Of 2)
GTY230279Courtesy of © TOYOTA, LICENSE AGREEMENT TMS1002