LEMON Manuals: Even more car manuals for everyone: 1960-2025
Home >> Toyota >> 2011 >> Avalon Base >> Repair and Diagnosis >> Electrical >> Body Electrical >> OEM System Circuits >> Rear Sunshade >> Notes
April 5, 2026: LEMON Manuals is launched! Read the announcement.

Rear Sunshade: Notes

Fig 1: Rear Sunshade System Wiring Diagram (1 Of 3)
G07112072Courtesy of © TOYOTA, LICENSE AGREEMENT TMS1002
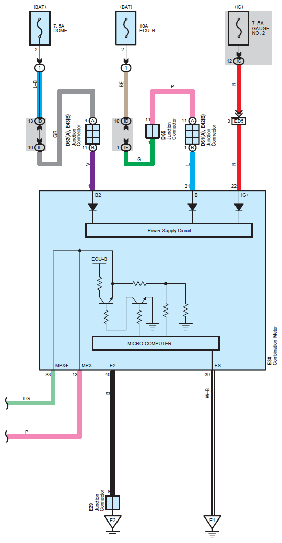
Fig 2: Rear Sunshade System Wiring Diagram (2 Of 3)
G07112073Courtesy of © TOYOTA, LICENSE AGREEMENT TMS1002
Fig 3: Rear Sunshade System Wiring Diagram (3 Of 3)
G07112074Courtesy of © TOYOTA, LICENSE AGREEMENT TMS1002