LEMON Manuals: Even more car manuals for everyone: 1960-2025
Home >> Toyota >> 2011 >> Prius >> Repair and Diagnosis >> Electrical >> Body Electrical >> OEM System Circuits >> SRS >> Notes
April 5, 2026: LEMON Manuals is launched! Read the announcement.

OEM System Circuits: SRS: Notes

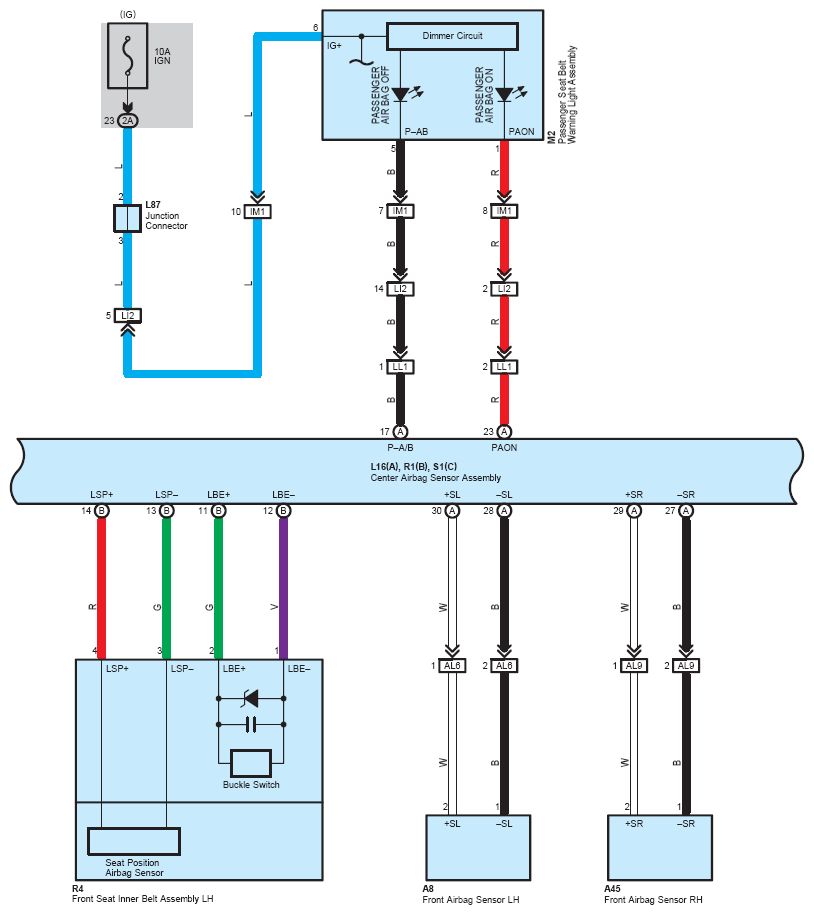
Fig 1: SRS System Wiring Diagram (1 Of 7)
G07116867Courtesy of © TOYOTA, LICENSE AGREEMENT TMS1002
Fig 2: SRS System Wiring Diagram (2 Of 7)
G07116868Courtesy of © TOYOTA, LICENSE AGREEMENT TMS1002
Fig 3: SRS System Wiring Diagram (3 Of 7)
G07116869Courtesy of © TOYOTA, LICENSE AGREEMENT TMS1002
Fig 4: SRS System Wiring Diagram (4 Of 7)
G07116870Courtesy of © TOYOTA, LICENSE AGREEMENT TMS1002
Fig 5: SRS System Wiring Diagram (5 Of 7)
G07116871Courtesy of © TOYOTA, LICENSE AGREEMENT TMS1002
Fig 6: SRS System Wiring Diagram (6 Of 7)
G07116872Courtesy of © TOYOTA, LICENSE AGREEMENT TMS1002
Fig 7: SRS System Wiring Diagram (7 Of 7)
G07116873Courtesy of © TOYOTA, LICENSE AGREEMENT TMS1002