LEMON Manuals: Even more car manuals for everyone: 1960-2025
Home >> Toyota >> 2011 >> RAV4 Base, 2.5 F, AWD >> Repair and Diagnosis >> Electrical >> Body Electrical >> OEM System Circuits >> Smart Key System >> Notes
April 5, 2026: LEMON Manuals is launched! Read the announcement.

Smart Key System: Notes

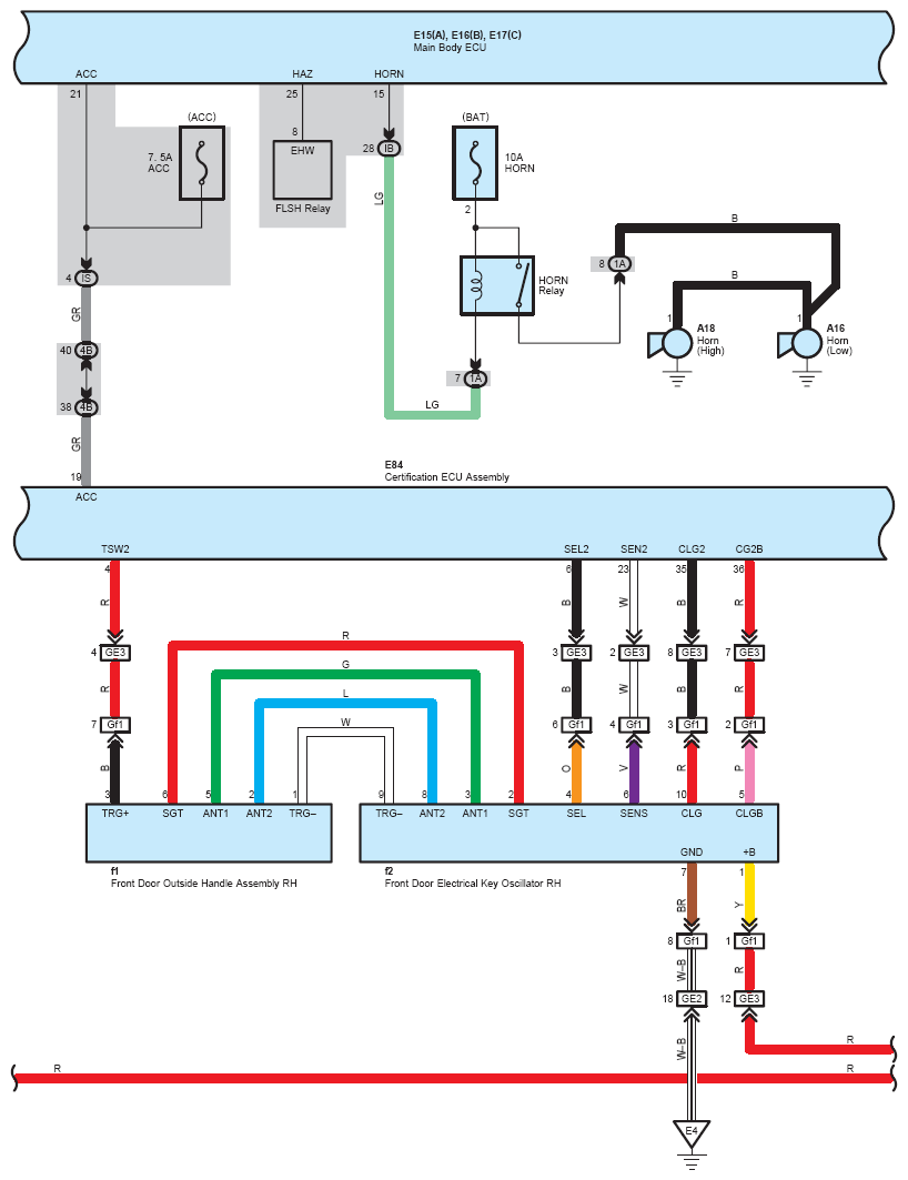
Fig 1: Smart Key System Wiring Diagram (1 Of 16)
G07130472Courtesy of © TOYOTA, LICENSE AGREEMENT TMS1002
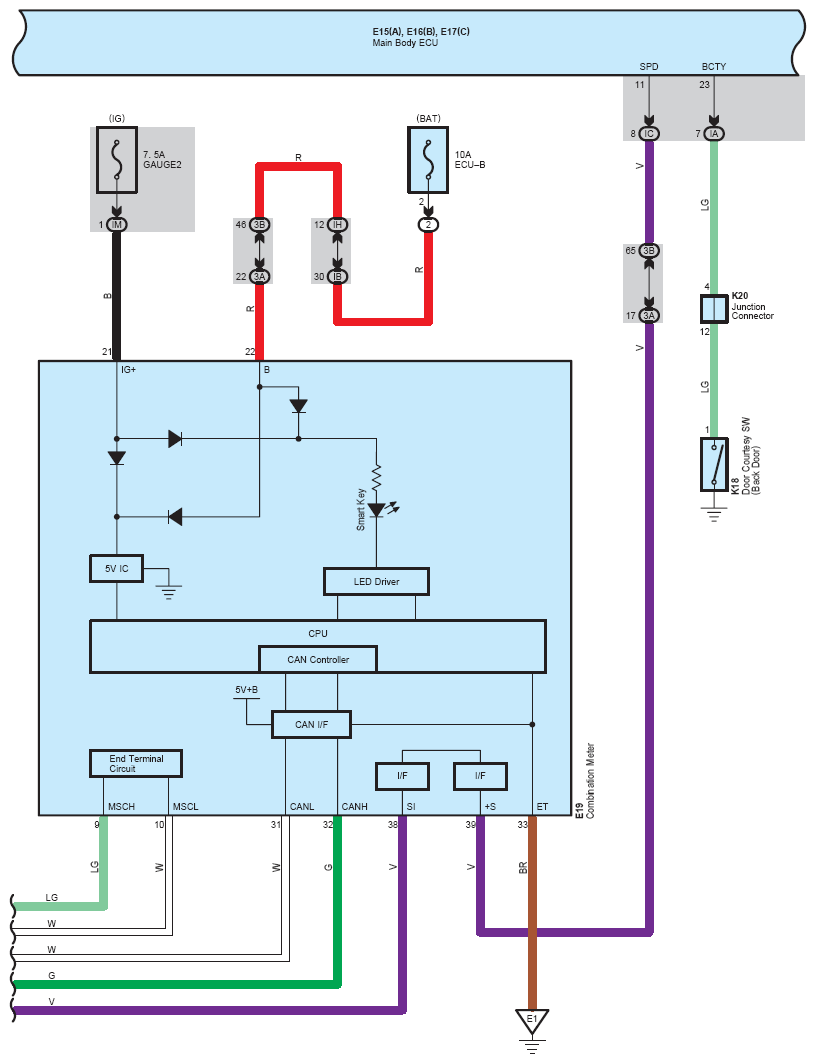
Fig 2: Smart Key System Wiring Diagram (2 Of 16)
G07130473Courtesy of © TOYOTA, LICENSE AGREEMENT TMS1002
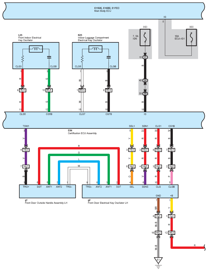
Fig 3: Smart Key System Wiring Diagram (3 Of 16)
G07130474Courtesy of © TOYOTA, LICENSE AGREEMENT TMS1002
Fig 4: Smart Key System Wiring Diagram (4 Of 16)
G07130475Courtesy of © TOYOTA, LICENSE AGREEMENT TMS1002
Fig 5: Smart Key System Wiring Diagram (5 Of 16)
G07130476Courtesy of © TOYOTA, LICENSE AGREEMENT TMS1002
Fig 6: Smart Key System Wiring Diagram (6 Of 16)
G07130477Courtesy of © TOYOTA, LICENSE AGREEMENT TMS1002
Fig 7: Smart Key System Wiring Diagram (7 Of 16)
G07130478Courtesy of © TOYOTA, LICENSE AGREEMENT TMS1002
Fig 8: Smart Key System Wiring Diagram (8 Of 16)
G07130479Courtesy of © TOYOTA, LICENSE AGREEMENT TMS1002
Fig 9: Smart Key System Wiring Diagram (9 Of 16)
G07130480Courtesy of © TOYOTA, LICENSE AGREEMENT TMS1002
Fig 10: Smart Key System Wiring Diagram (10 Of 16)
G07130481Courtesy of © TOYOTA, LICENSE AGREEMENT TMS1002
Fig 11: Smart Key System Wiring Diagram (11 Of 16)
G07130482Courtesy of © TOYOTA, LICENSE AGREEMENT TMS1002
Fig 12: Smart Key System Wiring Diagram (12 Of 16)
G07130483Courtesy of © TOYOTA, LICENSE AGREEMENT TMS1002
Fig 13: Smart Key System Wiring Diagram (13 Of 16)
G07130484Courtesy of © TOYOTA, LICENSE AGREEMENT TMS1002
Fig 14: Smart Key System Wiring Diagram (14 Of 16)
G07130485Courtesy of © TOYOTA, LICENSE AGREEMENT TMS1002
Fig 15: Smart Key System Wiring Diagram (15 Of 16)
G07130486Courtesy of © TOYOTA, LICENSE AGREEMENT TMS1002
Fig 16: Smart Key System Wiring Diagram (16 Of 16)
G07130487Courtesy of © TOYOTA, LICENSE AGREEMENT TMS1002