LEMON Manuals: Even more car manuals for everyone: 1960-2025
Home >> Toyota >> 2012 >> Camry LE >> Repair and Diagnosis (Single Page) >> Electrical >> Motors, Switches, Relays >> OEM System Circuits (Except Hybrid) >> Engine Immobilizer System (w/Smart Key System), Remote Engine Starter System, Smart Key System, Starting (w/Smart Key System), Steering Lock (w/Smart Key System) and Wireless Door Lock Control (w/Smart Key System) >> Notes
April 5, 2026: LEMON Manuals is launched! Read the announcement.

Engine Immobilizer System (w/Smart Key System), Remote Engine Starter System, Smart Key System, Starting (w/Smart Key System), Steering Lock (w/Smart Key System) and Wireless Door Lock Control (w/Smart Key System): Notes

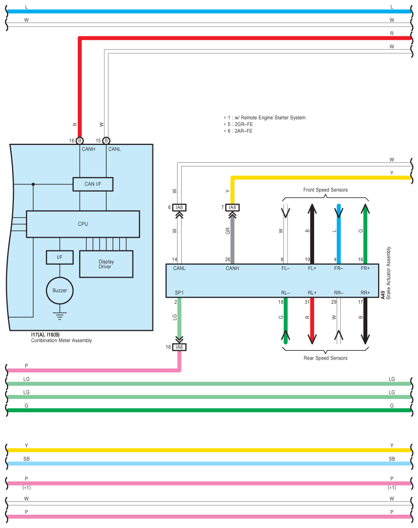
Fig 1: Engine Immobilizer, Remote Engine Starter, Smart Key, Starting, Steering Lock And Wireless Door Lock Control (w/ Smart Key) System Wiring Diagram (1 Of 20)
G08798054Courtesy of © TOYOTA, LICENSE AGREEMENT TMS1002
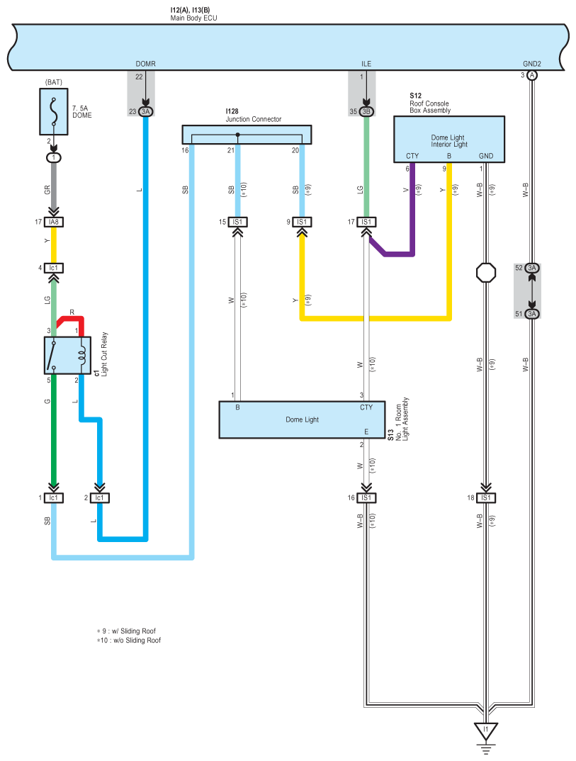
Fig 2: Engine Immobilizer, Remote Engine Starter, Smart Key, Starting, Steering Lock And Wireless Door Lock Control (w/ Smart Key) System Wiring Diagram (2 Of 20)
G08798055Courtesy of © TOYOTA, LICENSE AGREEMENT TMS1002
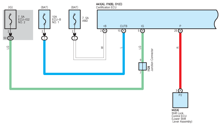
Fig 3: Engine Immobilizer, Remote Engine Starter, Smart Key, Starting, Steering Lock And Wireless Door Lock Control (w/ Smart Key) System Wiring Diagram (3 Of 20)
G08798056Courtesy of © TOYOTA, LICENSE AGREEMENT TMS1002
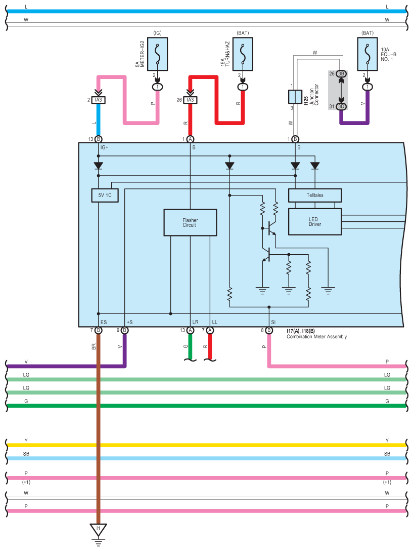
Fig 4: Engine Immobilizer, Remote Engine Starter, Smart Key, Starting, Steering Lock And Wireless Door Lock Control (w/ Smart Key) System Wiring Diagram (4 Of 20)
G08798057Courtesy of © TOYOTA, LICENSE AGREEMENT TMS1002
Fig 5: Engine Immobilizer, Remote Engine Starter, Smart Key, Starting, Steering Lock And Wireless Door Lock Control (w/ Smart Key) System Wiring Diagram (5 Of 20)
G08798058Courtesy of © TOYOTA, LICENSE AGREEMENT TMS1002
Fig 6: Engine Immobilizer, Remote Engine Starter, Smart Key, Starting, Steering Lock And Wireless Door Lock Control (w/ Smart Key) System Wiring Diagram (6 Of 20)
G08798059Courtesy of © TOYOTA, LICENSE AGREEMENT TMS1002
Fig 7: Engine Immobilizer, Remote Engine Starter, Smart Key, Starting, Steering Lock And Wireless Door Lock Control (w/ Smart Key) System Wiring Diagram (7 Of 20)
G08798060Courtesy of © TOYOTA, LICENSE AGREEMENT TMS1002
Fig 8: Engine Immobilizer, Remote Engine Starter, Smart Key, Starting, Steering Lock And Wireless Door Lock Control (w/ Smart Key) System Wiring Diagram (8 Of 20)
G08798061Courtesy of © TOYOTA, LICENSE AGREEMENT TMS1002
Fig 9: Engine Immobilizer, Remote Engine Starter, Smart Key, Starting, Steering Lock And Wireless Door Lock Control (w/ Smart Key) System Wiring Diagram (9 Of 20)
G08798062Courtesy of © TOYOTA, LICENSE AGREEMENT TMS1002
Fig 10: Engine Immobilizer, Remote Engine Starter, Smart Key, Starting, Steering Lock And Wireless Door Lock Control (w/ Smart Key) System Wiring Diagram (10 Of 20)
G08798063Courtesy of © TOYOTA, LICENSE AGREEMENT TMS1002
Fig 11: Engine Immobilizer, Remote Engine Starter, Smart Key, Starting, Steering Lock And Wireless Door Lock Control (w/ Smart Key) System Wiring Diagram (11 Of 20)
G08798064Courtesy of © TOYOTA, LICENSE AGREEMENT TMS1002
Fig 12: Engine Immobilizer, Remote Engine Starter, Smart Key, Starting, Steering Lock And Wireless Door Lock Control (w/ Smart Key) System Wiring Diagram (12 Of 20)
G08798065Courtesy of © TOYOTA, LICENSE AGREEMENT TMS1002
Fig 13: Engine Immobilizer, Remote Engine Starter, Smart Key, Starting, Steering Lock And Wireless Door Lock Control (w/ Smart Key) System Wiring Diagram (13 Of 20)
G08798066Courtesy of © TOYOTA, LICENSE AGREEMENT TMS1002
Fig 14: Engine Immobilizer, Remote Engine Starter, Smart Key, Starting, Steering Lock And Wireless Door Lock Control (w/ Smart Key) System Wiring Diagram (14 Of 20)
G08798067Courtesy of © TOYOTA, LICENSE AGREEMENT TMS1002
Fig 15: Engine Immobilizer, Remote Engine Starter, Smart Key, Starting, Steering Lock And Wireless Door Lock Control (w/ Smart Key) System Wiring Diagram (15 Of 20)
G08798068Courtesy of © TOYOTA, LICENSE AGREEMENT TMS1002
Fig 16: Engine Immobilizer, Remote Engine Starter, Smart Key, Starting, Steering Lock And Wireless Door Lock Control (w/ Smart Key) System Wiring Diagram (16 Of 20)
G08798069Courtesy of © TOYOTA, LICENSE AGREEMENT TMS1002
Fig 17: Engine Immobilizer, Remote Engine Starter, Smart Key, Starting, Steering Lock And Wireless Door Lock Control (w/ Smart Key) System Wiring Diagram (17 Of 20)
G08798070Courtesy of © TOYOTA, LICENSE AGREEMENT TMS1002
Fig 18: Engine Immobilizer, Remote Engine Starter, Smart Key, Starting, Steering Lock And Wireless Door Lock Control (w/ Smart Key) System Wiring Diagram (18 Of 20)
G08798071Courtesy of © TOYOTA, LICENSE AGREEMENT TMS1002
Fig 19: Engine Immobilizer, Remote Engine Starter, Smart Key, Starting, Steering Lock And Wireless Door Lock Control (w/ Smart Key) System Wiring Diagram (19 Of 20)
G08798072Courtesy of © TOYOTA, LICENSE AGREEMENT TMS1002
Fig 20: Engine Immobilizer, Remote Engine Starter, Smart Key, Starting, Steering Lock And Wireless Door Lock Control (w/ Smart Key) System Wiring Diagram (20 Of 20)
G08798073Courtesy of © TOYOTA, LICENSE AGREEMENT TMS1002