LEMON Manuals: Even more car manuals for everyone: 1960-2025
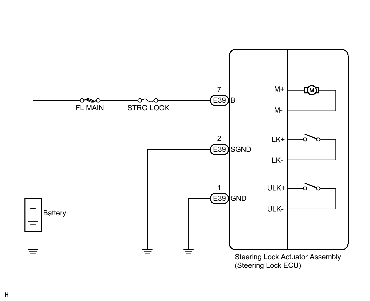
Home >> Toyota >> 2012 >> Corolla Base, Standard Trans >> Repair and Diagnosis (Single Page) >> Steering >> Steering Column >> Steering Lock System (Diagnostic Codes & Circuit Tests) >> Steering Lock System >> Circuit Tests >> Power Source Circuit >> Wiring Diagram
April 5, 2026: LEMON Manuals is launched! Read the announcement.

Power Source Circuit: Wiring Diagram

Fig 1: Steering Lock Actuator Assembly Power Source -- Wiring Diagram
GTY201030Courtesy of © TOYOTA, LICENSE AGREEMENT TMS1002