LEMON Manuals: Even more car manuals for everyone: 1960-2025
Home >> Toyota >> 2012 >> Matrix S, FWD, Automatic Trans >> Repair and Diagnosis (Single Page) >> Brakes >> Anti-Lock Brakes >> Vehicle Stability Control System (2AZ-FE) (Diagnostic Codes & Symptom Tests) >> VEHICLE STABILITY CONTROL SYSTEM (for 2AZ-FE) >> DTC U0073/94: Control Module Communication Bus OFF; DTC U0100/65: Lost Communication with ECM / PCM; DTC U0123/62: Lost Communication with Yaw Rate Sensor Module; DTC U0124/95: Lost Communication with Lateral Acceleration Sensor Module; DTC U0126/63: Lost Communication with Steering Angle Sensor Module >> Wiring Diagram
April 5, 2026: LEMON Manuals is launched! Read the announcement.

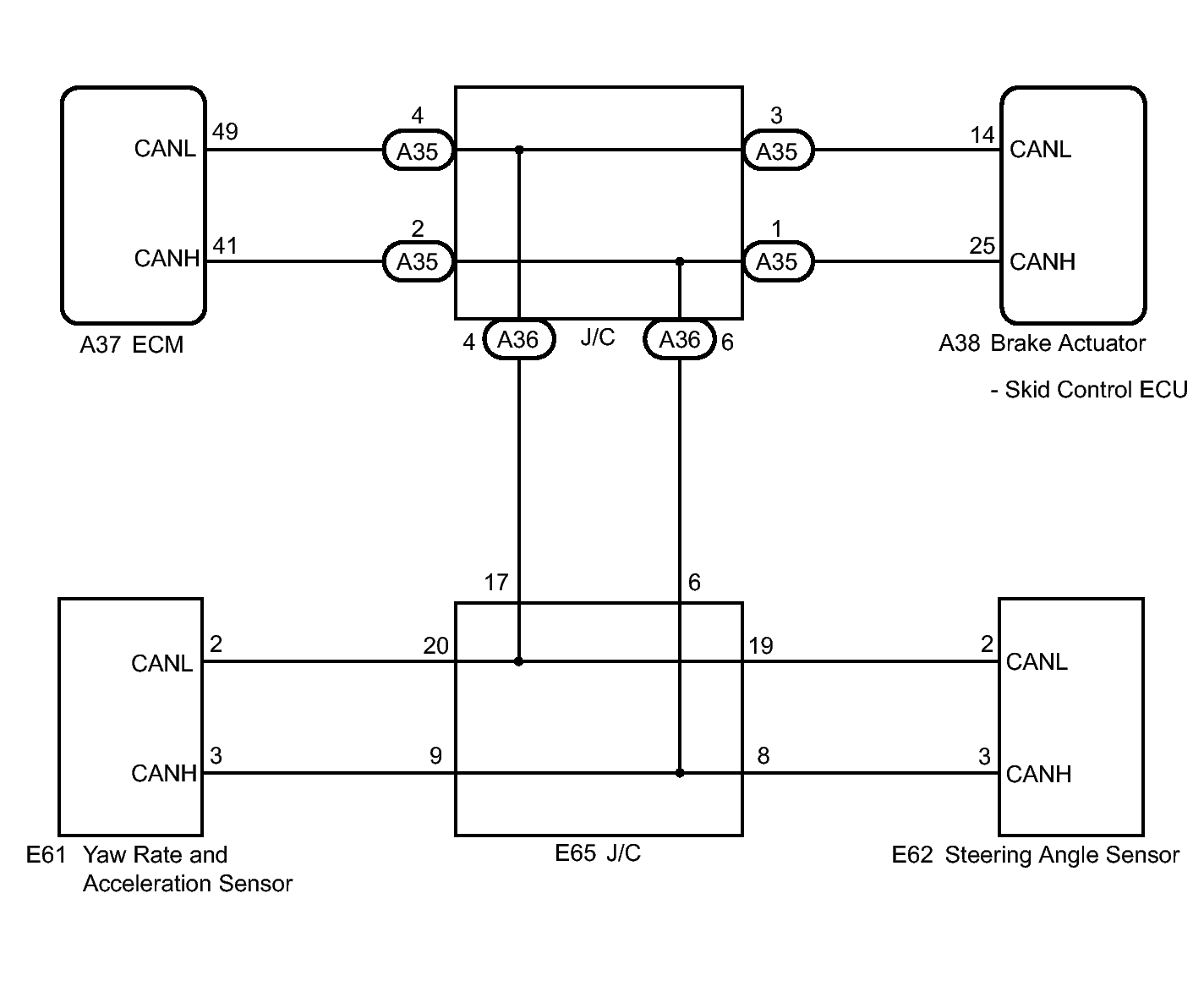
DTC U0073/94: Control Module Communication Bus OFF; DTC U0100/65: Lost Communication with ECM / PCM; DTC U0123/62: Lost Communication with Yaw Rate Sensor Module; DTC U0124/95: Lost Communication with Lateral Acceleration Sensor Module; DTC U0126/63: Lost Communication with Steering Angle Sensor Module: Wiring Diagram

Fig 1: Identifying CAN Communication Line Circuit Diagram
GTY293289Courtesy of © TOYOTA, LICENSE AGREEMENT TMS1002