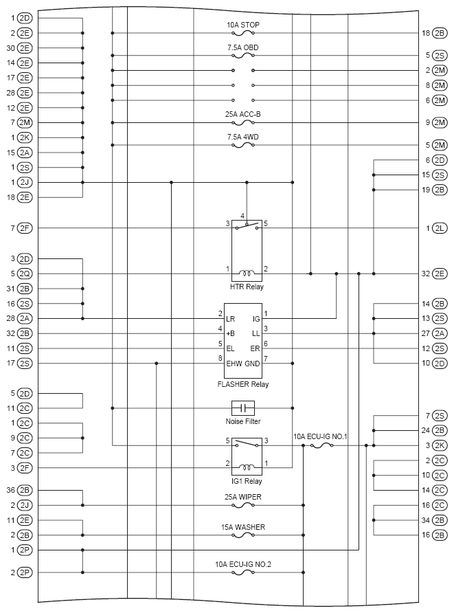
Driver Side Junction Block Assembly Inner Circuit
Driver Side J/B Inner Circuit Relay Identification
| RELAY DESCRIPTION |
|---|
| T-LP Relay |
| PWR Relay |
| DEF Relay |
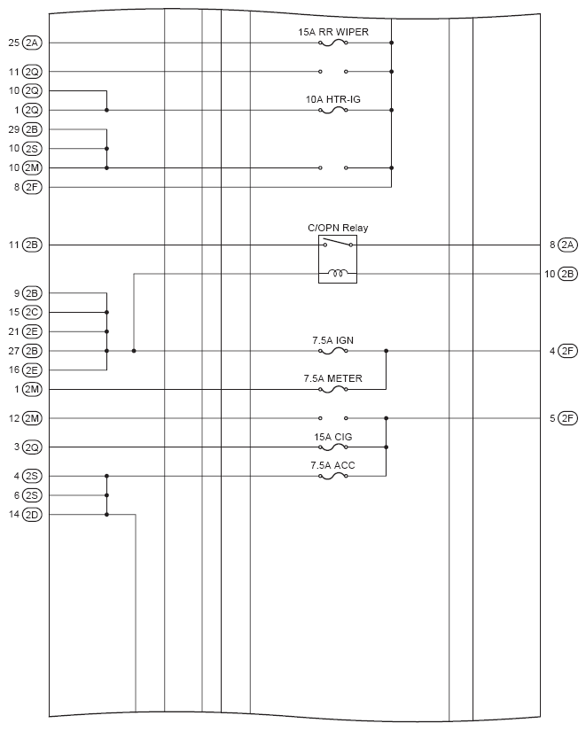
Driver Side J/B Inner Circuit Relay Identification
| RELAY DESCRIPTION |
|---|
| C/OPN Relay |
| RELAY DESCRIPTION |
|---|
| T-LP Relay |
| PWR Relay |
| DEF Relay |
| RELAY DESCRIPTION |
|---|
| C/OPN Relay |