LEMON Manuals: Even more car manuals for everyone: 1960-2025
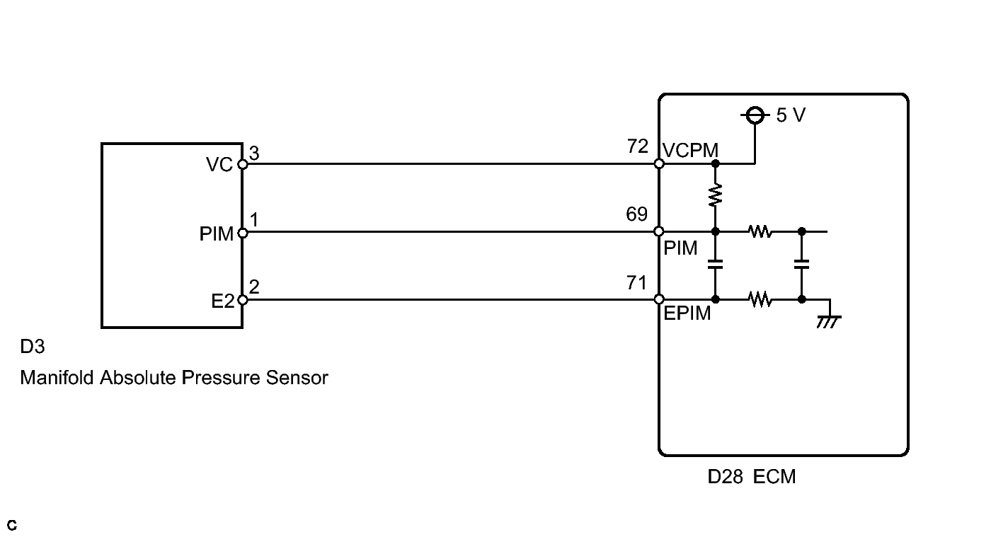
Home >> Toyota >> 2012 >> Prius Four >> Repair and Diagnosis (Single Page) >> Engine Performance >> System >> Engine Control System (Except Plug-In) (Diagnostic Codes (P0010-P043F)) >> SFI System >> DTC P0107: Manifold Absolute Pressure / Barometric Pressure Circuit Low Input; DTC P0108: Manifold Absolute Pressure / Barometric Pressure Circuit High Input >> Wiring Diagram
April 5, 2026: LEMON Manuals is launched! Read the announcement.

DTC P0107: Manifold Absolute Pressure / Barometric Pressure Circuit Low Input; DTC P0108: Manifold Absolute Pressure / Barometric Pressure Circuit High Input: Wiring Diagram

Fig 1: Manifold Absolute Pressure Sensor To ECM Wiring Diagram
GTY219110Courtesy of © TOYOTA, LICENSE AGREEMENT TMS1002