LEMON Manuals: Even more car manuals for everyone: 1960-2025
Home >> Toyota >> 2012 >> Prius Plug-in >> Repair and Diagnosis >> Engine Performance >> Ignition System >> Smart Key System (Keyless Start) (Plug-In) (Diagnostic Codes & Symptom Tests) >> SMART KEY SYSTEM (for Start Function) >> Symptom Tests >> Power Source Mode does not Change to ON (READY) >> Wiring Diagram
April 5, 2026: LEMON Manuals is launched! Read the announcement.

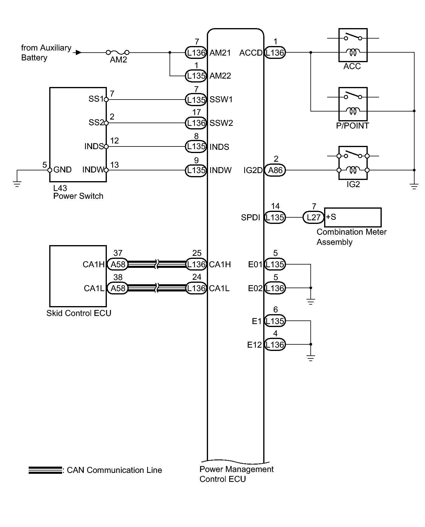
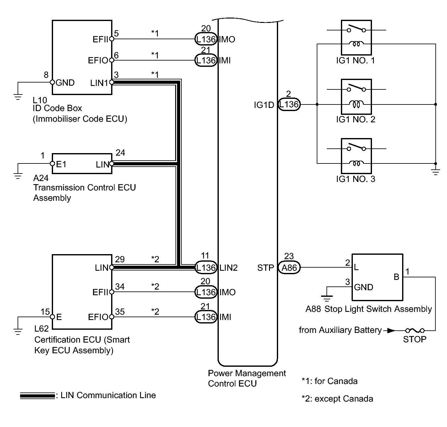
Power Source Mode does not Change to ON (READY): Wiring Diagram

Fig 1: Identifying Power Management Control ECU Power Source Circuit Diagram (1 Of 2)
GTY340962Courtesy of © TOYOTA, LICENSE AGREEMENT TMS1002
Fig 2: Identifying Power Management Control ECU Power Source Circuit Diagram (2 Of 2)
GTY336577Courtesy of © TOYOTA, LICENSE AGREEMENT TMS1002