LEMON Manuals: Even more car manuals for everyone: 1960-2025
Home >> Toyota >> 2012 >> RAV4 EV >> Repair and Diagnosis >> Electrical >> Body Electrical >> OEM System Circuits >> Engine Immobilizer System (w/o Smart Key System) >> Notes
April 5, 2026: LEMON Manuals is launched! Read the announcement.

Engine Immobilizer System (w/o Smart Key System): Notes

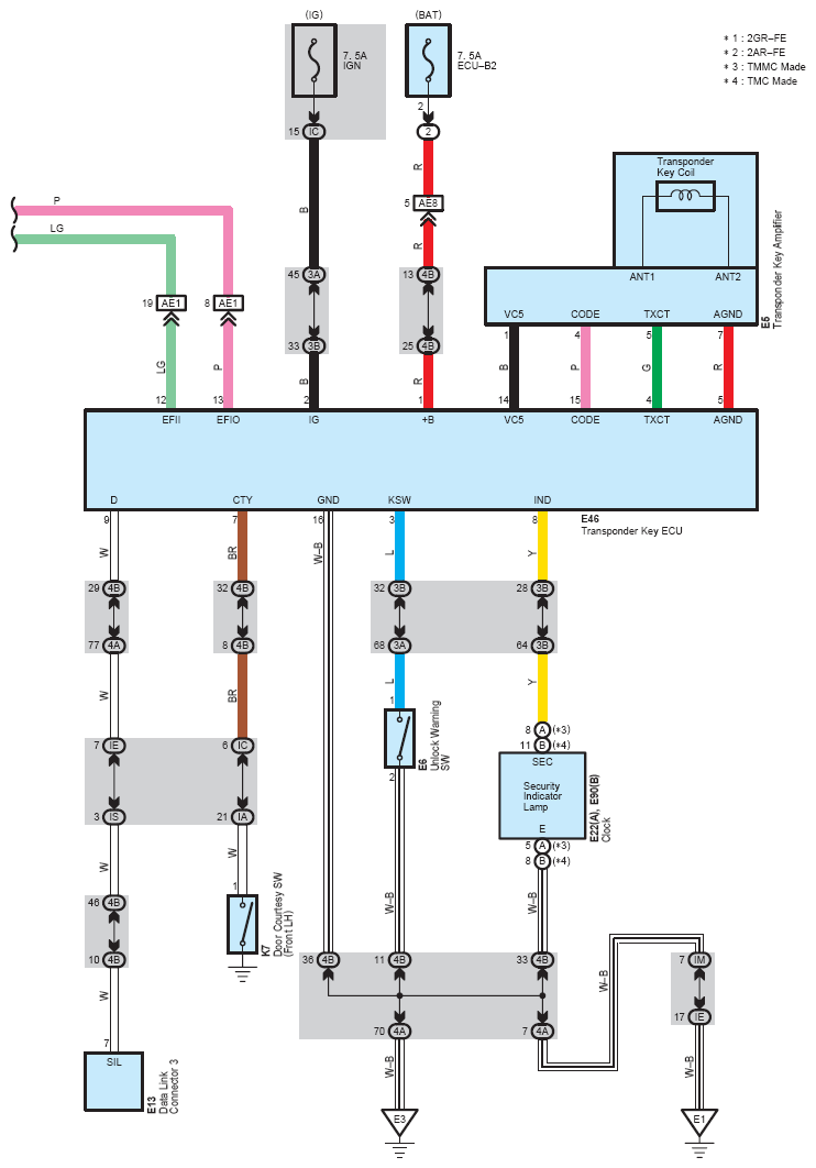
Fig 1: Engine Immobilizer (W/O Smart Key) System Wiring Diagram (1 Of 2)
G08845223Courtesy of © TOYOTA, LICENSE AGREEMENT TMS1002
Fig 2: Engine Immobilizer (W/O Smart Key) System Wiring Diagram (2 Of 2)
G08845224Courtesy of © TOYOTA, LICENSE AGREEMENT TMS1002