LEMON Manuals: Even more car manuals for everyone: 1960-2025
Home >> Toyota >> 2012 >> Yaris Base, Automatic Trans >> Repair and Diagnosis >> Electrical >> Body Electrical >> OEM System Circuits >> Cruise Control (S/D) >> Notes
April 5, 2026: LEMON Manuals is launched! Read the announcement.

Cruise Control (S/D): Notes

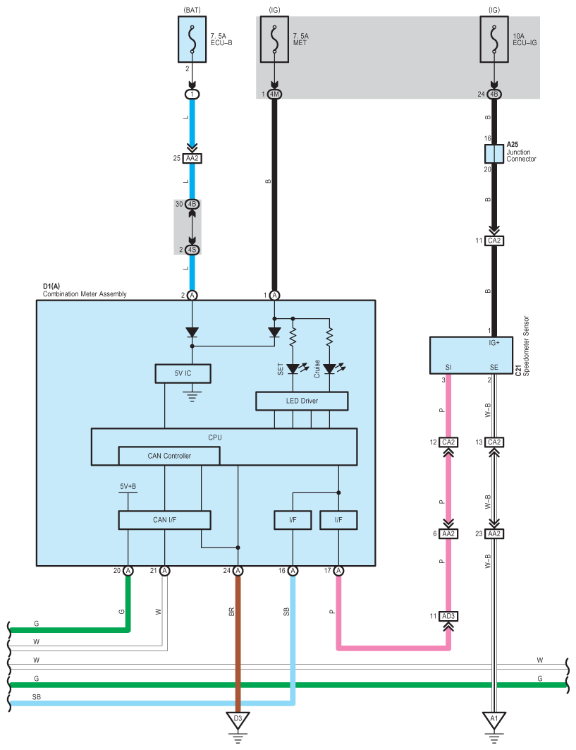
Fig 1: Cruise Control (S/D) - Circuit Diagram (1 Of 6)
G08949391Courtesy of © TOYOTA, LICENSE AGREEMENT TMS1002
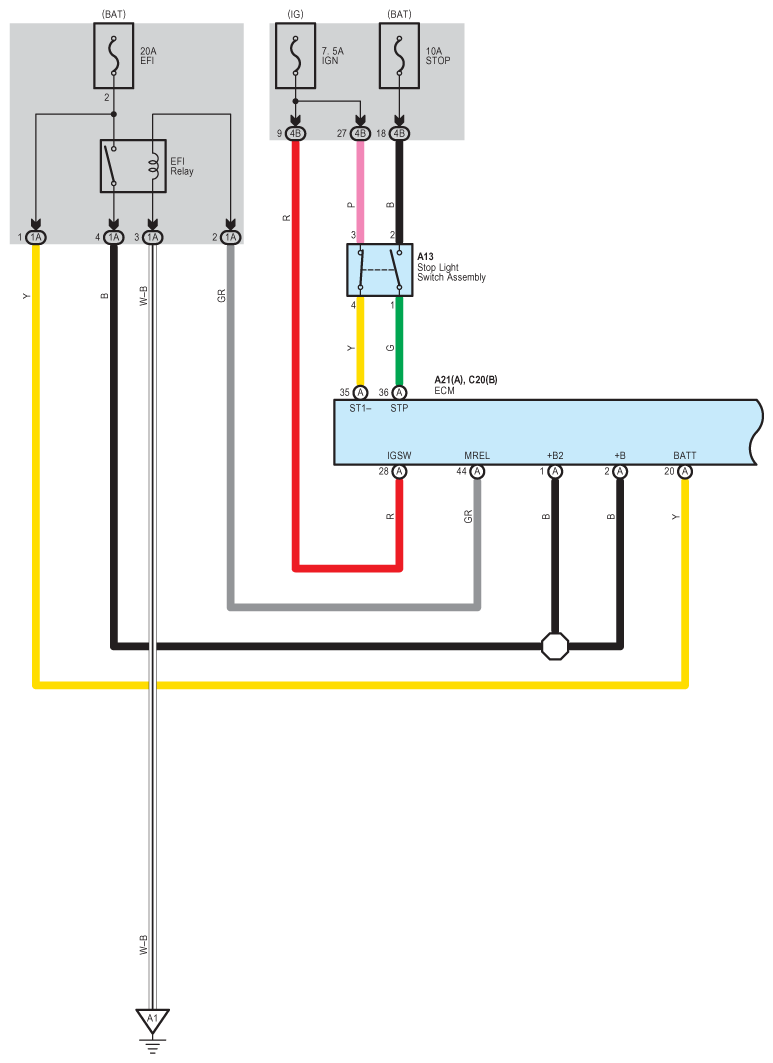
Fig 2: Cruise Control (S/D) - Circuit Diagram (2 Of 6)
G08949392Courtesy of © TOYOTA, LICENSE AGREEMENT TMS1002
Fig 3: Cruise Control (S/D) - Circuit Diagram (3 Of 6)
G08949393Courtesy of © TOYOTA, LICENSE AGREEMENT TMS1002
Fig 4: Cruise Control (S/D) - Circuit Diagram (4 Of 6)
G08949394Courtesy of © TOYOTA, LICENSE AGREEMENT TMS1002
Fig 5: Cruise Control (S/D) - Circuit Diagram (5 Of 6)
G08949395Courtesy of © TOYOTA, LICENSE AGREEMENT TMS1002
Fig 6: Cruise Control (S/D) - Circuit Diagram (6 Of 6)
G08949396Courtesy of © TOYOTA, LICENSE AGREEMENT TMS1002