LEMON Manuals: Even more car manuals for everyone: 1960-2025
Home >> Toyota >> 2012 >> Yaris Base, Automatic Trans >> Repair and Diagnosis >> Electrical >> Body Electrical >> OEM System Circuits >> Remote Control Mirror (S/D) >> Notes
April 5, 2026: LEMON Manuals is launched! Read the announcement.

Remote Control Mirror (S/D): Notes

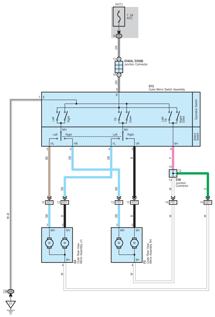
Fig 1: Remote Control Mirror (S/D) - Circuit Diagram
G08949469Courtesy of © TOYOTA, LICENSE AGREEMENT TMS1002