LEMON Manuals: Even more car manuals for everyone: 1960-2025
Home >> Toyota >> 2013 >> Prius Two >> Repair and Diagnosis >> Electrical >> Body Electrical >> OEM System Circuits (Except Plug-In) >> Pre-Collision System >> Notes
April 5, 2026: LEMON Manuals is launched! Read the announcement.

Pre-Collision System: Notes

Fig 1: Pre-Collision System Wiring Diagram (1 Of 9)
G09099460Courtesy of © TOYOTA, LICENSE AGREEMENT TMS1002
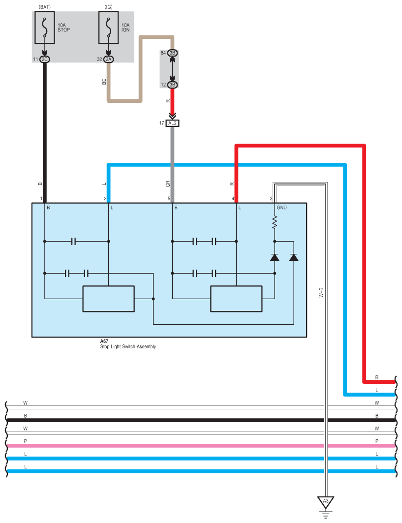
Fig 2: Pre-Collision System Wiring Diagram (2 Of 9)
G09099461Courtesy of © TOYOTA, LICENSE AGREEMENT TMS1002
Fig 3: Pre-Collision System Wiring Diagram (3 Of 9)
G09099462Courtesy of © TOYOTA, LICENSE AGREEMENT TMS1002
Fig 4: Pre-Collision System Wiring Diagram (4 Of 9)
G09099463Courtesy of © TOYOTA, LICENSE AGREEMENT TMS1002
Fig 5: Pre-Collision System Wiring Diagram (5 Of 9)
G09099464Courtesy of © TOYOTA, LICENSE AGREEMENT TMS1002
Fig 6: Pre-Collision System Wiring Diagram (6 Of 9)
G09099465Courtesy of © TOYOTA, LICENSE AGREEMENT TMS1002
Fig 7: Pre-Collision System Wiring Diagram (7 Of 9)
G09099466Courtesy of © TOYOTA, LICENSE AGREEMENT TMS1002
Fig 8: Pre-Collision System Wiring Diagram (8 Of 9)
G09099467Courtesy of © TOYOTA, LICENSE AGREEMENT TMS1002
Fig 9: Pre-Collision System Wiring Diagram (9 Of 9)
G09099468Courtesy of © TOYOTA, LICENSE AGREEMENT TMS1002