LEMON Manuals: Even more car manuals for everyone: 1960-2025
Home >> Toyota >> 2013 >> Prius Two >> Repair and Diagnosis >> Electrical >> Body Electrical >> OEM System Circuits (Except Plug-In) >> Remote Air Conditioning System >> Notes
April 5, 2026: LEMON Manuals is launched! Read the announcement.

Remote Air Conditioning System: Notes

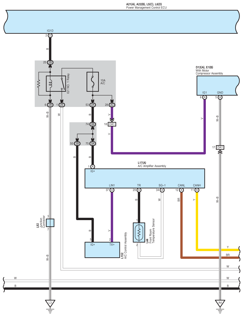
Fig 1: Remote Air Conditioning System Wiring Diagram (1 Of 13)
G09099566Courtesy of © TOYOTA, LICENSE AGREEMENT TMS1002
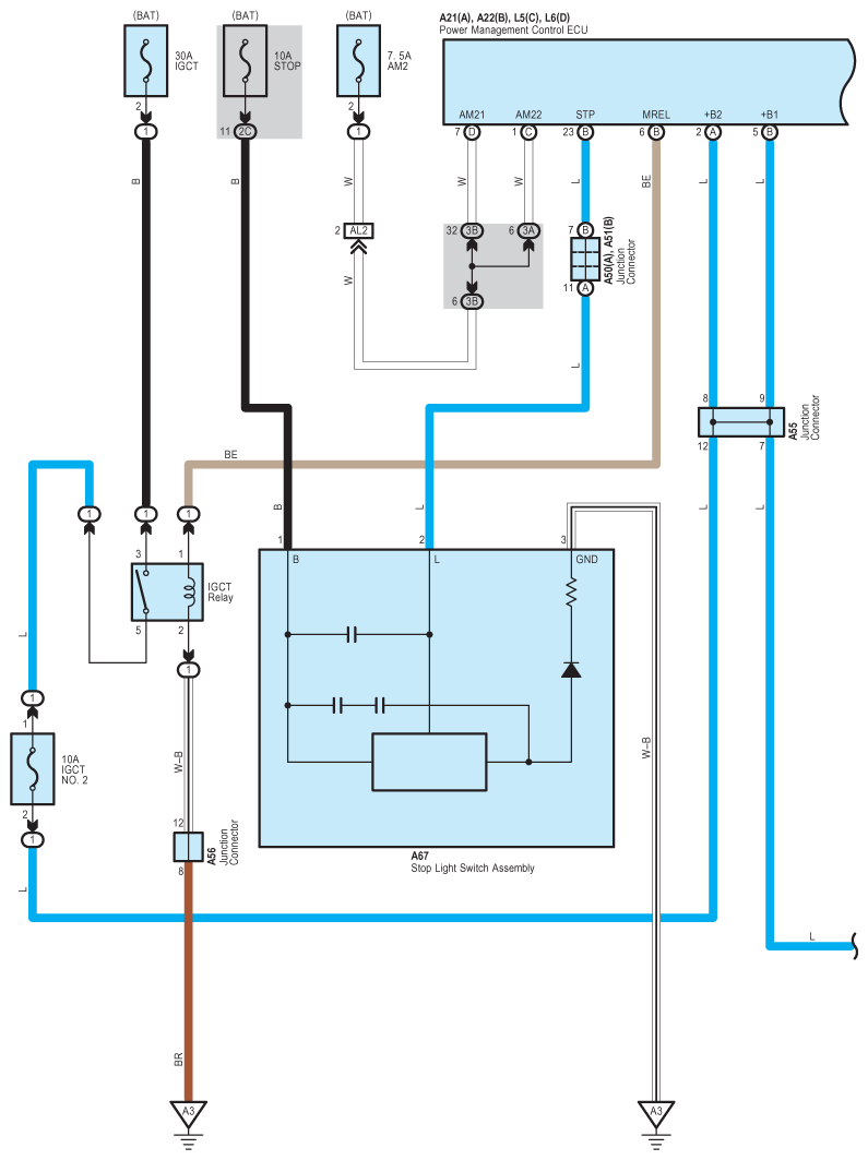
Fig 2: Remote Air Conditioning System Wiring Diagram (2 Of 13)
G09099567Courtesy of © TOYOTA, LICENSE AGREEMENT TMS1002
Fig 3: Remote Air Conditioning System Wiring Diagram (3 Of 13)
G09099568Courtesy of © TOYOTA, LICENSE AGREEMENT TMS1002
Fig 4: Remote Air Conditioning System Wiring Diagram (4 Of 13)
G09099569Courtesy of © TOYOTA, LICENSE AGREEMENT TMS1002
Fig 5: Remote Air Conditioning System Wiring Diagram (5 Of 13)
G09099570Courtesy of © TOYOTA, LICENSE AGREEMENT TMS1002
Fig 6: Remote Air Conditioning System Wiring Diagram (6 Of 13)
G09099571Courtesy of © TOYOTA, LICENSE AGREEMENT TMS1002
Fig 7: Remote Air Conditioning System Wiring Diagram (7 Of 13)
G09099572Courtesy of © TOYOTA, LICENSE AGREEMENT TMS1002
Fig 8: Remote Air Conditioning System Wiring Diagram (8 Of 13)
G09099573Courtesy of © TOYOTA, LICENSE AGREEMENT TMS1002
Fig 9: Remote Air Conditioning System Wiring Diagram (9 Of 13)
G09099574Courtesy of © TOYOTA, LICENSE AGREEMENT TMS1002
Fig 10: Remote Air Conditioning System Wiring Diagram (10 Of 13)
G09099575Courtesy of © TOYOTA, LICENSE AGREEMENT TMS1002
Fig 11: Remote Air Conditioning System Wiring Diagram (11 Of 13)
G09099576Courtesy of © TOYOTA, LICENSE AGREEMENT TMS1002
Fig 12: Remote Air Conditioning System Wiring Diagram (12 Of 13)
G09099577Courtesy of © TOYOTA, LICENSE AGREEMENT TMS1002
Fig 13: Remote Air Conditioning System Wiring Diagram (13 Of 13)
G09099578Courtesy of © TOYOTA, LICENSE AGREEMENT TMS1002