LEMON Manuals: Even more car manuals for everyone: 1960-2025
Home >> Toyota >> 2013 >> RAV4 LE, AWD >> Repair and Diagnosis (Single Page) >> Body & Frame >> Door Locks >> Smart Key System (Start Function) (Diagnostics - Introduction) (Except Hybrid) >> SMART KEY SYSTEM (For Start Function) >> System Diagram [12/2012 - 10/2015] >> System Diagram [12/2012 - 10/2015]
April 5, 2026: LEMON Manuals is launched! Read the announcement.

System Diagram [12/2012 - 10/2015]

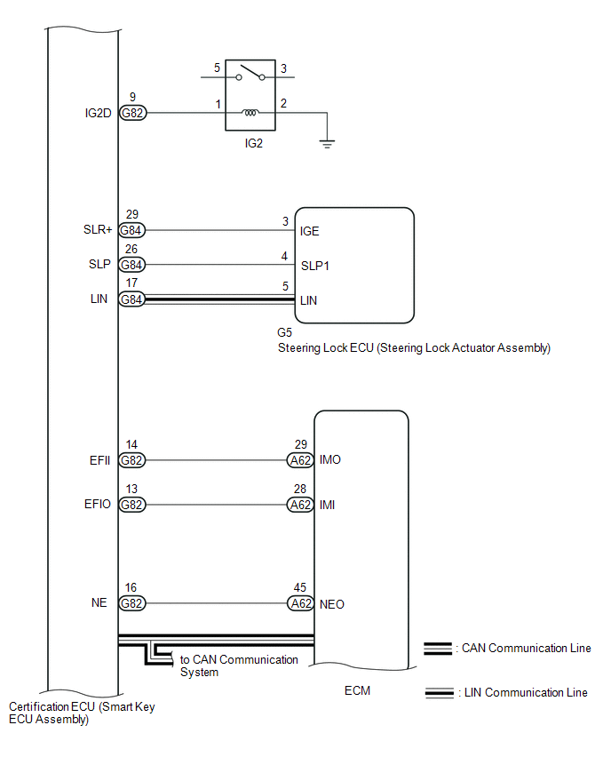
Fig 1: Smart Key System (For Start Function) System Diagram (1 Of 3)
GTY383047Courtesy of © TOYOTA, LICENSE AGREEMENT TMS1002
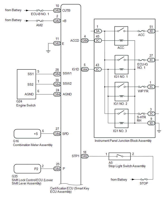
Fig 2: Smart Key System (For Start Function) System Diagram (2 Of 3)
GTY372793Courtesy of © TOYOTA, LICENSE AGREEMENT TMS1002
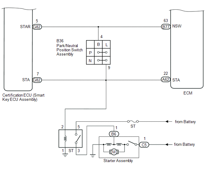
Fig 3: Smart Key System (For Start Function) System Diagram (3 Of 3)
GTY361165Courtesy of © TOYOTA, LICENSE AGREEMENT TMS1002
Component Outline
Engine switch
  • Transponder key amplifier
  • Turns on the power and starts the engine.
  • Contains a built-in transponder key amplifier to start the engine when the key does not operate properly due to a depleted battery or wave interference.
Certification ECU (smart key ECU assembly)
  • Changes the power source mode by operating the ACC and IG relays.
  • Controls starting by operating the starter relay.
  • Performs key verification.
  • Controls the electrical key antenna (outside), electrical key antenna (indoor) and door lock/unlock sensor.
  • Outputs entry door lock/unlock commands.
  • Outputs steering lock actuator assembly lock/unlock command signals.
  • Outputs immobiliser set/unset commands.
  • Forms the entry function detection area.
  • Receives command signals from the certification ECU (smart key ECU assembly) and outputs immobiliser set and unset command signals to the ECM.
  • Records codes for smart verification.
ECM Outputs a signal indicating that the engine has started to the certification ECU (smart key ECU assembly) when starting the engine.
Steering lock ECU (steering lock actuator assembly)
  • Receives command signals from the certification ECU (smart key ECU assembly) and activates the steering lock actuator assembly.
  • Records codes for entry verification.
Combination meter assembly
  • Operates various warnings sounding of the buzzer in the combination meter according to the command signals from the certification ECU (smart key ECU assembly).
  • Displays information or operates LED when the smart key system has a malfunction.
  • Outputs a vehicle speed signal to the main body ECU (multiplex network body ECU).
IG, ACC relay Turns on/off according to the certification ECU (smart key ECU assembly) and provides power to each system.
Stop light switch assembly Detects that the brake pedal has been depressed (switch is on) and outputs a signal to the certification ECU (smart key ECU assembly).
No. 1 indoor electrical key antenna assembly (front floor)
No. 2 indoor electrical key antenna assembly (rear floor)
No. 3 indoor electrical key antenna assembly (rear floor)
Sends the request code from the certification ECU (smart key ECU assembly) and forms the vehicle interior detection area.
Door control receiver Receives the smart key system code/wireless code sent from the key and sends it to the certification ECU (smart key ECU assembly).
Electrical key transmitter sub-assembly Sends the ID code upon receiving a request signal.