LEMON Manuals: Even more car manuals for everyone: 1960-2025
Home >> Toyota >> 2014 >> Corolla LE Eco Plus >> Repair and Diagnosis >> Restraints >> Restraints Control Systems >> Pre-Collision System - Diagnostics - Introduction (Model Code: ZRE172) >> Pre-Collision System >> System Diagram [08/2016 - ] >> System Diagram [08/2016 - ]
April 5, 2026: LEMON Manuals is launched! Read the announcement.

System Diagram [08/2016 - ]

Fig 1: Pre-Collision System Circuit Diagram (1 Of 4)
GTY729591Courtesy of © TOYOTA, LICENSE AGREEMENT TMS1002
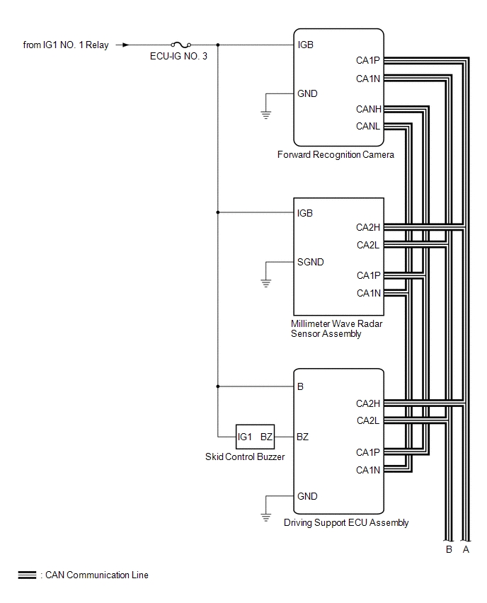
Fig 2: Pre-Collision System Circuit Diagram (2 Of 4)
GTY706076Courtesy of © TOYOTA, LICENSE AGREEMENT TMS1002
Fig 3: Pre-Collision System Circuit Diagram (3 Of 4)
GTY731869Courtesy of © TOYOTA, LICENSE AGREEMENT TMS1002
Fig 4: Pre-Collision System Circuit Diagram (4 Of 4)
GTY737601Courtesy of © TOYOTA, LICENSE AGREEMENT TMS1002
COMMUNICATION TABLE

Sender Receiver Signal Line
Driving Support ECU Assembly Skid Control ECU (Brake Actuator Assembly)
  • Brake assist standby signal
  • Pre-collision braking operation signal
CAN
Driving Support ECU Assembly Combination Meter Assembly
  • Pre-collision system malfunction signal
  • Pre-collision system warning distance signal
  • Warning signal
  • Pre-collision system cancel signal
CAN
Driving Support ECU Assembly Forward Recognition Camera
  • Pre-collision warning signal
  • Pre-collision braking operation signal
CAN
Skid Control ECU (Brake Actuator Assembly) Combination Meter Assembly
  • Vehicle speed signal
  • Stop light switch signal
  • Vehicle yaw rate sensor signal
  • Vehicle stability control system operation signal
  • Vehicle stability control system malfunction signal
CAN
Skid Control ECU (Brake Actuator Assembly) Forward Recognition Camera
  • Vehicle speed signal
  • Vehicle yaw rate sensor signal
CAN
Yaw Rate Sensor (Airbag Sensor Assembly) Driving Support ECU Assembly
  • Vehicle yaw rate sensor signal
  • Yaw rate sensor malfunction signal
CAN
Yaw Rate Sensor (Airbag Sensor Assembly) Forward Recognition Camera Vehicle yaw rate sensor signal CAN
Main Body ECU (Multiplex Network Body ECU) Driving Support ECU Assembly Vehicle specification information (destination) CAN
Main Body ECU (Multiplex Network Body ECU) Forward Recognition Camera Vehicle specification information (destination) CAN
Steering Sensor Driving Support ECU Assembly
  • Steering angle sensor signal
  • Steering angle sensor malfunction signal
CAN
Steering Sensor Forward Recognition Camera Steering angle sensor malfunction signal CAN
ECM Driving Support ECU Assembly
  • Shift position signal (D, R)
  • Engine type information signal
  • Vehicle specification information (2WD/4WD information)
  • SFI system malfunction signal
CAN
Millimeter Wave Radar Sensor Assembly Driving Support ECU Assembly
  • Front obstacle recognition signal
  • Distance signal
  • Relative speed signal
  • Millimeter wave radar sensor assembly malfunction signal
CAN
Forward Recognition Camera Driving Support ECU Assembly
  • Front obstacle recognition signal
  • Distance signal
  • Forward recognition camera malfunction signal
CAN