LEMON Manuals: Even more car manuals for everyone: 1960-2025
Home >> Toyota >> 2014 >> Corolla LE >> Repair and Diagnosis (Single Page) >> Restraints >> Air Bag, SRS >> Occupant Classification System - Diagnostic Codes & Symptom Tests (Model Code: ZRE172) >> Occupant Classification System >> DTC B1783: Rear Occupant Classification Sensor RH Circuit Malfunction [08/2013 - 08/2016] >> Procedure
April 5, 2026: LEMON Manuals is launched! Read the announcement.

DTC B1783: Rear Occupant Classification Sensor RH Circuit Malfunction [08/2013 - 08/2016]: Procedure

  1. CHECK CONNECTORS 
    1. Turn the ignition switch off.
    2. Disconnect the cable from the negative (-) battery terminal.
    3. Check that the connectors are properly connected to the occupant detection ECU and rear occupant classification sensor RH.

      OK

      The connectors are properly connected.

      HINT: 

      If the connectors are not properly connected, reconnect the connectors and proceed to the next inspection.

    4. Disconnect the connectors from the occupant detection ECU and rear occupant classification sensor RH.
    5. Check that the terminals of the connectors are not damaged.

      OK

      The terminals are not deformed or damaged.

      Result

      Proceed to
      OK
      NG

    Result:  2

    NG 

    REPLACE FRONT SEAT WIRE RH 

    Result:  1

    OK 

    See step  2

  2. CHECK FRONT SEAT WIRE RH (SHORT TO B+) 
    1. Connect the cable to the negative (-) battery terminal.
      GTY444127Courtesy of © TOYOTA, LICENSE AGREEMENT TMS1002
      *A for TMMMS Made
      *B for TMMC Made
      *1 Rear Occupant Classification Sensor RH
      *2 Occupant Detection ECU
      *3 Front Seat Wire RH
      *a Front view of wire harness connector
      (to Occupant Detection ECU)
    2. Turn the ignition switch to ON.
    3. Measure the voltage according to the value(s) in the table below.

      Standard Voltage

      FOR TMMMS MADE:

      Tester Connection Condition Specified Condition
      S1-2 (SVC4) - Body ground Ignition switch ON Below 1 V
      S1-4 (SIG4) - Body ground Ignition switch ON Below 1 V
      S1-6 (SGD4) - Body ground Ignition switch ON Below 1 V
      FOR TMMC MADE:

      Tester Connection Condition Specified Condition
      S7-2 (SVC4) - Body ground Ignition switch ON Below 1 V
      S7-4 (SIG4) - Body ground Ignition switch ON Below 1 V
      S7-6 (SGD4) - Body ground Ignition switch ON Below 1 V
    4. Turn the ignition switch off.
    5. Disconnect the cable from the negative (-) battery terminal.

      Result

      Proceed to
      OK
      NG

    Result:  2

    NG 

    See step  15

    Result:  1

    OK 

    See step  3

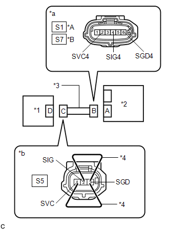
  3. CHECK FRONT SEAT WIRE RH (OPEN) 
    1. Using a service wire, connect terminals 1 (SVC) and 3 (SGD), and connect terminals 2 (SIG) and 3 (SGD) of connector C.
      NOTE:

      Do not forcibly insert the service wire into the terminals of the connector when connecting the wire.

      GTY447079Courtesy of © TOYOTA, LICENSE AGREEMENT TMS1002
      *A for TMMMS Made
      *B for TMMC Made
      *1 Rear Occupant Classification Sensor RH
      *2 Occupant Detection ECU
      *3 Front Seat Wire RH
      *4 Service Wire
      *a Front view of wire harness connector
      (to Occupant Detection ECU)
      *b Front view of wire harness connector
      (to Rear Occupant Classification Sensor RH)
    2. Measure the resistance according to the value(s) in the table below.

      Standard Resistance

      FOR TMMMS MADE:

      Tester Connection Condition Specified Condition
      S1-2 (SVC4) - S1-6 (SGD4) Always Below 1 Ω
      S1-4 (SIG4) - S1-6 (SGD4) Always Below 1 Ω
      FOR TMMC MADE:

      Tester Connection Condition Specified Condition
      S7-2 (SVC4) - S7-6 (SGD4) Always Below 1 Ω
      S7-4 (SIG4) - S7-6 (SGD4) Always Below 1 Ω
    3. Disconnect the service wire from connector C.

      Result

      Proceed to
      OK
      NG

    Result:  2

    NG 

    REPLACE FRONT SEAT WIRE RH 

    Result:  1

    OK 

    See step  4

  4. CHECK FRONT SEAT WIRE RH (SHORT) 
    1. Measure the resistance according to the value(s) in the table below.
      GTY444127Courtesy of © TOYOTA, LICENSE AGREEMENT TMS1002
      *A for TMMMS Made
      *B for TMMC Made
      *1 Rear Occupant Classification Sensor RH
      *2 Occupant Detection ECU
      *3 Front Seat Wire RH
      *a Front view of wire harness connector
      (to Occupant Detection ECU)

      Standard Resistance

      FOR TMMMS MADE:

      Tester Connection Condition Specified Condition
      S1-2 (SVC4) - S1-6 (SGD4) Always 1 MΩ or higher
      S1-4 (SIG4) - S1-6 (SGD4) Always 1 MΩ or higher
      S1-2 (SVC4) - S1-4 (SIG4) Always 1 MΩ or higher
      FOR TMMC MADE:

      Tester Connection Condition Specified Condition
      S7-2 (SVC4) - S7-6 (SGD4) Always 1 MΩ or higher
      S7-4 (SIG4) - S7-6 (SGD4) Always 1 MΩ or higher
      S7-2 (SVC4) - S7-4 (SIG4) Always 1 MΩ or higher

      Result

      Proceed to
      OK
      NG

    Result:  2

    NG 

    REPLACE FRONT SEAT WIRE RH 

    Result:  1

    OK 

    See step  5

  5. CHECK FRONT SEAT WIRE RH (SHORT TO GROUND) 
    1. Measure the resistance according to value(s) in the table below.
      GTY444127Courtesy of © TOYOTA, LICENSE AGREEMENT TMS1002
      *A for TMMMS Made
      *B for TMMC Made
      *1 Rear Occupant Classification Sensor RH
      *2 Occupant Detection ECU
      *3 Front Seat Wire RH
      *a Front view of wire harness connector
      (to Occupant Detection ECU)

      Standard Resistance

      FOR TMMMS MADE:

      Tester Connection Condition Specified Condition
      S1-2 (SVC4) - Body ground Always 1 MΩ or higher
      S1-4 (SIG4) - Body ground Always 1 MΩ or higher
      S1-6 (SGD4) - Body ground Always 1 MΩ or higher
      FOR TMMC MADE:

      Tester Connection Condition Specified Condition
      S7-2 (SVC4) - Body ground Always 1 MΩ or higher
      S7-4 (SIG4) - Body ground Always 1 MΩ or higher
      S7-6 (SGD4) - Body ground Always 1 MΩ or higher

      Result

      Proceed to
      OK
      NG

    Result:  2

    NG 

    REPLACE FRONT SEAT WIRE RH 

    Result:  1

    OK 

    See step  6

  6. CHECK DTC 
    1. Connect the connectors to the occupant detection ECU and rear occupant classification sensor RH.
    2. Connect the cable to the negative (-) battery terminal.
    3. Clear the DTCs stored in the occupant detection ECU.

      Refer to DTC CHECK / CLEAR [08/2013 - ]

      Body Electrical > Occupant Detection > Clear DTCs 

    4. Clear the DTCs stored in the airbag sensor assembly.

      Refer to DTC CHECK / CLEAR [08/2013 - ]

      Body Electrical > SRS Airbag > Clear DTCs 

    5. Turn the ignition switch off.
    6. Turn the ignition switch to ON, and wait for at least 10 seconds.
    7. Check for DTCs.

      Refer to DTC CHECK / CLEAR [08/2013 - ]

      Body Electrical > Occupant Detection > Trouble Codes 

      OK

      DTC B1783 is not output.

      HINT: 

      Codes other than DTC B1783 may be output at this time, but they are not related to this check.

    8. Turn the ignition switch off.

      Result

      Proceed to
      OK
      NG

    Result:  1

    OK 

    USE SIMULATION METHOD TO CHECK. Refer to  HOW TO PROCEED WITH TROUBLESHOOTING [08/2013 - 04/2014]  Refer to  HOW TO PROCEED WITH TROUBLESHOOTING [04/2014 - 08/2016] 

    Result:  2

    NG 

    See step  7

  7. CHECK OCCUPANT DETECTION ECU 
    1. Disconnect the cable from the negative (-) battery terminal.
    2. Replace the occupant detection ECU with a known good one.

      Refer to REMOVAL [08/2013 - ]

      HINT: 

      Perform the following inspection using known good parts from another vehicle if possible.

    3. Connect the cable to the negative (-) battery terminal.
    4. Clear the DTCs stored in the occupant detection ECU.

      Refer to DTC CHECK / CLEAR [08/2013 - ]

      Body Electrical > Occupant Detection > Clear DTCs 

    5. Clear the DTCs stored in the airbag sensor assembly.

      Refer to DTC CHECK / CLEAR [08/2013 - ]

      Body Electrical > SRS Airbag > Clear DTCs 

    6. Turn the ignition switch off.
    7. Turn the ignition switch to ON, and wait for at least 10 seconds.
    8. Check for DTCs.

      Refer to DTC CHECK / CLEAR [08/2013 - ]

      Body Electrical > Occupant Detection > Trouble Codes 

      OK

      DTC B1783 is not output.

      HINT: 

      Codes other than DTC B1783 may be output at this time, but they are not related to this check.

    9. Turn the ignition switch off.
    10. Disconnect the cable from the negative (-) battery terminal.
    11. Restore the occupant detection ECU that was installed for testing to its original location.

      Refer to REMOVAL [08/2013 - ]

      Result

      Proceed to
      OK
      NG

    Result:  2

    NG 

    See step  10

    Result:  1

    OK 

    See step  8

  8. REPLACE OCCUPANT DETECTION ECU 
    1. Turn the ignition switch off.
    2. Disconnect the cable from the negative (-) battery terminal.
    3. Replace the occupant detection ECU with a new one.

      Refer to REMOVAL [08/2013 - ]

    4. Connect the cable to the negative (-) battery terminal.

      Result

      Proceed to
      NEXT

    Result:  1

    NEXT 

    See step  9

  9. PERFORM ZERO POINT CALIBRATION AND SENSITIVITY CHECK 
    1. Using the Techstream, perform Zero Point Calibration and Sensitivity Check.

      Refer to INITIALIZATION [08/2013 - 08/2016]

      Body Electrical > Occupant Detection > Utility 

      Tester Display
      Zero Point Calibration & Sensitivity Check

      Result

      Proceed to
      NEXT

    Result:  1

    NEXT 

    END 

  10. CHECK VEHICLE CONDITION 
    1. Choose the model to be inspected.

      Result

      Result Proceed to
      for TMMMS Made A
      for TMMC Made B

    Result:  2

    See step  13

    Result:  1

    See step  11

  11. REPLACE SEPARATE TYPE FRONT SEAT CUSHION SPRING ASSEMBLY RH 
    1. Turn the ignition switch off.
    2. Disconnect the cable from the negative (-) battery terminal.
    3. Replace the separate type front seat cushion spring assembly RH.

      Refer to REMOVAL [08/2013 - 04/2014] Refer to REMOVAL [04/2014 - 08/2017]

    4. Connect the cable to the negative (-) battery terminal.

      Result

      Proceed to
      NEXT

    Result:  1

    NEXT 

    See step  12

  12. PERFORM ZERO POINT CALIBRATION AND SENSITIVITY CHECK 
    1. Using the Techstream, perform Zero Point Calibration and Sensitivity Check.

      Refer to INITIALIZATION [08/2013 - 08/2016]

      Body Electrical > Occupant Detection > Utility 

      Tester Display
      Zero Point Calibration & Sensitivity Check

      Result

      Proceed to
      NEXT

    Result:  1

    NEXT 

    END 

  13. REPLACE FRONT SEAT ADJUSTER SUB-ASSEMBLY RH 
    1. Turn the ignition switch off.
    2. Disconnect the cable from the negative (-) battery terminal.
    3. Replace the front seat adjuster sub-assembly RH.

      Refer to REMOVAL [08/2013 - ]

    4. Connect the cable to the negative (-) battery terminal.

      Result

      Proceed to
      NEXT

    Result:  1

    NEXT 

    See step  14

  14. PERFORM ZERO POINT CALIBRATION AND SENSITIVITY CHECK 
    1. Using the Techstream, perform Zero Point Calibration and Sensitivity Check.

      Refer to INITIALIZATION [08/2013 - 08/2016]

      Body Electrical > Occupant Detection > Utility 

      Tester Display
      Zero Point Calibration & Sensitivity Check

      Result

      Proceed to
      NEXT

    Result:  1

    NEXT 

    END 

  15. CHECK VEHICLE CONDITION 
    1. Choose the model to be inspected.

      Result

      Result Proceed to
      for TMMMS Made A
      for TMMC Made B

    Result:  2

    See step  18

    Result:  1

    See step  16

  16. REPLACE SEPARATE TYPE FRONT SEAT CUSHION SPRING ASSEMBLY RH 
    1. Replace the separate type front seat cushion spring assembly RH.

      Refer to REMOVAL [08/2013 - 04/2014] Refer to REMOVAL [04/2014 - 08/2017]

      NOTE:

      Replace the front seat wire RH at the same time.

      HINT: 

      When the front seat wire RH has a short to B+, the rear occupant classification sensor RH will be damaged. Therefore, replace the front seat wire RH and separate type front seat cushion spring assembly RH, which includes the rear occupant classification sensor RH.

    2. Connect the cable to the negative (-) battery terminal.

      Result

      Proceed to
      NEXT

    Result:  1

    NEXT 

    See step  17

  17. PERFORM ZERO POINT CALIBRATION AND SENSITIVITY CHECK 
    1. Using the Techstream, perform Zero Point Calibration and Sensitivity Check.

      Refer to INITIALIZATION [08/2013 - 08/2016]

      Body Electrical > Occupant Detection > Utility 

      Tester Display
      Zero Point Calibration & Sensitivity Check

      Result

      Proceed to
      NEXT

    Result:  1

    NEXT 

    END 

  18. REPLACE FRONT SEAT ADJUSTER SUB-ASSEMBLY RH 
    1. Replace the front seat adjuster sub-assembly RH.

      Refer to REMOVAL [08/2013 - ]

      NOTE:

      Replace the front seat wire RH at the same time.

      HINT: 

      When the front seat wire RH has a short to B+, the rear occupant classification sensor RH will be damaged. Therefore, replace the front seat wire RH and front seat adjuster sub-assembly RH, which includes the rear occupant classification sensor RH.

    2. Connect the cable to the negative (-) battery terminal.

      Result

      Proceed to
      NEXT

    Result:  1

    NEXT 

    See step  19

  19. PERFORM ZERO POINT CALIBRATION AND SENSITIVITY CHECK 
    1. Using the Techstream, perform Zero Point Calibration and Sensitivity Check.

      Refer to INITIALIZATION [08/2013 - 08/2016]

      Body Electrical > Occupant Detection > Utility 

      Tester Display
      Zero Point Calibration & Sensitivity Check

      Result

      Proceed to
      NEXT

    Result:  1

    NEXT 

    END