LEMON Manuals: Even more car manuals for everyone: 1960-2025
Home >> Toyota >> 2014 >> Corolla LE >> Repair and Diagnosis (Single Page) >> Restraints >> Air Bag, SRS >> Occupant Classification System - Diagnostic Codes & Symptom Tests (Model Code: ZRE172) >> Occupant Classification System >> DTC B1793: Occupant Classification Sensor Power Supply Circuit Malfunction [08/2013 - 08/2016] >> Procedure
April 5, 2026: LEMON Manuals is launched! Read the announcement.

DTC B1793: Occupant Classification Sensor Power Supply Circuit Malfunction [08/2013 - 08/2016]: Procedure

  1. CHECK VEHICLE CONDITION 
    1. Choose the model to be inspected.

      Result

      Result Proceed to
      for TMMMS Made A
      for TMMC Made B

    Result:  2

    See step  14

    Result:  1

    See step  2

  2. CHECK CONNECTORS 
    1. Turn the ignition switch off.
    2. Disconnect the cable from the negative (-) battery terminal.
    3. Check that the connectors are properly connected to the 2 rear occupant classification sensors and occupant detection ECU.

      OK

      The connectors are properly connected.

      HINT: 

      If the connectors are not properly connected, reconnect the connectors and proceed to the next inspection.

    4. Disconnect the connectors from the 2 rear occupant classification sensors and occupant detection ECU.
    5. Check that the terminals of the connectors are not damaged.

      OK

      The terminals are not deformed or damaged.

      Result

      Proceed to
      OK
      NG

    Result:  2

    NG 

    REPLACE FRONT SEAT WIRE RH 

    Result:  1

    OK 

    See step  3

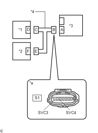
  3. CHECK FRONT SEAT WIRE RH (SHORT TO B+) 
    1. Connect the cable to the negative (-) battery terminal.
      GTY428630Courtesy of © TOYOTA, LICENSE AGREEMENT TMS1002
      *1 Rear Occupant Classification Sensor LH
      *2 Rear Occupant Classification Sensor RH
      *3 Occupant Detection ECU
      *4 Front Seat Wire RH
      *a Front view of wire harness connector
      (to Occupant Detection ECU)
    2. Turn the ignition switch to ON.
    3. Measure the voltage according to the value(s) in the table below.

      Standard Voltage

      Tester Connection Condition Specified Condition
      S1-1 (SVC3) - Body ground Ignition switch ON Below 1 V
      S1-2 (SVC4) - Body ground Ignition switch ON Below 1 V
    4. Turn the ignition switch off.
    5. Disconnect the cable from the negative (-) battery terminal.

      Result

      Proceed to
      OK
      NG

    Result:  2

    NG 

    See step  12

    Result:  1

    OK 

    See step  4

  4. CHECK FRONT SEAT WIRE RH (SHORT) 
    1. Measure the resistance according to the value(s) in the table below.
      GTY428630Courtesy of © TOYOTA, LICENSE AGREEMENT TMS1002
      *1 Rear Occupant Classification Sensor LH
      *2 Rear Occupant Classification Sensor RH
      *3 Occupant Detection ECU
      *4 Front Seat Wire RH
      *a Front view of wire harness connector
      (to Occupant Detection ECU)

      Standard Resistance

      Tester Connection Condition Specified Condition
      S1-1 (SVC3) - S1-2 (SVC4) Always 1 MΩ or higher

      Result

      Proceed to
      OK
      NG

    Result:  2

    NG 

    REPLACE FRONT SEAT WIRE RH 

    Result:  1

    OK 

    See step  5

  5. CHECK FRONT SEAT WIRE RH (SHORT TO GROUND) 
    1. Measure the resistance according to the value(s) in the table below.
      GTY428630Courtesy of © TOYOTA, LICENSE AGREEMENT TMS1002
      *1 Rear Occupant Classification Sensor LH
      *2 Rear Occupant Classification Sensor RH
      *3 Occupant Detection ECU
      *4 Front Seat Wire RH
      *a Front view of wire harness connector
      (to Occupant Detection ECU)

      Standard Resistance

      Tester Connection Condition Specified Condition
      S1-1 (SVC3) - Body ground Always 1 MΩ or higher
      S1-2 (SVC4) - Body ground Always 1 MΩ or higher

      Result

      Proceed to
      OK
      NG

    Result:  2

    NG 

    REPLACE FRONT SEAT WIRE RH 

    Result:  1

    OK 

    See step  6

  6. CHECK DTC 
    1. Connect the connectors to the occupant detection ECU and 2 rear occupant classification sensors.
    2. Connect the cable to the negative (-) battery terminal.
    3. Clear the DTCs stored in the occupant detection ECU.

      Refer to DTC CHECK / CLEAR [08/2013 - ]

      Body Electrical > Occupant Detection > Clear DTCs 

    4. Clear the DTCs stored in the airbag sensor assembly.

      Refer to DTC CHECK / CLEAR [08/2013 - ]

      Body Electrical > SRS Airbag > Clear DTCs 

    5. Turn the ignition switch off.
    6. Turn the ignition switch to ON, and wait for at least 10 seconds.
    7. Check for DTCs.

      Refer to DTC CHECK / CLEAR [08/2013 - ]

      Body Electrical > Occupant Detection > Trouble Codes 

      OK

      DTC B1793 is not output.

      HINT: 

      Codes other than DTC B1793 may be output at this time, but they are not related to this check.

    8. Turn the ignition switch off.

      Result

      Proceed to
      OK
      NG

    Result:  1

    OK 

    USE SIMULATION METHOD TO CHECK. Refer to  HOW TO PROCEED WITH TROUBLESHOOTING [08/2013 - 04/2014]  Refer to  HOW TO PROCEED WITH TROUBLESHOOTING [04/2014 - 08/2016] 

    Result:  2

    NG 

    See step  7

  7. CHECK OCCUPANT DETECTION ECU 
    1. Disconnect the cable from the negative (-) battery terminal.
    2. Replace the occupant detection ECU with a known good one.

      Refer to REMOVAL [08/2013 - ]

      HINT: 

      Perform the following inspection using known good parts from another vehicle if possible.

    3. Connect the cable to the negative (-) battery terminal.
    4. Clear the DTCs stored in the occupant detection ECU.

      Refer to DTC CHECK / CLEAR [08/2013 - ]

      Body Electrical > Occupant Detection > Clear DTCs 

    5. Clear the DTCs stored in the airbag sensor assembly.

      Refer to DTC CHECK / CLEAR [08/2013 - ]

      Body Electrical > SRS Airbag > Clear DTCs 

    6. Turn the ignition switch off.
    7. Turn the ignition switch to ON, and wait for at least 10 seconds.
    8. Check for DTCs.

      Refer to DTC CHECK / CLEAR [08/2013 - ]

      Body Electrical > Occupant Detection > Trouble Codes 

      OK

      DTC B1793 is not output.

      HINT: 

      Codes other than DTC B1793 may be output at this time, but they are not related to this check.

    9. Turn the ignition switch off.
    10. Disconnect the cable from the negative (-) battery terminal.
    11. Restore the occupant detection ECU that was installed for testing to its original location.

      Refer to REMOVAL [08/2013 - ]

      Result

      Proceed to
      OK
      NG

    Result:  2

    NG 

    See step  10

    Result:  1

    OK 

    See step  8

  8. REPLACE OCCUPANT DETECTION ECU 
    1. Turn the ignition switch off.
    2. Disconnect the cable from the negative (-) battery terminal.
    3. Replace the occupant detection ECU with a new one.

      Refer to REMOVAL [08/2013 - ]

    4. Connect the cable to the negative (-) battery terminal.

      Result

      Proceed to
      NEXT

    Result:  1

    NEXT 

    See step  9

  9. PERFORM ZERO POINT CALIBRATION AND SENSITIVITY CHECK 
    1. Using the Techstream, perform Zero Point Calibration and Sensitivity Check.

      Refer to INITIALIZATION [08/2013 - 08/2016]

      Body Electrical > Occupant Detection > Utility 

      Tester Display
      Zero Point Calibration & Sensitivity Check

      Result

      Proceed to
      NEXT

    Result:  1

    NEXT 

    END 

  10. REPLACE SEPARATE TYPE FRONT SEAT CUSHION SPRING ASSEMBLY RH 
    1. Turn the ignition switch off.
    2. Disconnect the cable from the negative (-) battery terminal.
    3. Replace the separate type front seat cushion spring assembly RH.

      Refer to REMOVAL [08/2013 - 04/2014] Refer to REMOVAL [04/2014 - 08/2017]

    4. Connect the cable to the negative (-) battery terminal.

      Result

      Proceed to
      NEXT

    Result:  1

    NEXT 

    See step  11

  11. PERFORM ZERO POINT CALIBRATION AND SENSITIVITY CHECK 
    1. Using the Techstream, perform Zero Point Calibration and Sensitivity Check.

      Refer to INITIALIZATION [08/2013 - 08/2016]

      Body Electrical > Occupant Detection > Utility 

      Tester Display
      Zero Point Calibration & Sensitivity Check

      Result

      Proceed to
      NEXT

    Result:  1

    NEXT 

    END 

  12. REPLACE SEPARATE TYPE FRONT SEAT CUSHION SPRING ASSEMBLY RH 
    1. Replace the separate type front seat cushion spring assembly RH.

      Refer to REMOVAL [08/2013 - 04/2014] Refer to REMOVAL [04/2014 - 08/2017]

      NOTE:

      Replace the front seat wire RH at the same time.

      HINT: 

      When the front seat wire RH has a short to B+, the rear occupant classification sensors will be damaged. Therefore, replace the front seat wire RH and separate type front seat cushion spring assembly RH, which includes the rear occupant classification sensors.

    2. Connect the cable to the negative (-) battery terminal.

      Result

      Proceed to
      NEXT

    Result:  1

    NEXT 

    See step  13

  13. PERFORM ZERO POINT CALIBRATION AND SENSITIVITY CHECK 
    1. Using the Techstream, perform Zero Point Calibration and Sensitivity Check.

      Refer to INITIALIZATION [08/2013 - 08/2016]

      Body Electrical > Occupant Detection > Utility 

      Tester Display
      Zero Point Calibration & Sensitivity Check

      Result

      Proceed to
      NEXT

    Result:  1

    NEXT 

    END 

  14. CHECK CONNECTORS 
    1. Turn the ignition switch off.
    2. Disconnect the cable from the negative (-) battery terminal.
    3. Check that the connectors are properly connected to the occupant detection ECU, front seat inner belt assembly RH and 2 rear occupant classification sensors.

      OK

      The connectors are properly connected.

      HINT: 

      If the connectors are not properly connected, reconnect the connectors and proceed to the next inspection.

    4. Disconnect the connectors from the occupant detection ECU, front seat inner belt assembly RH and 2 rear occupant classification sensors.
    5. Check that the terminals of the connectors are not damaged.

      OK

      The terminals are not deformed or damaged.

      Result

      Proceed to
      OK
      NG

    Result:  2

    NG 

    REPLACE WIRE HARNESS 

    Result:  1

    OK 

    See step  15

  15. CHECK WIRE HARNESS (SHORT TO B+) 
    1. Connect the connector to the front seat inner belt assembly RH.
      GTY437304Courtesy of © TOYOTA, LICENSE AGREEMENT TMS1002
      *1 Rear Occupant Classification Sensor LH
      *2 Rear Occupant Classification Sensor RH
      *3 Occupant Detection ECU
      *a Front view of wire harness connector
      (to Occupant Detection ECU)
    2. Connect the cable to the negative (-) battery terminal.
    3. Turn the ignition switch to ON.
    4. Measure the voltage according to the value(s) in the table below.

      Standard Voltage

      Tester Connection Condition Specified Condition
      S7-1 (SVC3) - Body ground Ignition switch ON Below 1 V
      S7-2 (SVC4) - Body ground Ignition switch ON Below 1 V
    5. Turn the ignition switch off.
    6. Disconnect the cable from the negative (-) battery terminal.

      Result

      Proceed to
      OK
      NG

    Result:  2

    NG 

    See step  26

    Result:  1

    OK 

    See step  16

  16. CHECK WIRE HARNESS (SHORT) 
    1. Measure the resistance according to the value(s) in the table below.
      GTY437304Courtesy of © TOYOTA, LICENSE AGREEMENT TMS1002
      *1 Rear Occupant Classification Sensor LH
      *2 Rear Occupant Classification Sensor RH
      *3 Occupant Detection ECU
      *a Front view of wire harness connector
      (to Occupant Detection ECU)

      Standard Resistance

      Tester Connection Condition Specified Condition
      S7-1 (SVC3) - S7-2 (SVC4) Always 1 MΩ or higher

      Result

      Proceed to
      OK
      NG

    Result:  2

    NG 

    See step  25

    Result:  1

    OK 

    See step  17

  17. CHECK WIRE HARNESS (SHORT TO GROUND) 
    1. Measure the resistance according to the value(s) in the table below.
      GTY437304Courtesy of © TOYOTA, LICENSE AGREEMENT TMS1002
      *1 Rear Occupant Classification Sensor LH
      *2 Rear Occupant Classification Sensor RH
      *3 Occupant Detection ECU
      *a Front view of wire harness connector
      (to Occupant Detection ECU)

      Standard Resistance

      Tester Connection Condition Specified Condition
      S7-1 (SVC3) - Body ground Always 1 MΩ or higher
      S7-2 (SVC4) - Body ground Always 1 MΩ or higher

      Result

      Proceed to
      OK
      NG

    Result:  2

    NG 

    See step  24

    Result:  1

    OK 

    See step  18

  18. CHECK DTC 
    1. Connect the connectors to the occupant detection ECU and 2 rear occupant classification sensors.
    2. Connect the cable to the negative (-) battery terminal.
    3. Clear the DTCs stored in the occupant detection ECU.

      Refer to DTC CHECK / CLEAR [08/2013 - ]

      Body Electrical > Occupant Detection > Clear DTCs 

    4. Clear the DTCs stored in the airbag sensor assembly.

      Refer to DTC CHECK / CLEAR [08/2013 - ]

      Body Electrical > SRS Airbag > Clear DTCs 

    5. Turn the ignition switch off.
    6. Turn the ignition switch to ON, and wait for at least 10 seconds.
    7. Check for DTCs.

      Refer to DTC CHECK / CLEAR [08/2013 - ]

      Body Electrical > Occupant Detection > Trouble Codes 

      OK

      DTC B1793 is not output.

      HINT: 

      Codes other than DTC B1793 may be output at this time, but they are not related to this check.

    8. Turn the ignition switch off.

      Result

      Proceed to
      OK
      NG

    Result:  1

    OK 

    USE SIMULATION METHOD TO CHECK. Refer to  HOW TO PROCEED WITH TROUBLESHOOTING [08/2013 - 04/2014]  Refer to  HOW TO PROCEED WITH TROUBLESHOOTING [04/2014 - 08/2016] 

    Result:  2

    NG 

    See step  19

  19. CHECK OCCUPANT DETECTION ECU 
    1. Disconnect the cable from the negative (-) battery terminal.
    2. Replace the occupant detection ECU with a known good one.

      Refer to REMOVAL [08/2013 - ]

      HINT: 

      Perform the following inspection using known good parts from another vehicle if possible.

    3. Connect the cable to the negative (-) battery terminal.
    4. Clear the DTCs stored in the occupant detection ECU.

      Refer to DTC CHECK / CLEAR [08/2013 - ]

      Body Electrical > Occupant Detection > Clear DTCs 

    5. Clear the DTCs stored in the airbag sensor assembly.

      Refer to DTC CHECK / CLEAR [08/2013 - ]

      Body Electrical > SRS Airbag > Clear DTCs 

    6. Turn the ignition switch off.
    7. Turn the ignition switch to ON, and wait for at least 10 seconds.
    8. Check for DTCs.

      Refer to DTC CHECK / CLEAR [08/2013 - ]

      Body Electrical > Occupant Detection > Trouble Codes 

      OK

      DTC B1793 is not output.

      HINT: 

      Codes other than DTC B1793 may be output at this time, but they are not related to this check.

    9. Turn the ignition switch off.
    10. Disconnect the cable from the negative (-) battery terminal.
    11. Restore the occupant detection ECU that was installed for testing to its original location.

      Refer to REMOVAL [08/2013 - ]

      Result

      Proceed to
      OK
      NG

    Result:  2

    NG 

    See step  22

    Result:  1

    OK 

    See step  20

  20. REPLACE OCCUPANT DETECTION ECU 
    1. Turn the ignition switch off.
    2. Disconnect the cable from the negative (-) battery terminal.
    3. Replace the occupant detection ECU with a new one.

      Refer to REMOVAL [08/2013 - ]

    4. Connect the cable to the negative (-) battery terminal.

      Result

      Proceed to
      NEXT

    Result:  1

    NEXT 

    See step  21

  21. PERFORM ZERO POINT CALIBRATION AND SENSITIVITY CHECK 
    1. Using the Techstream, perform Zero Point Calibration and Sensitivity Check.

      Refer to INITIALIZATION [08/2013 - 08/2016]

      Body Electrical > Occupant Detection > Utility 

      Tester Display
      Zero Point Calibration & Sensitivity Check

      Result

      Proceed to
      NEXT

    Result:  1

    NEXT 

    END 

  22. REPLACE FRONT SEAT ADJUSTER SUB-ASSEMBLY RH 
    1. Turn the ignition switch off.
    2. Disconnect the cable from the negative (-) battery terminal.
    3. Replace the front seat adjuster sub-assembly RH.

      Refer to REMOVAL [08/2013 - ]

    4. Connect the cable to the negative (-) battery terminal.

      Result

      Proceed to
      NEXT

    Result:  1

    NEXT 

    See step  23

  23. PERFORM ZERO POINT CALIBRATION AND SENSITIVITY CHECK 
    1. Using the Techstream, perform Zero Point Calibration and Sensitivity Check.

      Refer to INITIALIZATION [08/2013 - 08/2016]

      Body Electrical > Occupant Detection > Utility 

      Tester Display
      Zero Point Calibration & Sensitivity Check

      Result

      Proceed to
      NEXT

    Result:  1

    NEXT 

    END 

  24. CHECK FRONT SEAT WIRE RH (SHORT TO GROUND) 
    1. Disconnect the connector from the front seat inner belt assembly RH.
      GTY441578Courtesy of © TOYOTA, LICENSE AGREEMENT TMS1002
      *1 Rear Occupant Classification Sensor LH
      *2 Rear Occupant Classification Sensor RH
      *3 Occupant Detection ECU
      *4 Front Seat Inner Belt Assembly RH
      *5 Front Seat Wire RH
      *a Front view of wire harness connector
      (to Occupant Detection ECU)
    2. Measure the resistance according to value(s) in the table below.

      Standard Resistance

      Tester Connection Condition Specified Condition
      S7-1 (SVC3) - Body ground Always 1 MΩ or higher
      S7-2 (SVC4) - Body ground Always 1 MΩ or higher

      Result

      Proceed to
      OK
      NG

    Result:  1

    OK 

    REPLACE FRONT SEAT INNER BELT ASSEMBLY RH. Refer to  REMOVAL [08/2013 - 04/2014]  Refer to  REMOVAL [04/2014 - 08/2014]  Refer to  REMOVAL [08/2014 - 08/2016] 

    Result:  2

    NG 

    REPLACE FRONT SEAT WIRE RH 

  25. CHECK FRONT SEAT WIRE RH (SHORT) 
    1. Disconnect the connector from the front seat inner belt assembly RH.
      GTY441578Courtesy of © TOYOTA, LICENSE AGREEMENT TMS1002
      *1 Rear Occupant Classification Sensor LH
      *2 Rear Occupant Classification Sensor RH
      *3 Occupant Detection ECU
      *4 Front Seat Inner Belt Assembly RH
      *5 Front Seat Wire RH
      *a Front view of wire harness connector
      (to Occupant Detection ECU)
    2. Measure the resistance according to the value(s) in the table below.

      Standard Resistance

      Tester Connection Condition Specified Condition
      S7-1 (SVC3) - S7-2 (SVC4) Always 1 MΩ or higher

      Result

      Proceed to
      OK
      NG

    Result:  1

    OK 

    REPLACE FRONT SEAT INNER BELT ASSEMBLY RH. Refer to  REMOVAL [08/2013 - 04/2014]  Refer to  REMOVAL [04/2014 - 08/2014]  Refer to  REMOVAL [08/2014 - 08/2016] 

    Result:  2

    NG 

    REPLACE FRONT SEAT WIRE RH 

  26. CHECK FRONT SEAT WIRE RH (SHORT TO B+) 
    1. Disconnect the connector from the front seat inner belt assembly RH.
      GTY441578Courtesy of © TOYOTA, LICENSE AGREEMENT TMS1002
      *1 Rear Occupant Classification Sensor LH
      *2 Rear Occupant Classification Sensor RH
      *3 Occupant Detection ECU
      *4 Front Seat Inner Belt Assembly RH
      *5 Front Seat Wire RH
      *a Front view of wire harness connector
      (to Occupant Detection ECU)
    2. Connect the cable to the negative (-) battery terminal.
    3. Turn the ignition switch to ON.
    4. Measure the voltage according to the value(s) in the table below.

      Standard Voltage

      Tester Connection Condition Specified Condition
      S7-1 (SVC3) - Body ground Ignition switch ON Below 1 V
      S7-2 (SVC4) - Body ground Ignition switch ON Below 1 V
    5. Turn the ignition switch off.
    6. Disconnect the cable from the negative (-) battery terminal.

      Result

      Proceed to
      OK
      NG

    Result:  2

    NG 

    See step  29

    Result:  1

    OK 

    See step  27

  27. REPLACE FRONT SEAT ADJUSTER SUB-ASSEMBLY RH 
    1. Replace the front seat adjuster sub-assembly RH.

      Refer to REMOVAL [08/2013 - ]

      NOTE:

      Replace the front seat inner belt assembly RH at the same time.

      HINT: 

      When the front seat inner belt assembly RH has a short to B+, the rear occupant classification sensors will be damaged. Therefore, replace the front seat inner belt assembly RH and front seat adjuster sub-assembly RH, which includes the rear occupant classification sensors.

    2. Connect the cable to the negative (-) battery terminal.

      Result

      Proceed to
      NEXT

    Result:  1

    NEXT 

    See step  28

  28. PERFORM ZERO POINT CALIBRATION AND SENSITIVITY CHECK 
    1. Using the Techstream, perform Zero Point Calibration and Sensitivity Check.

      Refer to INITIALIZATION [08/2013 - 08/2016]

      Body Electrical > Occupant Detection > Utility 

      Tester Display
      Zero Point Calibration & Sensitivity Check

      Result

      Proceed to
      NEXT

    Result:  1

    NEXT 

    END 

  29. REPLACE FRONT SEAT ADJUSTER SUB-ASSEMBLY RH 
    1. Replace the front seat adjuster sub-assembly RH.

      Refer to REMOVAL [08/2013 - ]

      NOTE:

      Replace the front seat wire RH at the same time.

      HINT: 

      When the front seat wire RH has a short to B+, the rear occupant classification sensors will be damaged. Therefore, replace the front seat wire RH and front seat adjuster sub-assembly RH, which includes the rear occupant classification sensors.

    2. Connect the cable to the negative (-) battery terminal.

      Result

      Proceed to
      NEXT

    Result:  1

    NEXT 

    See step  30

  30. PERFORM ZERO POINT CALIBRATION AND SENSITIVITY CHECK 
    1. Using the Techstream, perform Zero Point Calibration and Sensitivity Check.

      Refer to INITIALIZATION [08/2013 - 08/2016]

      Body Electrical > Occupant Detection > Utility 

      Tester Display
      Zero Point Calibration & Sensitivity Check

      Result

      Proceed to
      NEXT

    Result:  1

    NEXT 

    END