LEMON Manuals: Even more car manuals for everyone: 1960-2025
Home >> Toyota >> 2014 >> Corolla LE >> Repair and Diagnosis (Single Page) >> Transmission >> Automatic Trans >> Continuously Variable Transaxle - Diagnostic Codes (3 Of 3) & Circuit Tests (Model Code: ZRE172) >> Continuously Variable Transaxle System >> Circuit Tests >> Transmission Control Switch Circuit [08/2013 - 08/2016] >> Wiring Diagram
April 5, 2026: LEMON Manuals is launched! Read the announcement.

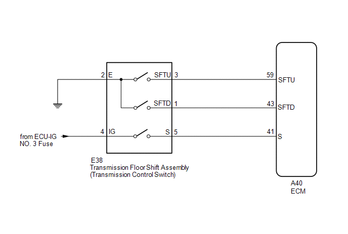
Transmission Control Switch Circuit [08/2013 - 08/2016]: Wiring Diagram

GTY447545Courtesy of © TOYOTA, LICENSE AGREEMENT TMS1002