LEMON Manuals: Even more car manuals for everyone: 1960-2025
Home >> Toyota >> 2014 >> Prius Four >> Repair and Diagnosis >> Engine Performance >> System >> Engine Control System (Diagnostic Codes & Circuit Tests) (Except Plug-In) >> SFI System >> Circuit Tests >> Fuel Pump Control Circuit [10/2013 - ] >> Wiring Diagram
April 5, 2026: LEMON Manuals is launched! Read the announcement.

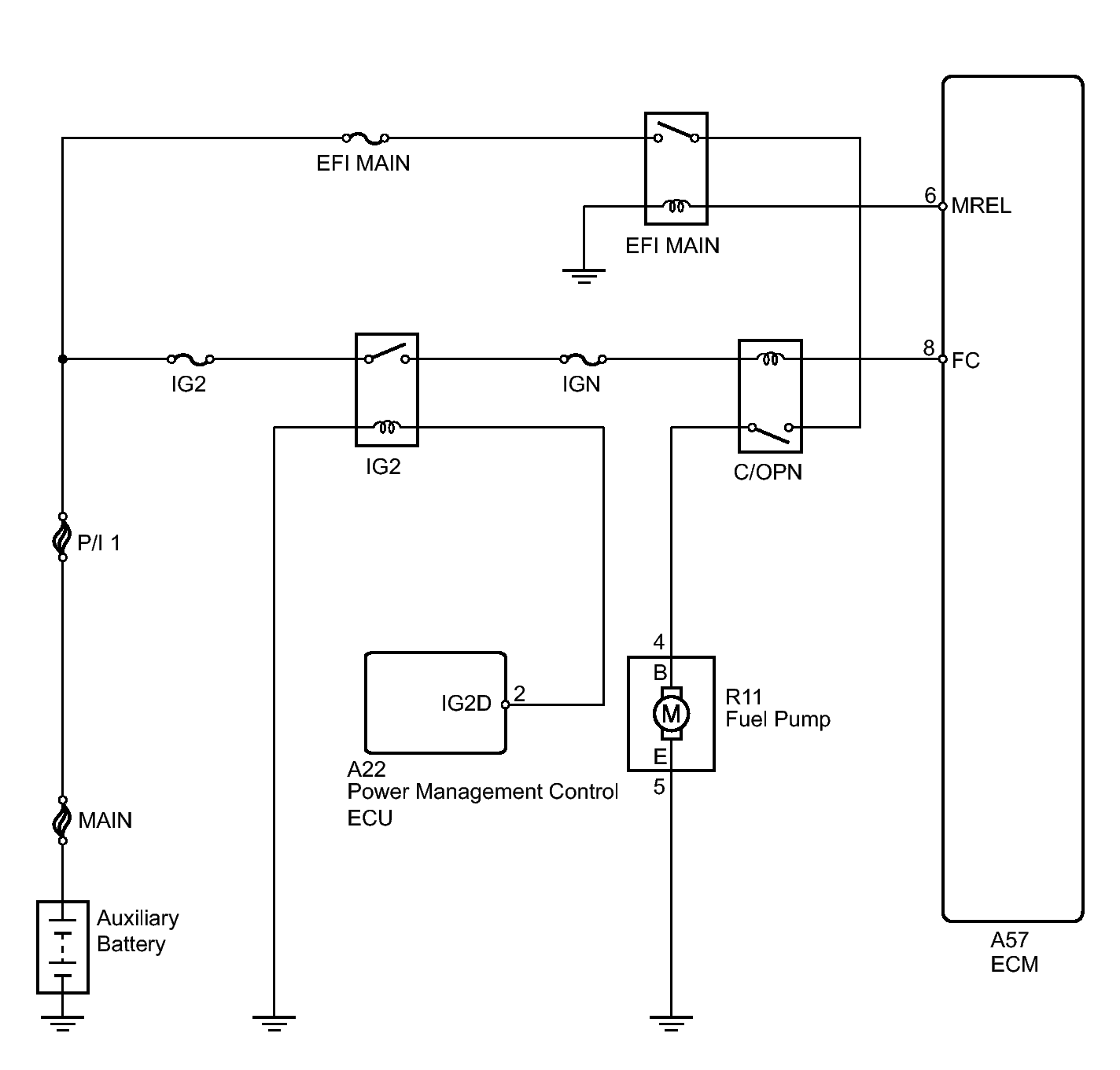
Fuel Pump Control Circuit [10/2013 - ]: Wiring Diagram

Fig 1: Fuel Pump Control Circuit Wiring Diagram
GTY329604Courtesy of © TOYOTA, LICENSE AGREEMENT TMS1002