LEMON Manuals: Even more car manuals for everyone: 1960-2025
Home >> Toyota >> 2016 >> Corolla LE >> Repair and Diagnosis >> Transmission >> Automatic Trans >> Continuously Variable Transaxle - Diagnostics - Introduction (Model Code: ZRE172) >> Continuously Variable Transaxle System >> System Diagram [08/2016 - ] >> System Diagram [08/2016 - ]
April 5, 2026: LEMON Manuals is launched! Read the announcement.

System Diagram [08/2016 - ]

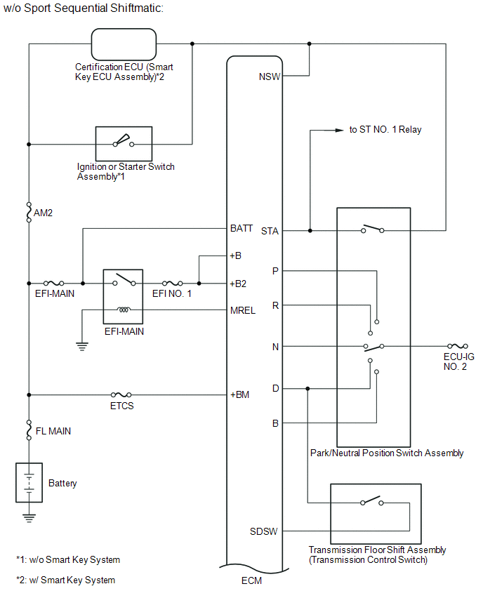
Fig 1: Continuously Variable Transaxle System Circuit Diagram (3 Of 3)
GTY708190Courtesy of © TOYOTA, LICENSE AGREEMENT TMS1002
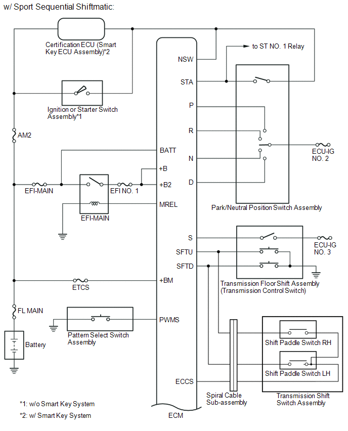
Fig 2: Continuously Variable Transaxle System Circuit Diagram (3 Of 3)
GTY702091Courtesy of © TOYOTA, LICENSE AGREEMENT TMS1002
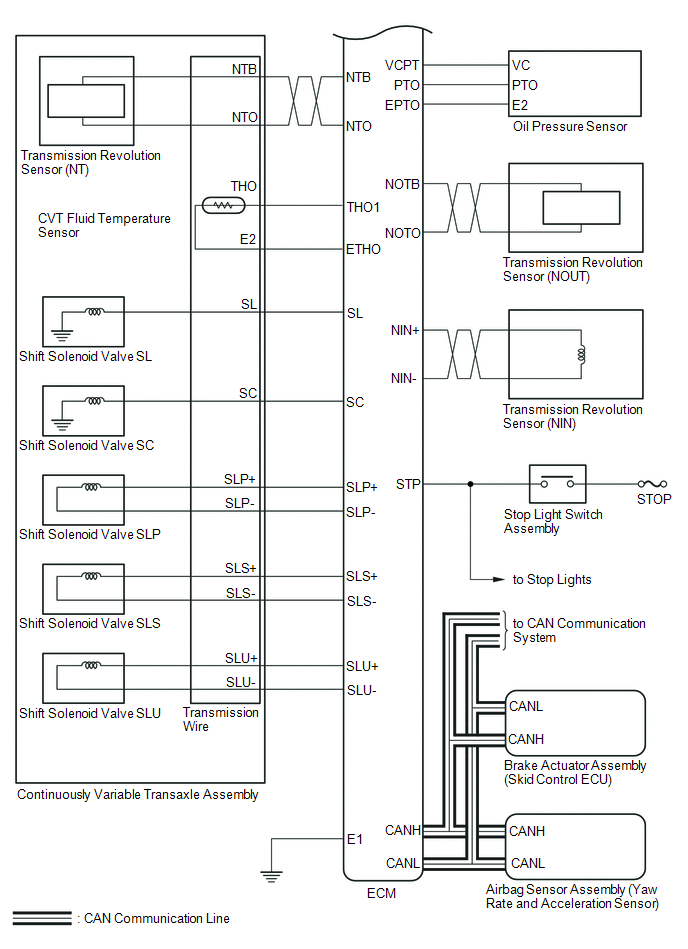
Fig 3: Continuously Variable Transaxle System Circuit Diagram (3 Of 3)
GTY451781Courtesy of © TOYOTA, LICENSE AGREEMENT TMS1002