LEMON Manuals: Even more car manuals for everyone: 1960-2025
Home >> Toyota >> 2016 >> RAV4 LE, AWD >> Repair and Diagnosis (Single Page) >> Electrical >> Body Electrical >> OEM System Circuits (Except Hybrid) >> Back Door Opener (W/Smart Key System) (From Oct. 2015 Production), Immobilizer System (W/Smart Key System) (From Oct. 2015 Production), Option Connector (Remote Engine Starter System) (W/Smart Key System) (From Oct. 2015 Production), Smart Key System (From Oct. 2015 Production), Starting (W/Smart Key System) (From Oct. 2015 Production), Steering Lock (W/Smart Key System) (From Oct. 2015 Production), Wireless Door Lock Control (W/Smart Key System) (From Oct. 2015 Production) >> System Diagrams
April 5, 2026: LEMON Manuals is launched! Read the announcement.

System Diagrams

Fig 1: Back Door Opener (W/Smart Key System) (From Oct. 2015 Production), Immobilizer System (W/Smart Key System) (From Oct. 2015 Production) (1 Of 23)
G12218490Courtesy of © TOYOTA, LICENSE AGREEMENT TMS1002
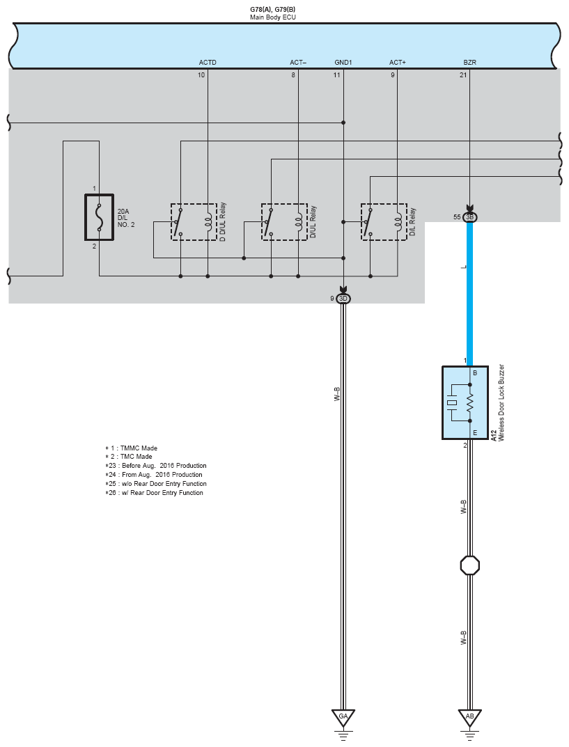
Fig 2: Back Door Opener (W/Smart Key System) (From Oct. 2015 Production), Immobilizer System (W/Smart Key System) (From Oct. 2015 Production) (2 Of 23)
G12218491Courtesy of © TOYOTA, LICENSE AGREEMENT TMS1002
Fig 3: Back Door Opener (W/Smart Key System) (From Oct. 2015 Production), Immobilizer System (W/Smart Key System) (From Oct. 2015 Production) (3 Of 23)
G12218492Courtesy of © TOYOTA, LICENSE AGREEMENT TMS1002
Fig 4: Back Door Opener (W/Smart Key System) (From Oct. 2015 Production), Immobilizer System (W/Smart Key System) (From Oct. 2015 Production) (4 Of 23)
G12218493Courtesy of © TOYOTA, LICENSE AGREEMENT TMS1002
Fig 5: Back Door Opener (W/Smart Key System) (From Oct. 2015 Production), Immobilizer System (W/Smart Key System) (From Oct. 2015 Production) (5 Of 23)
G12218494Courtesy of © TOYOTA, LICENSE AGREEMENT TMS1002
Fig 6: Back Door Opener (W/Smart Key System) (From Oct. 2015 Production), Immobilizer System (W/Smart Key System) (From Oct. 2015 Production) (6 Of 23)
G12218495Courtesy of © TOYOTA, LICENSE AGREEMENT TMS1002
Fig 7: Back Door Opener (W/Smart Key System) (From Oct. 2015 Production), Immobilizer System (W/Smart Key System) (From Oct. 2015 Production) (7 Of 23)
G12218496Courtesy of © TOYOTA, LICENSE AGREEMENT TMS1002
Fig 8: Back Door Opener (W/Smart Key System) (From Oct. 2015 Production), Immobilizer System (W/Smart Key System) (From Oct. 2015 Production) (8 Of 23)
G12218497Courtesy of © TOYOTA, LICENSE AGREEMENT TMS1002
Fig 9: Back Door Opener (W/Smart Key System) (From Oct. 2015 Production), Immobilizer System (W/Smart Key System) (From Oct. 2015 Production) (9 Of 23)
G12218498Courtesy of © TOYOTA, LICENSE AGREEMENT TMS1002
Fig 10: Back Door Opener (W/Smart Key System) (From Oct. 2015 Production), Immobilizer System (W/Smart Key System) (From Oct. 2015 Production) (10 Of 23)
G12218499Courtesy of © TOYOTA, LICENSE AGREEMENT TMS1002
Fig 11: Back Door Opener (W/Smart Key System) (From Oct. 2015 Production), Immobilizer System (W/Smart Key System) (From Oct. 2015 Production) (11 Of 23)
G12218500Courtesy of © TOYOTA, LICENSE AGREEMENT TMS1002
Fig 12: Back Door Opener (W/Smart Key System) (From Oct. 2015 Production), Immobilizer System (W/Smart Key System) (From Oct. 2015 Production) (12 Of 23)
G12218501Courtesy of © TOYOTA, LICENSE AGREEMENT TMS1002
Fig 13: Back Door Opener (W/Smart Key System) (From Oct. 2015 Production), Immobilizer System (W/Smart Key System) (From Oct. 2015 Production) (13 Of 23)
G12218502Courtesy of © TOYOTA, LICENSE AGREEMENT TMS1002
Fig 14: Back Door Opener (W/Smart Key System) (From Oct. 2015 Production), Immobilizer System (W/Smart Key System) (From Oct. 2015 Production) (14 Of 23)
G12218503Courtesy of © TOYOTA, LICENSE AGREEMENT TMS1002
Fig 15: Back Door Opener (W/Smart Key System) (From Oct. 2015 Production), Immobilizer System (W/Smart Key System) (From Oct. 2015 Production) (15 Of 23)
G12218504Courtesy of © TOYOTA, LICENSE AGREEMENT TMS1002
Fig 16: Back Door Opener (W/Smart Key System) (From Oct. 2015 Production), Immobilizer System (W/Smart Key System) (From Oct. 2015 Production) (16 Of 23)
G12218505Courtesy of © TOYOTA, LICENSE AGREEMENT TMS1002
Fig 17: Back Door Opener (W/Smart Key System) (From Oct. 2015 Production), Immobilizer System (W/Smart Key System) (From Oct. 2015 Production) (17 Of 23)
G12218506Courtesy of © TOYOTA, LICENSE AGREEMENT TMS1002
Fig 18: Back Door Opener (W/Smart Key System) (From Oct. 2015 Production), Immobilizer System (W/Smart Key System) (From Oct. 2015 Production) (18 Of 23)
G12218507Courtesy of © TOYOTA, LICENSE AGREEMENT TMS1002
Fig 19: Back Door Opener (W/Smart Key System) (From Oct. 2015 Production), Immobilizer System (W/Smart Key System) (From Oct. 2015 Production) (19 Of 23)
G12218508Courtesy of © TOYOTA, LICENSE AGREEMENT TMS1002
Fig 20: Back Door Opener (W/Smart Key System) (From Oct. 2015 Production), Immobilizer System (W/Smart Key System) (From Oct. 2015 Production) (20 Of 23)
G12218509Courtesy of © TOYOTA, LICENSE AGREEMENT TMS1002
Fig 21: Back Door Opener (W/Smart Key System) (From Oct. 2015 Production), Immobilizer System (W/Smart Key System) (From Oct. 2015 Production) (21 Of 23)
G12218510Courtesy of © TOYOTA, LICENSE AGREEMENT TMS1002
Fig 22: Back Door Opener (W/Smart Key System) (From Oct. 2015 Production), Immobilizer System (W/Smart Key System) (From Oct. 2015 Production) (22 Of 23)
G12218511Courtesy of © TOYOTA, LICENSE AGREEMENT TMS1002
Fig 23: Back Door Opener (W/Smart Key System) (From Oct. 2015 Production), Immobilizer System (W/Smart Key System) (From Oct. 2015 Production) (23 Of 23)
G12218512Courtesy of © TOYOTA, LICENSE AGREEMENT TMS1002