LEMON Manuals: Even more car manuals for everyone: 1960-2025
Home >> Toyota >> 2016 >> RAV4 LE, AWD >> Repair and Diagnosis (Single Page) >> Electrical >> Motors, Switches, Relays >> OEM Overall Electrical Wiring Diagram (Except Hybrid) >> Overall Electrical Wiring Diagram >> Back Door Opener (W/Smart Key System), Immobilizer System (W/Smart Key System), Smart Key System, Starting (W/Smart Key System), Steering Lock (W/Smart Key System) And Wireless Door Lock Control (W/Smart Key System)
April 5, 2026: LEMON Manuals is launched! Read the announcement.

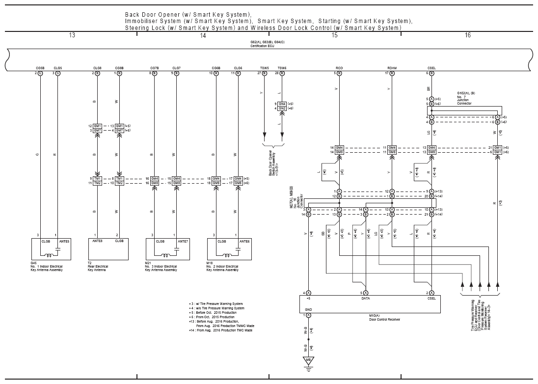
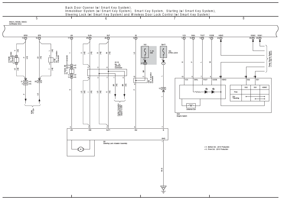
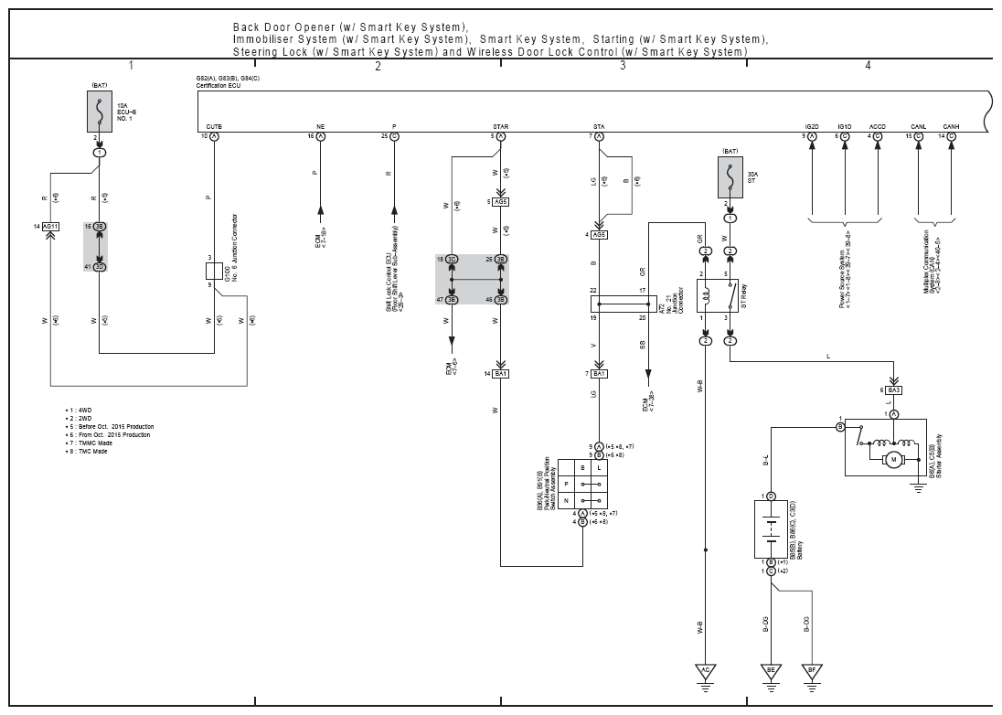
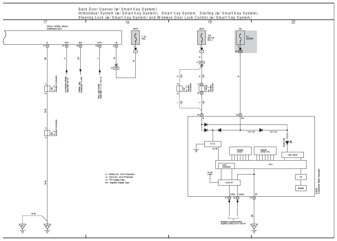
Back Door Opener (W/Smart Key System), Immobilizer System (W/Smart Key System), Smart Key System, Starting (W/Smart Key System), Steering Lock (W/Smart Key System) And Wireless Door Lock Control (W/Smart Key System)

G12232761
G12232762
G12232763
G12232764
G12232765