LEMON Manuals: Even more car manuals for everyone: 1960-2025
Home >> Toyota >> 2017 >> 4Runner TRD Pro >> Repair and Diagnosis (Single Page) >> Electrical >> Body Electrical >> OEM Overall Electrical Wiring Diagram >> Overall Electrical Wiring Diagram >> Engine Immobilizer System (W/Smart Key System), Smart Key System, Starting (W/Smart Key System), Steering Lock (W/Smart Key System) And Wireless Door Lock Control (W/Smart Key System)
April 5, 2026: LEMON Manuals is launched! Read the announcement.

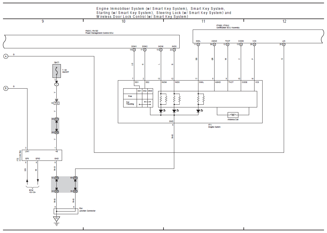
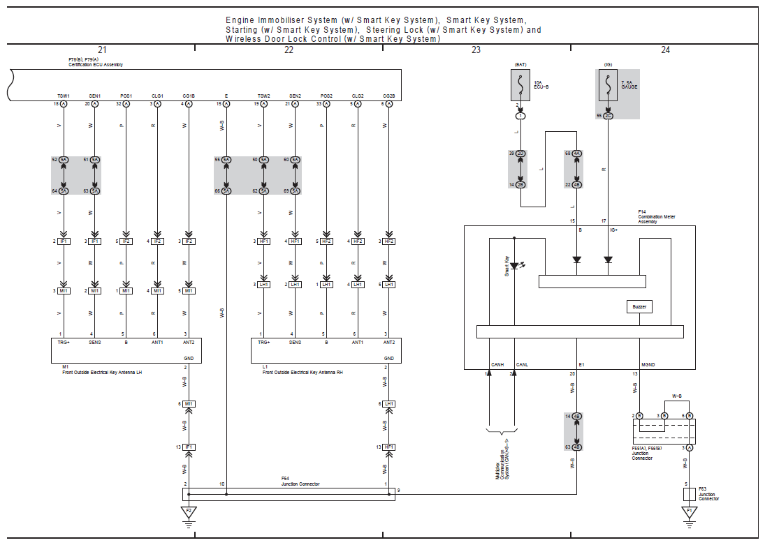
Engine Immobilizer System (W/Smart Key System), Smart Key System, Starting (W/Smart Key System), Steering Lock (W/Smart Key System) And Wireless Door Lock Control (W/Smart Key System)

G12197644
G12197645
G12197646
G12197647
G12197648
G12197649