LEMON Manuals: Even more car manuals for everyone: 1960-2025
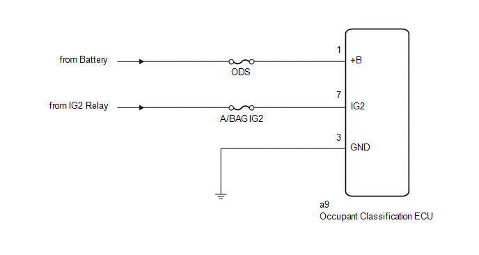
Home >> Toyota >> 2017 >> 4Runner TRD Pro >> Repair and Diagnosis (Single Page) >> Restraints >> Air Bag, SRS >> Occupant Classification System - Diagnostic Codes & Symptom Tests >> Occupant Classification System >> DTC B1794: Open in Occupant Classification ECU Battery Positive Line [08/2019 - ] >> Wiring Diagram
April 5, 2026: LEMON Manuals is launched! Read the announcement.

DTC B1794: Open in Occupant Classification ECU Battery Positive Line [08/2019 - ]: Wiring Diagram

GTY900123Courtesy of © TOYOTA, LICENSE AGREEMENT TMS1002