LEMON Manuals: Even more car manuals for everyone: 1960-2025
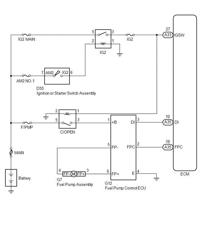
Home >> Toyota >> 2017 >> 86 Base, Standard Trans >> Repair and Diagnosis (Single Page) >> Engine Performance >> System >> Engine Control System - Circuit Tests >> SFI System >> Fuel Pump Control Circuit [06/2016 - 03/2017] >> Wiring Diagram
April 5, 2026: LEMON Manuals is launched! Read the announcement.

Fuel Pump Control Circuit [06/2016 - 03/2017]: Wiring Diagram

GTY712871Courtesy of © TOYOTA, LICENSE AGREEMENT TMS1002