LEMON Manuals: Even more car manuals for everyone: 1960-2025
Home >> Toyota >> 2017 >> 86 Base, Standard Trans >> Repair and Diagnosis (Single Page) >> Engine Performance >> System >> Engine Control System - Circuit Tests >> SFI System >> VC Output Circuit [06/2016 - ] >> Wiring Diagram
April 5, 2026: LEMON Manuals is launched! Read the announcement.

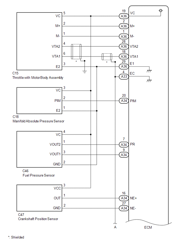
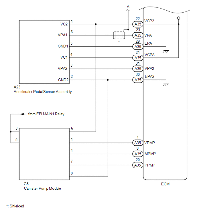
VC Output Circuit [06/2016 - ]: Wiring Diagram

GTY707514Courtesy of © TOYOTA, LICENSE AGREEMENT TMS1002
GTY712762Courtesy of © TOYOTA, LICENSE AGREEMENT TMS1002