LEMON Manuals: Even more car manuals for everyone: 1960-2025
Home >> Toyota >> 2017 >> Camry LE >> Repair and Diagnosis (Single Page) >> Electrical >> Motors, Switches, Relays >> OEM System Circuits (Except Hybrid) >> Engine Immobiliser System (W/Smart Key System), Remote Engine Starter System, Smart Key System, Starting (W/Smart Key System), Steering Lock (W/Smart Key System), Wireless Door Lock Control (W/Smart Key System) >> System Diagrams
April 5, 2026: LEMON Manuals is launched! Read the announcement.

System Diagrams

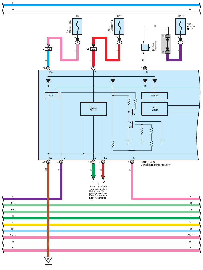
Fig 1: Engine Immobiliser System (W/Smart Key System), Remote Engine Starter System, Smart Key System, Starting (W/Smart Key System), Steering Lock (W/Smart Key System), Wireless Door Lock Control (W/Smart Key System) - (1 Of 20)
G12200259Courtesy of © TOYOTA, LICENSE AGREEMENT TMS1002
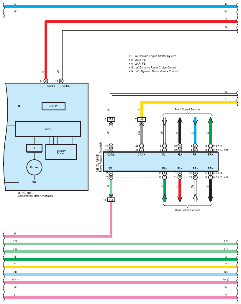
Fig 2: Engine Immobiliser System (W/Smart Key System), Remote Engine Starter System, Smart Key System, Starting (W/Smart Key System), Steering Lock (W/Smart Key System), Wireless Door Lock Control (W/Smart Key System) - (2 Of 20)
G12200260Courtesy of © TOYOTA, LICENSE AGREEMENT TMS1002
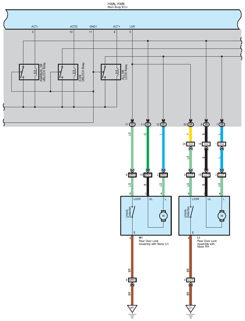
Fig 3: Engine Immobiliser System (W/Smart Key System), Remote Engine Starter System, Smart Key System, Starting (W/Smart Key System), Steering Lock (W/Smart Key System), Wireless Door Lock Control (W/Smart Key System) - (3 Of 20)
G12200261Courtesy of © TOYOTA, LICENSE AGREEMENT TMS1002
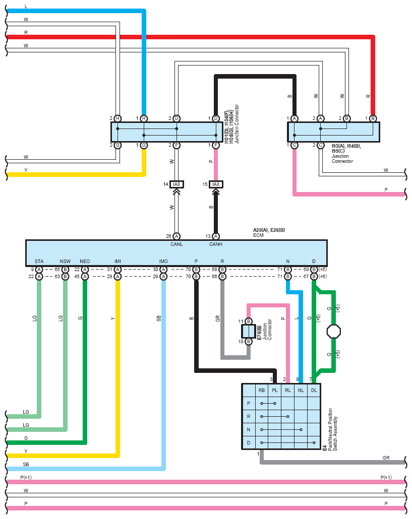
Fig 4: Engine Immobiliser System (W/Smart Key System), Remote Engine Starter System, Smart Key System, Starting (W/Smart Key System), Steering Lock (W/Smart Key System), Wireless Door Lock Control (W/Smart Key System) - (4 Of 20)
G12200262Courtesy of © TOYOTA, LICENSE AGREEMENT TMS1002
Fig 5: Engine Immobiliser System (W/Smart Key System), Remote Engine Starter System, Smart Key System, Starting (W/Smart Key System), Steering Lock (W/Smart Key System), Wireless Door Lock Control (W/Smart Key System) - (5 Of 20)
G12200263Courtesy of © TOYOTA, LICENSE AGREEMENT TMS1002
Fig 6: Engine Immobiliser System (W/Smart Key System), Remote Engine Starter System, Smart Key System, Starting (W/Smart Key System), Steering Lock (W/Smart Key System), Wireless Door Lock Control (W/Smart Key System) - (6 Of 20)
G12200264Courtesy of © TOYOTA, LICENSE AGREEMENT TMS1002
Fig 7: Engine Immobiliser System (W/Smart Key System), Remote Engine Starter System, Smart Key System, Starting (W/Smart Key System), Steering Lock (W/Smart Key System), Wireless Door Lock Control (W/Smart Key System) - (7 Of 20)
G12200265Courtesy of © TOYOTA, LICENSE AGREEMENT TMS1002
Fig 8: Engine Immobiliser System (W/Smart Key System), Remote Engine Starter System, Smart Key System, Starting (W/Smart Key System), Steering Lock (W/Smart Key System), Wireless Door Lock Control (W/Smart Key System) - (8 Of 20)
G12200266Courtesy of © TOYOTA, LICENSE AGREEMENT TMS1002
Fig 9: Engine Immobiliser System (W/Smart Key System), Remote Engine Starter System, Smart Key System, Starting (W/Smart Key System), Steering Lock (W/Smart Key System), Wireless Door Lock Control (W/Smart Key System) - (9 Of 20)
G12200267Courtesy of © TOYOTA, LICENSE AGREEMENT TMS1002
Fig 10: Engine Immobiliser System (W/Smart Key System), Remote Engine Starter System, Smart Key System, Starting (W/Smart Key System), Steering Lock (W/Smart Key System), Wireless Door Lock Control (W/Smart Key System) - (10 Of 20)
G12200268Courtesy of © TOYOTA, LICENSE AGREEMENT TMS1002
Fig 11: Engine Immobiliser System (W/Smart Key System), Remote Engine Starter System, Smart Key System, Starting (W/Smart Key System), Steering Lock (W/Smart Key System), Wireless Door Lock Control (W/Smart Key System) - (11 Of 20)
G12200269Courtesy of © TOYOTA, LICENSE AGREEMENT TMS1002
Fig 12: Engine Immobiliser System (W/Smart Key System), Remote Engine Starter System, Smart Key System, Starting (W/Smart Key System), Steering Lock (W/Smart Key System), Wireless Door Lock Control (W/Smart Key System) - (12 Of 20)
G12200270Courtesy of © TOYOTA, LICENSE AGREEMENT TMS1002
Fig 13: Engine Immobiliser System (W/Smart Key System), Remote Engine Starter System, Smart Key System, Starting (W/Smart Key System), Steering Lock (W/Smart Key System), Wireless Door Lock Control (W/Smart Key System) - (13 Of 20)
G12200271Courtesy of © TOYOTA, LICENSE AGREEMENT TMS1002
Fig 14: Engine Immobiliser System (W/Smart Key System), Remote Engine Starter System, Smart Key System, Starting (W/Smart Key System), Steering Lock (W/Smart Key System), Wireless Door Lock Control (W/Smart Key System) - (14 Of 20)
G12200272Courtesy of © TOYOTA, LICENSE AGREEMENT TMS1002
Fig 15: Engine Immobiliser System (W/Smart Key System), Remote Engine Starter System, Smart Key System, Starting (W/Smart Key System), Steering Lock (W/Smart Key System), Wireless Door Lock Control (W/Smart Key System) - (15 Of 20)
G12200273Courtesy of © TOYOTA, LICENSE AGREEMENT TMS1002
Fig 16: Engine Immobiliser System (W/Smart Key System), Remote Engine Starter System, Smart Key System, Starting (W/Smart Key System), Steering Lock (W/Smart Key System), Wireless Door Lock Control (W/Smart Key System) - (16 Of 20)
G12200274Courtesy of © TOYOTA, LICENSE AGREEMENT TMS1002
Fig 17: Engine Immobiliser System (W/Smart Key System), Remote Engine Starter System, Smart Key System, Starting (W/Smart Key System), Steering Lock (W/Smart Key System), Wireless Door Lock Control (W/Smart Key System) - (17 Of 20)
G12200275Courtesy of © TOYOTA, LICENSE AGREEMENT TMS1002
Fig 18: Engine Immobiliser System (W/Smart Key System), Remote Engine Starter System, Smart Key System, Starting (W/Smart Key System), Steering Lock (W/Smart Key System), Wireless Door Lock Control (W/Smart Key System) - (18 Of 20)
G12200276Courtesy of © TOYOTA, LICENSE AGREEMENT TMS1002
Fig 19: Engine Immobiliser System (W/Smart Key System), Remote Engine Starter System, Smart Key System, Starting (W/Smart Key System), Steering Lock (W/Smart Key System), Wireless Door Lock Control (W/Smart Key System) - (19 Of 20)
G12200277Courtesy of © TOYOTA, LICENSE AGREEMENT TMS1002
Fig 20: Engine Immobiliser System (W/Smart Key System), Remote Engine Starter System, Smart Key System, Starting (W/Smart Key System), Steering Lock (W/Smart Key System), Wireless Door Lock Control (W/Smart Key System) - (20 Of 20)
G12200278Courtesy of © TOYOTA, LICENSE AGREEMENT TMS1002