LEMON Manuals: Even more car manuals for everyone: 1960-2025
Home >> Toyota >> 2017 >> Highlander LE Plus, AWD >> Repair and Diagnosis (Single Page) >> Electrical >> Body Electrical >> OEM System Circuits (Except Hybrid) >> Audio System (6 Speaker W/O Navigation System), Back Guide Monitor System (6 Speaker), Rear View Monitor System (W/O Navigation System) >> System Diagrams
April 5, 2026: LEMON Manuals is launched! Read the announcement.

System Diagrams

Fig 1: Audio System (6 Speaker W/O Navigation System), Back Guide Monitor System (6 Speaker), Rear View Monitor System (W/O Navigation System) (1 Of 17)
G12240560Courtesy of © TOYOTA, LICENSE AGREEMENT TMS1002
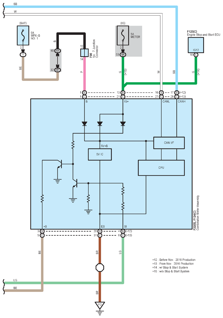
Fig 2: Audio System (6 Speaker W/O Navigation System), Back Guide Monitor System (6 Speaker), Rear View Monitor System (W/O Navigation System) (2 Of 17)
G12240561Courtesy of © TOYOTA, LICENSE AGREEMENT TMS1002
Fig 3: Audio System (6 Speaker W/O Navigation System), Back Guide Monitor System (6 Speaker), Rear View Monitor System (W/O Navigation System) (3 Of 17)
G12240562Courtesy of © TOYOTA, LICENSE AGREEMENT TMS1002
Fig 4: Audio System (6 Speaker W/O Navigation System), Back Guide Monitor System (6 Speaker), Rear View Monitor System (W/O Navigation System) (4 Of 17)
G12240563Courtesy of © TOYOTA, LICENSE AGREEMENT TMS1002
Fig 5: Audio System (6 Speaker W/O Navigation System), Back Guide Monitor System (6 Speaker), Rear View Monitor System (W/O Navigation System) (5 Of 17)
G12240564Courtesy of © TOYOTA, LICENSE AGREEMENT TMS1002
Fig 6: Audio System (6 Speaker W/O Navigation System), Back Guide Monitor System (6 Speaker), Rear View Monitor System (W/O Navigation System) (6 Of 17)
G12240565Courtesy of © TOYOTA, LICENSE AGREEMENT TMS1002
Fig 7: Audio System (6 Speaker W/O Navigation System), Back Guide Monitor System (6 Speaker), Rear View Monitor System (W/O Navigation System) (7 Of 17)
G12240566Courtesy of © TOYOTA, LICENSE AGREEMENT TMS1002
Fig 8: Audio System (6 Speaker W/O Navigation System), Back Guide Monitor System (6 Speaker), Rear View Monitor System (W/O Navigation System) (8 Of 17)
G12240567Courtesy of © TOYOTA, LICENSE AGREEMENT TMS1002
Fig 9: Audio System (6 Speaker W/O Navigation System), Back Guide Monitor System (6 Speaker), Rear View Monitor System (W/O Navigation System) (9 Of 17)
G12240568Courtesy of © TOYOTA, LICENSE AGREEMENT TMS1002
Fig 10: Audio System (6 Speaker W/O Navigation System), Back Guide Monitor System (6 Speaker), Rear View Monitor System (W/O Navigation System) (10 Of 17)
G12240569Courtesy of © TOYOTA, LICENSE AGREEMENT TMS1002
Fig 11: Audio System (6 Speaker W/O Navigation System), Back Guide Monitor System (6 Speaker), Rear View Monitor System (W/O Navigation System) (11 Of 17)
G12240570Courtesy of © TOYOTA, LICENSE AGREEMENT TMS1002
Fig 12: Audio System (6 Speaker W/O Navigation System), Back Guide Monitor System (6 Speaker), Rear View Monitor System (W/O Navigation System) (12 Of 17)
G12240571Courtesy of © TOYOTA, LICENSE AGREEMENT TMS1002
Fig 13: Audio System (6 Speaker W/O Navigation System), Back Guide Monitor System (6 Speaker), Rear View Monitor System (W/O Navigation System) (13 Of 17)
G12240572Courtesy of © TOYOTA, LICENSE AGREEMENT TMS1002
Fig 14: Audio System (6 Speaker W/O Navigation System), Back Guide Monitor System (6 Speaker), Rear View Monitor System (W/O Navigation System) (14 Of 17)
G12240573Courtesy of © TOYOTA, LICENSE AGREEMENT TMS1002
Fig 15: Audio System (6 Speaker W/O Navigation System), Back Guide Monitor System (6 Speaker), Rear View Monitor System (W/O Navigation System) (15 Of 17)
G12240574Courtesy of © TOYOTA, LICENSE AGREEMENT TMS1002
Fig 16: Audio System (6 Speaker W/O Navigation System), Back Guide Monitor System (6 Speaker), Rear View Monitor System (W/O Navigation System) (16 Of 17)
G12240575Courtesy of © TOYOTA, LICENSE AGREEMENT TMS1002
Fig 17: Audio System (6 Speaker W/O Navigation System), Back Guide Monitor System (6 Speaker), Rear View Monitor System (W/O Navigation System) (17 Of 17)
G12240576Courtesy of © TOYOTA, LICENSE AGREEMENT TMS1002