LEMON Manuals: Even more car manuals for everyone: 1960-2025
Home >> Toyota >> 2017 >> Highlander LE Plus, AWD >> Repair and Diagnosis (Single Page) >> Electrical >> Body Electrical >> OEM System Circuits (Except Hybrid) >> Back Door Opener (W/Smart Key System), Immobilizer System, Option Connector (Remote Engine Starter System), Smart Key System, Starting (W/Smart Key System), Steering Lock, Wireless Door Lock Control (W/Smart Key System) >> System Diagrams
April 5, 2026: LEMON Manuals is launched! Read the announcement.

System Diagrams

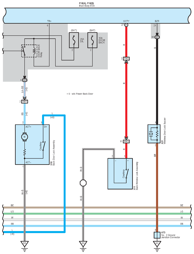
Fig 1: Back Door Opener (W/Smart Key System), Immobilizer System, Option Connector (Remote Engine Starter System), Smart Key System, Starting (W/Smart Key System), Steering Lock, Wireless Door Lock Control (W/Smart Key System) (1 Of 22)
G12241293Courtesy of © TOYOTA, LICENSE AGREEMENT TMS1002
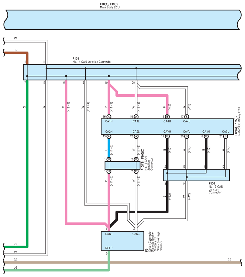
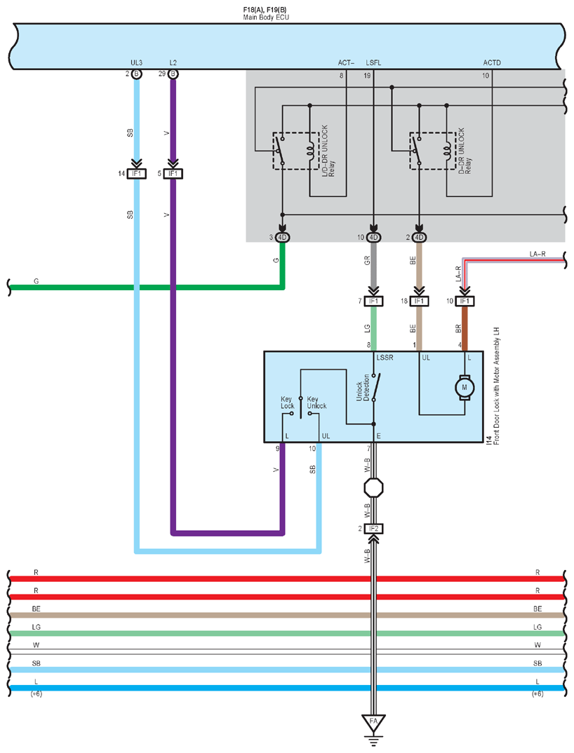
Fig 2: Back Door Opener (W/Smart Key System), Immobilizer System, Option Connector (Remote Engine Starter System), Smart Key System, Starting (W/Smart Key System), Steering Lock, Wireless Door Lock Control (W/Smart Key System) (2 Of 22)
G12241294Courtesy of © TOYOTA, LICENSE AGREEMENT TMS1002
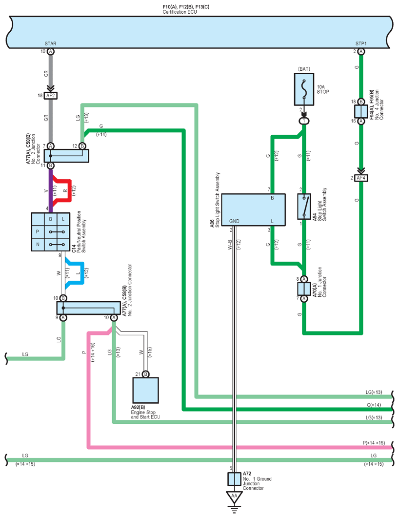
Fig 3: Back Door Opener (W/Smart Key System), Immobilizer System, Option Connector (Remote Engine Starter System), Smart Key System, Starting (W/Smart Key System), Steering Lock, Wireless Door Lock Control (W/Smart Key System) (3 Of 22)
G12241295Courtesy of © TOYOTA, LICENSE AGREEMENT TMS1002
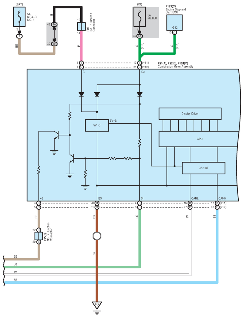
Fig 4: Back Door Opener (W/Smart Key System), Immobilizer System, Option Connector (Remote Engine Starter System), Smart Key System, Starting (W/Smart Key System), Steering Lock, Wireless Door Lock Control (W/Smart Key System) (4 Of 22)
G12241296Courtesy of © TOYOTA, LICENSE AGREEMENT TMS1002
Fig 5: Back Door Opener (W/Smart Key System), Immobilizer System, Option Connector (Remote Engine Starter System), Smart Key System, Starting (W/Smart Key System), Steering Lock, Wireless Door Lock Control (W/Smart Key System) (5 Of 22)
G12241297Courtesy of © TOYOTA, LICENSE AGREEMENT TMS1002
Fig 6: Back Door Opener (W/Smart Key System), Immobilizer System, Option Connector (Remote Engine Starter System), Smart Key System, Starting (W/Smart Key System), Steering Lock, Wireless Door Lock Control (W/Smart Key System) (6 Of 22)
G12241298Courtesy of © TOYOTA, LICENSE AGREEMENT TMS1002
Fig 7: Back Door Opener (W/Smart Key System), Immobilizer System, Option Connector (Remote Engine Starter System), Smart Key System, Starting (W/Smart Key System), Steering Lock, Wireless Door Lock Control (W/Smart Key System) (7 Of 22)
G12241299Courtesy of © TOYOTA, LICENSE AGREEMENT TMS1002
Fig 8: Back Door Opener (W/Smart Key System), Immobilizer System, Option Connector (Remote Engine Starter System), Smart Key System, Starting (W/Smart Key System), Steering Lock, Wireless Door Lock Control (W/Smart Key System) (8 Of 22)
G12241300Courtesy of © TOYOTA, LICENSE AGREEMENT TMS1002
Fig 9: Back Door Opener (W/Smart Key System), Immobilizer System, Option Connector (Remote Engine Starter System), Smart Key System, Starting (W/Smart Key System), Steering Lock, Wireless Door Lock Control (W/Smart Key System) (9 Of 22)
G12241301Courtesy of © TOYOTA, LICENSE AGREEMENT TMS1002
Fig 10: Back Door Opener (W/Smart Key System), Immobilizer System, Option Connector (Remote Engine Starter System), Smart Key System, Starting (W/Smart Key System), Steering Lock, Wireless Door Lock Control (W/Smart Key System) (10 Of 22)
G12241302Courtesy of © TOYOTA, LICENSE AGREEMENT TMS1002
Fig 11: Back Door Opener (W/Smart Key System), Immobilizer System, Option Connector (Remote Engine Starter System), Smart Key System, Starting (W/Smart Key System), Steering Lock, Wireless Door Lock Control (W/Smart Key System) (11 Of 22)
G12241303Courtesy of © TOYOTA, LICENSE AGREEMENT TMS1002
Fig 12: Back Door Opener (W/Smart Key System), Immobilizer System, Option Connector (Remote Engine Starter System), Smart Key System, Starting (W/Smart Key System), Steering Lock, Wireless Door Lock Control (W/Smart Key System) (12 Of 22)
G12241304Courtesy of © TOYOTA, LICENSE AGREEMENT TMS1002
Fig 13: Back Door Opener (W/Smart Key System), Immobilizer System, Option Connector (Remote Engine Starter System), Smart Key System, Starting (W/Smart Key System), Steering Lock, Wireless Door Lock Control (W/Smart Key System) (13 Of 22)
G12241305Courtesy of © TOYOTA, LICENSE AGREEMENT TMS1002
Fig 14: Back Door Opener (W/Smart Key System), Immobilizer System, Option Connector (Remote Engine Starter System), Smart Key System, Starting (W/Smart Key System), Steering Lock, Wireless Door Lock Control (W/Smart Key System) (14 Of 22)
G12241306Courtesy of © TOYOTA, LICENSE AGREEMENT TMS1002
Fig 15: Back Door Opener (W/Smart Key System), Immobilizer System, Option Connector (Remote Engine Starter System), Smart Key System, Starting (W/Smart Key System), Steering Lock, Wireless Door Lock Control (W/Smart Key System) (15 Of 22)
G12241307Courtesy of © TOYOTA, LICENSE AGREEMENT TMS1002
Fig 16: Back Door Opener (W/Smart Key System), Immobilizer System, Option Connector (Remote Engine Starter System), Smart Key System, Starting (W/Smart Key System), Steering Lock, Wireless Door Lock Control (W/Smart Key System) (16 Of 22)
G12241308Courtesy of © TOYOTA, LICENSE AGREEMENT TMS1002
Fig 17: Back Door Opener (W/Smart Key System), Immobilizer System, Option Connector (Remote Engine Starter System), Smart Key System, Starting (W/Smart Key System), Steering Lock, Wireless Door Lock Control (W/Smart Key System) (17 Of 22)
G12241309Courtesy of © TOYOTA, LICENSE AGREEMENT TMS1002
Fig 18: Back Door Opener (W/Smart Key System), Immobilizer System, Option Connector (Remote Engine Starter System), Smart Key System, Starting (W/Smart Key System), Steering Lock, Wireless Door Lock Control (W/Smart Key System) (18 Of 22)
G12241310Courtesy of © TOYOTA, LICENSE AGREEMENT TMS1002
Fig 19: Back Door Opener (W/Smart Key System), Immobilizer System, Option Connector (Remote Engine Starter System), Smart Key System, Starting (W/Smart Key System), Steering Lock, Wireless Door Lock Control (W/Smart Key System) (19 Of 22)
G12241311Courtesy of © TOYOTA, LICENSE AGREEMENT TMS1002
Fig 20: Back Door Opener (W/Smart Key System), Immobilizer System, Option Connector (Remote Engine Starter System), Smart Key System, Starting (W/Smart Key System), Steering Lock, Wireless Door Lock Control (W/Smart Key System) (20 Of 22)
G12241312Courtesy of © TOYOTA, LICENSE AGREEMENT TMS1002
Fig 21: Back Door Opener (W/Smart Key System), Immobilizer System, Option Connector (Remote Engine Starter System), Smart Key System, Starting (W/Smart Key System), Steering Lock, Wireless Door Lock Control (W/Smart Key System) (21 Of 22)
G12241313Courtesy of © TOYOTA, LICENSE AGREEMENT TMS1002
Fig 22: Back Door Opener (W/Smart Key System), Immobilizer System, Option Connector (Remote Engine Starter System), Smart Key System, Starting (W/Smart Key System), Steering Lock, Wireless Door Lock Control (W/Smart Key System) (22 Of 22)
G12241314Courtesy of © TOYOTA, LICENSE AGREEMENT TMS1002