LEMON Manuals: Even more car manuals for everyone: 1960-2025
Home >> Toyota >> 2018 >> Corolla LE >> Repair and Diagnosis (Single Page) >> Restraints >> Restraints Control Systems >> Seat Belt Warning System (W/O Occupant Classification System) - Diagnostics & Symptom Tests (Model Code: ZRE172) >> SEAT BELT WARNING SYSTEM (W/O Occupant Classification System) >> System Diagram [08/2016 - 08/2017] >> System Diagram [08/2016 - 08/2017]
April 5, 2026: LEMON Manuals is launched! Read the announcement.

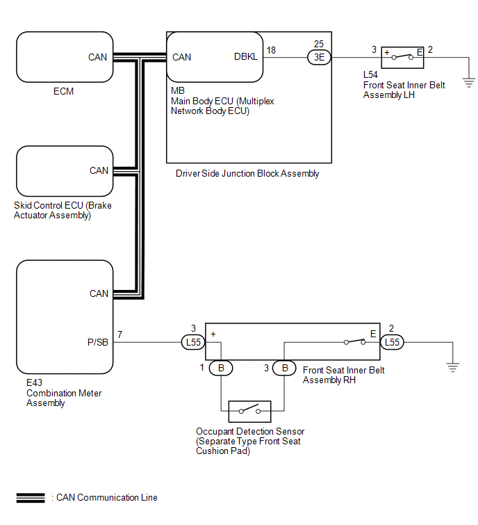
System Diagram [08/2016 - 08/2017]

Fig 1: Seat Belt Warning System (w/o Occupant Classification System) Circuit Diagram
GTY445100Courtesy of © TOYOTA, LICENSE AGREEMENT TMS1002
COMMUNICATION TABLE

Sender Receiver Signal Communication Method
Main body ECU (Multiplex network body ECU) Combination meter assembly
  • Front seat inner belt assembly LH buckle switch
  • Parking brake switch
CAN
Skid control ECU (Brake actuator assembly) Combination meter assembly Vehicle speed
ECM Combination meter assembly
  • Gear position*1
  • Shift position*2