LEMON Manuals: Even more car manuals for everyone: 1960-2025
Home >> Toyota >> 2018 >> Prius Prime Advanced >> Repair and Diagnosis (Single Page) >> Restraints >> Restraints Control Systems >> Pre-Collision System - Diagnostics - Introduction >> Pre-Collision System >> System Diagram [09/2016 - 05/2019] >> System Diagram [09/2016 - 05/2019]
April 5, 2026: LEMON Manuals is launched! Read the announcement.

System Diagram [09/2016 - 05/2019]

Fig 1: Pre-Collision System Wiring Diagram [09/2016 - 05/2019] (1 Of 4)
GTY723059Courtesy of © TOYOTA, LICENSE AGREEMENT TMS1002
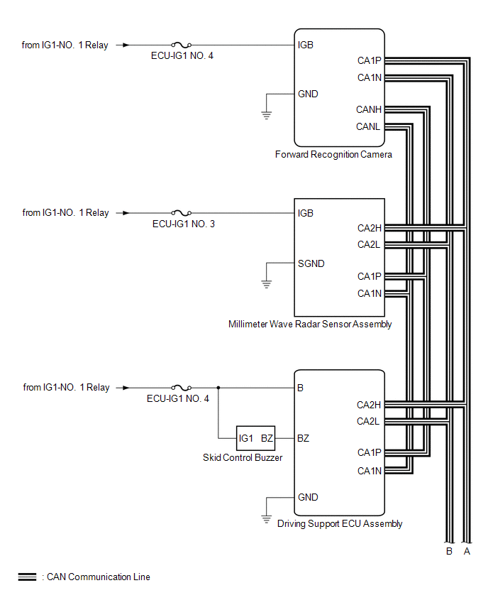
Fig 2: Pre-Collision System Wiring Diagram [09/2016 - 05/2019] (2 Of 4)
GTY711648Courtesy of © TOYOTA, LICENSE AGREEMENT TMS1002
Fig 3: Pre-Collision System Wiring Diagram [09/2016 - 05/2019] (3 Of 4)
GTY711798Courtesy of © TOYOTA, LICENSE AGREEMENT TMS1002
Fig 4: Pre-Collision System Wiring Diagram [09/2016 - 05/2019] (4 Of 4)
GTY711234Courtesy of © TOYOTA, LICENSE AGREEMENT TMS1002
COMMUNICATION TABLE

Sender Receiver Signal Line
Driving Support ECU Assembly Skid Control ECU (Brake Booster with Master Cylinder Assembly)
  • Brake assist standby signal
  • Pre-collision braking operation signal
CAN
Driving Support ECU Assembly Combination Meter Assembly
  • Pre-collision system malfunction signal
  • Pre-collision system warning distance signal
  • Warning signal
  • Pre-collision system cancel signal
CAN
Driving Support ECU Assembly Forward Recognition Camera
  • Pre-collision warning signal
  • Pre-collision braking operation signal
CAN
Skid Control ECU (Brake Booster with Master Cylinder Assembly) Driving Support ECU Assembly
  • Vehicle speed signal
  • Stop light switch signal
  • Vehicle yaw rate sensor signal
  • Electronically controlled brake system operation signal
  • Electronically controlled brake system malfunction signal
CAN
Skid Control ECU (Brake Booster with Master Cylinder Assembly) Forward Recognition Camera
  • Vehicle speed signal
  • Vehicle yaw rate sensor signal
CAN
Yaw Rate Sensor (Airbag Sensor Assembly) Driving Support ECU Assembly Vehicle yaw rate sensor signal CAN
Yaw Rate Sensor (Airbag Sensor Assembly) Forward Recognition Camera Vehicle yaw rate sensor signal CAN
Main Body ECU (Multiplex Network Body ECU) Driving Support ECU Assembly Vehicle specification information (destination) CAN
Main Body ECU (Multiplex Network Body ECU) Forward Recognition Camera Vehicle specification information (destination) CAN
Steering Sensor Driving Support ECU Assembly
  • Steering angle sensor signal
  • Steering angle sensor malfunction signal
CAN
Steering Sensor Forward Recognition Camera Steering angle sensor malfunction signal CAN
Hybrid Vehicle Control ECU Driving Support ECU Assembly
  • Shift position signal (D, R)
  • Engine type information signal
  • Vehicle specification information (2WD/4WD information)
CAN
Millimeter Wave Radar Sensor Assembly Driving Support ECU Assembly
  • Front obstacle recognition signal
  • Distance signal
  • Relative speed signal
CAN
Forward Recognition Camera Driving Support ECU Assembly
  • Front obstacle recognition signal
  • Distance signal
CAN
Driving Support ECU Assembly Headup Display (Combination Meter Mirror ECU)* Warning signal CAN

() *: w/ Headup Display System