LEMON Manuals: Even more car manuals for everyone: 1960-2025
Home >> Toyota >> 2019 >> Mirai >> Repair and Diagnosis >> Body & Frame >> Door Locks >> Smart Key System (For Entry Function) - Diagnostics - Introduction >> SMART KEY SYSTEM (for Entry Function) >> System Diagram [06/2015 - ] >> System Diagram [06/2015 - ]
April 5, 2026: LEMON Manuals is launched! Read the announcement.

System Diagram [06/2015 - ]

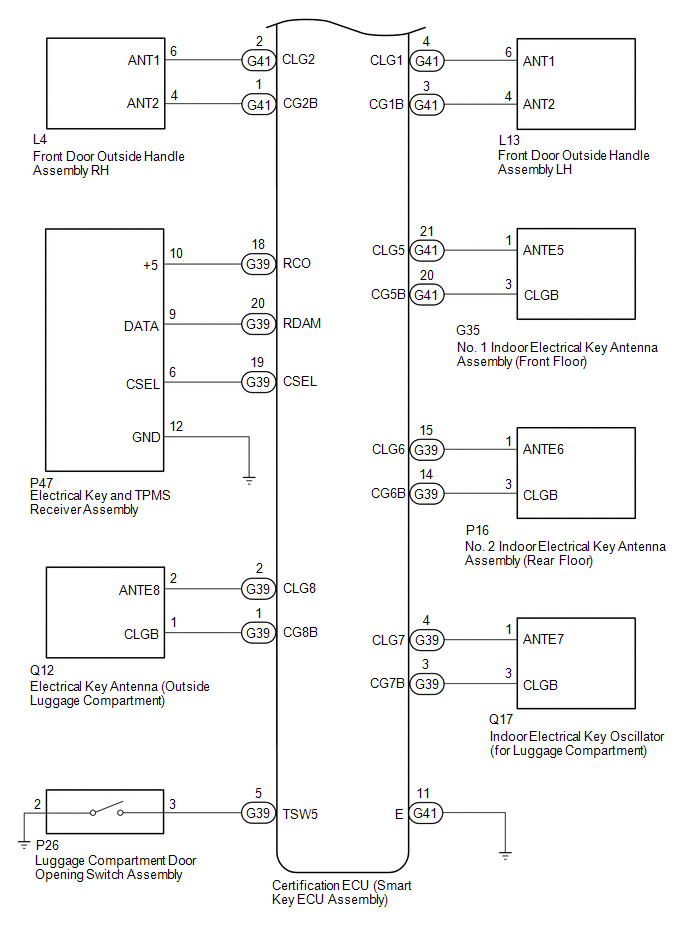
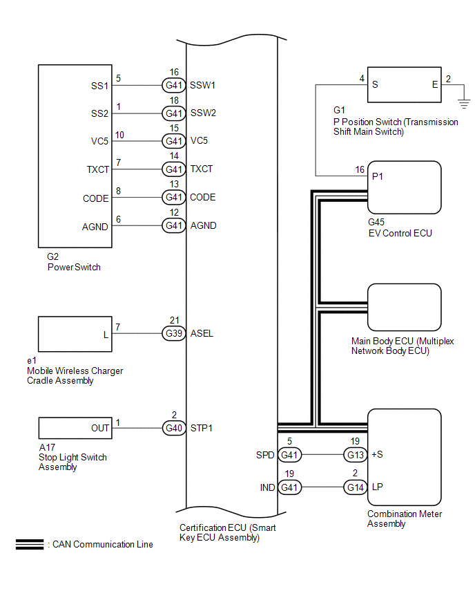
  1. CERTIFICATION ECU (SMART KEY ECU ASSEMBLY) 
    GTY575548Courtesy of © TOYOTA, LICENSE AGREEMENT TMS1002
    GTY604241Courtesy of © TOYOTA, LICENSE AGREEMENT TMS1002
    GTY591726Courtesy of © TOYOTA, LICENSE AGREEMENT TMS1002
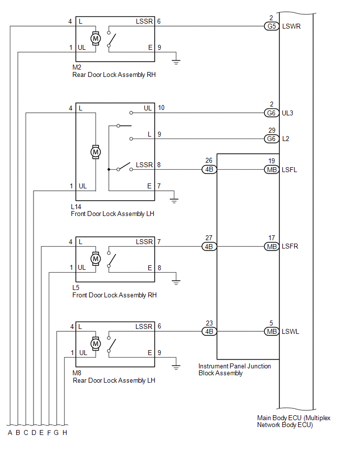
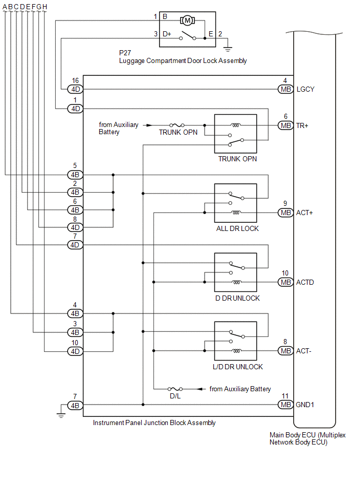
  2. Main Body ECU (Multiplex Network Body ECU) 
    GTY542297Courtesy of © TOYOTA, LICENSE AGREEMENT TMS1002
    GTY551986Courtesy of © TOYOTA, LICENSE AGREEMENT TMS1002
    GTY594141Courtesy of © TOYOTA, LICENSE AGREEMENT TMS1002
    Component Function
    Front door outside handle assembly Receives request signals from the certification ECU (smart key ECU assembly) via the built-in electrical key antenna (front door) and forms the vehicle exterior detection area.
    Uses the built-in touch sensor (lock sensor/unlock sensor) to detect the operation of the front door outside handle assembly and sends signals to the certification ECU (smart key ECU assembly).
    No. 1 indoor electrical key antenna assembly (front floor)
    No. 2 indoor electrical key antenna assembly (rear floor)
    Indoor electrical key oscillator (for luggage compartment)
    Receives the request code from the certification ECU (smart key ECU assembly) and forms the vehicle interior detection area.
    Electrical key antenna (outside luggage compartment) Receives the request code from the certification ECU (smart key ECU assembly) and forms the luggage compartment door exterior detection area.
    Luggage compartment door opening switch assembly Sends switch operation signals to the certification ECU (smart key ECU assembly).
    Electrical key and TPMS receiver assembly Receives the smart key system code/wireless code sent from the electrical key transmitter sub-assembly and sends it to the certification ECU (smart key ECU assembly).
    Wireless door lock buzzer Sounds when warning functions operate in accordance with certification ECU (smart key ECU assembly) control.
    Electrical key transmitter sub-assembly Sends the ID code upon receiving a request signal.
    Certification ECU (smart key ECU assembly) Sends request codes to each electrical key antenna.
    Distinguishes and verifies the ID code from the electrical key transmitter sub-assembly and sends signals to each ECU in response to operated functions (controls entire system).
    Performs encryption code communication with the ID code box (immobiliser code ECU) when ignition operations are performed.