LEMON Manuals: Even more car manuals for everyone: 1960-2025
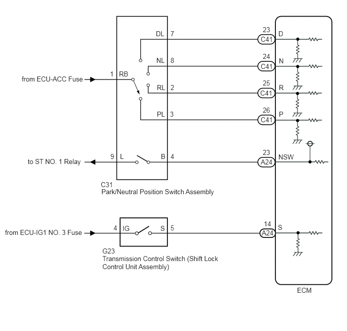
Home >> Toyota >> 2019 >> RAV4 Adventure >> Repair and Diagnosis (Single Page) >> Engine Performance >> System >> Engine Control System (A25A-FKS) (W/O Canister Pump Module) - Diagnostic Codes (3 Of 4) >> SFI SYSTEM (w/o Canister Pump Module) >> DTC P0705-13: Transmission Range Sensor "A" Circuit Open; DTC P0705-62: Transmission Range Sensor "A" Signal Compare Failure [11/2018 - 08/2020] >> Wiring Diagram
April 5, 2026: LEMON Manuals is launched! Read the announcement.

DTC P0705-13: Transmission Range Sensor "A" Circuit Open; DTC P0705-62: Transmission Range Sensor "A" Signal Compare Failure [11/2018 - 08/2020]: Wiring Diagram

GTY901382Courtesy of © TOYOTA, LICENSE AGREEMENT TMS1002