LEMON Manuals: Even more car manuals for everyone: 1960-2025
Home >> Toyota >> 2019 >> RAV4 Adventure >> Repair and Diagnosis (Single Page) >> Engine Performance >> Testing & Diagnosis >> Engine Control System (A25A-FKS) (W/O Canister Pump Module) - Diagnostics - Introduction (1 Of 2) >> SFI SYSTEM (w/o Canister Pump Module) >> System Diagram [10/2019 - 08/2020] >> System Diagram [10/2019 - 08/2020]
April 5, 2026: LEMON Manuals is launched! Read the announcement.

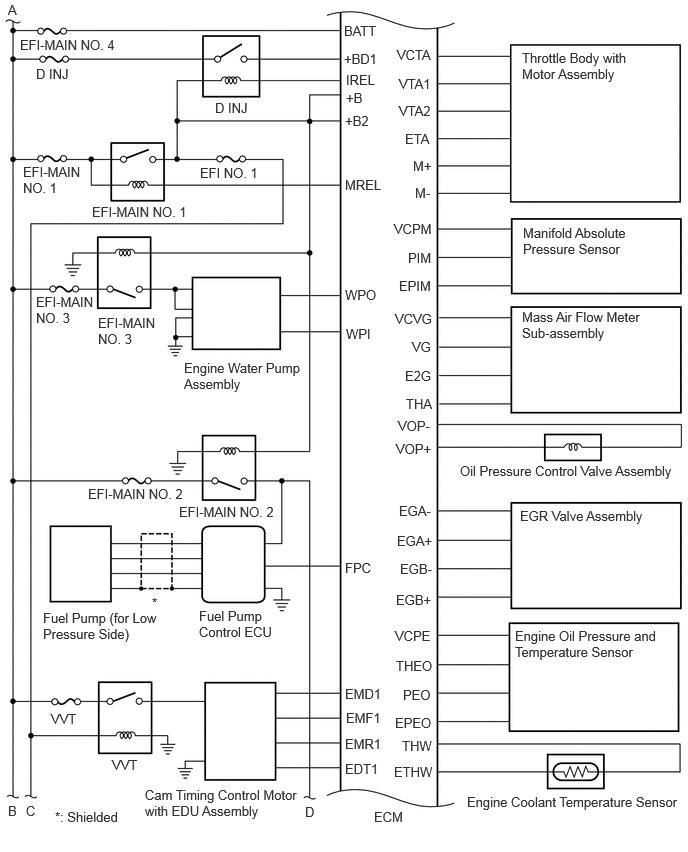
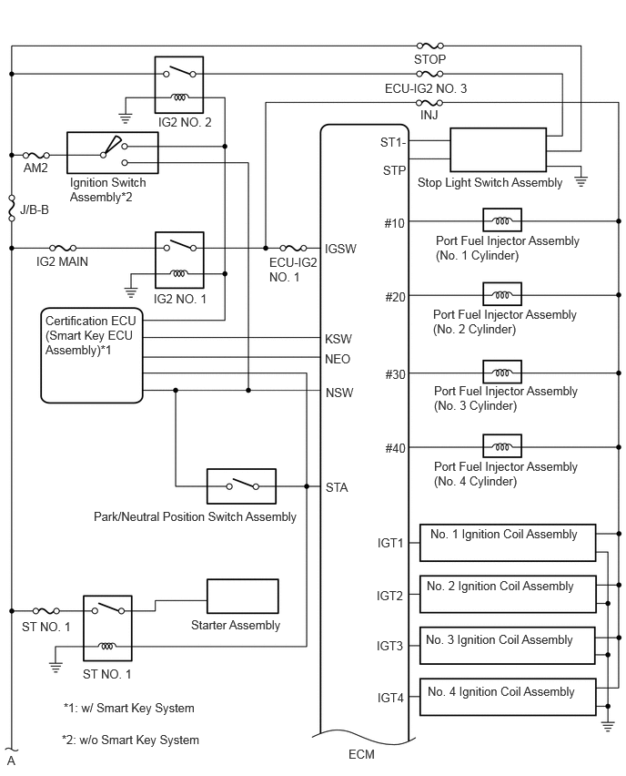
System Diagram [10/2019 - 08/2020]

GTY920486Courtesy of © TOYOTA, LICENSE AGREEMENT TMS1002
GTY939227Courtesy of © TOYOTA, LICENSE AGREEMENT TMS1002
GTY913427Courtesy of © TOYOTA, LICENSE AGREEMENT TMS1002
GTY929841Courtesy of © TOYOTA, LICENSE AGREEMENT TMS1002