LEMON Manuals: Even more car manuals for everyone: 1960-2025
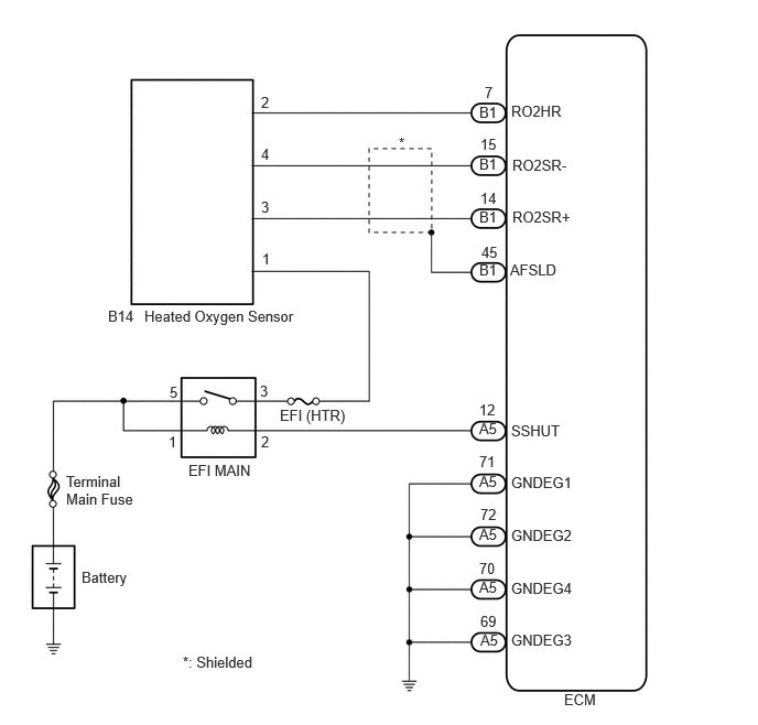
Home >> Toyota >> 2022 >> GR86 Base, Automatic Trans >> Repair and Diagnosis >> Engine Performance >> System >> Engine Control System - Diagnostic Codes (2 Of 6) >> SFI System >> DTC P0037: A/F / O2 Heater Control Circuit Low Bank 1 Sensor 2; DTC P0141: O2 Sensor Heater Circuit Bank 1 Sensor 2 [11/2021 - ] >> Wiring Diagram
April 5, 2026: LEMON Manuals is launched! Read the announcement.

DTC P0037: A/F / O2 Heater Control Circuit Low Bank 1 Sensor 2; DTC P0141: O2 Sensor Heater Circuit Bank 1 Sensor 2 [11/2021 - ]: Wiring Diagram

GTY1208283Courtesy of © TOYOTA, LICENSE AGREEMENT TMS1002