LEMON Manuals: Even more car manuals for everyone: 1960-2025
Home >> Toyota >> 2025 >> Highlander XSE >> Repair and Diagnosis >> Transmission >> Transfer Case >> Dynamic Torque Control AWD System - Diagnostics - Introduction >> Dynamic Torque Control AWD System >> System Diagram [12/2019 - 11/2023] >> System Diagram [12/2019 - 11/2023]
April 5, 2026: LEMON Manuals is launched! Read the announcement.

System Diagram [12/2019 - 11/2023]

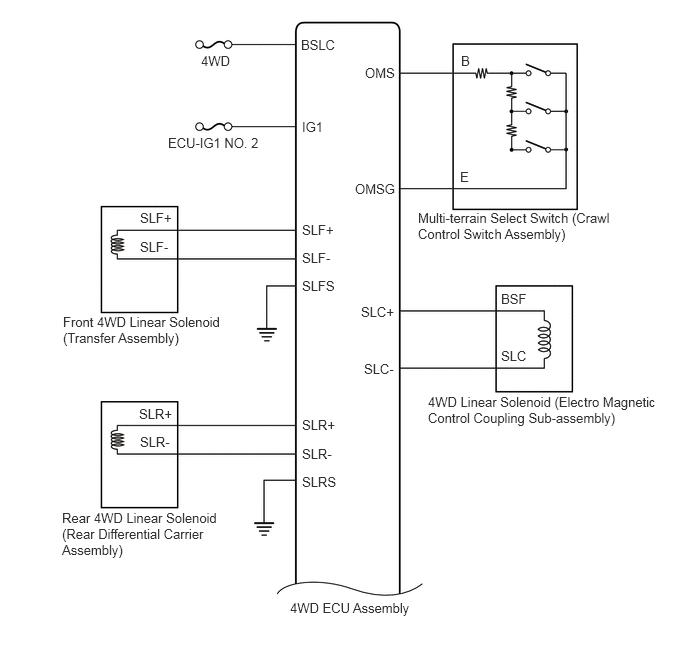
Fig 1: Dynamic Torque Control Awd System Diagram [12/2019 - 11/2023] (1 Of 3)
GTY844111Courtesy of © TOYOTA, LICENSE AGREEMENT TMS1002
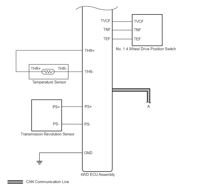
Fig 2: Dynamic Torque Control Awd System Diagram [12/2019 - 11/2023] (2 Of 3)
GTY859426Courtesy of © TOYOTA, LICENSE AGREEMENT TMS1002
Fig 3: Dynamic Torque Control Awd System Diagram [12/2019 - 11/2023] (3 Of 3)
GTY881755Courtesy of © TOYOTA, LICENSE AGREEMENT TMS1002