LEMON Manuals: Even more car manuals for everyone: 1960-2025
Home >> Volkswagen >> 2007 >> Eos 3.2 >> Repair and Diagnosis >> Body & Frame >> Windows >> Front Doors, Central Locking System >> 57 Front Doors, Central Locking System >> Description And Operation >> Door Components >> SUBFRAME Assembly Overview
April 5, 2026: LEMON Manuals is launched! Read the announcement.

SUBFRAME Assembly Overview

NOTE:

The illustration shows a right door hinge. The left door hinge is identical.

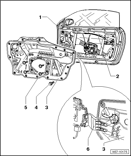
Fig 1: Identifying Wiring, Connectors And Screws
GWWN57-10175Courtesy of VOLKSWAGEN GROUP OF AMERICA, INC.
  1. Door 
  2. Release cable 
  3. Subframe 
    • Removing and installing, refer to SUBFRAME 
  4. Bolt 
    • Quantity: 14
    • Tightening specification: 8 Nm
  5. Bolt 
    • Quantity: 4
    • Tightening specification: 4.5 Nm
  6. Angle bracket 
    • Engaged with door lock