Checking The Traffic Load On The Can Cables
- Connect the battery.
- Ignition on.
- Connect OBDII-Box (9513015)
to the diagnostics socket.
For general information about CAN-troubleshooting, see:
Faults in the CAN network may be due to a control module sending faulty messages that disrupt normal communication. When messages are sent incorrectly, this results in a considerable increase in the amount of traffic on the CAN network. The load can be checked by reading the average value of the voltage on the CAN cables in relation to ground.
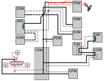
Measure voltage between the following connections on the OBDII-box/diagnostics socket.
- #3 and #4 (ground). The voltage should be approx: 2.8 - 3.2 V.
- #11 and #4 (ground). The voltage should be approx: 1.8 - 2.2 V.
- #3 and #11. The voltage shall be between approx. 0.55-1.4 V. The voltage shall normally be between 0.55 - 0.90 V. A higher voltage may indicate increased traffic on the CAN-net. In case of fault in communication/too high traffic on the CAN-net, the voltage is considerably higher than the above stated values.
NOTE: After fault with control modules that interfere with communication, other control modules may remain in Limp-Home (that is, they work with reduced functionality) even when the ignition has been turned off and on a few times. For certain faults in the CAN-net where control modules have stopped communicating, it may help to disconnect/reconnect the battery to "restart" the control module/CAN-net.HINT: DiCE can be used as fault detection tool if fault is suspected on the CAN-net that cannot be detected with normal troubleshooting. Interference, intermittent faults, faulty messages on the CAN-net (chattering control modules) etc., are examples of such faults. The tool registers fault messages used on the CAN-net. Fault messages may be caused by short intermittent malfunctions on the CAN-net or by a control module sending fault messages. See tools: 9513010 (memory card) as well as associated TJ 20402.
- Ignition on.
- Connect DiCE to the diagnostics socket.
- Note the blue LED-indicator. The indicator flashes to show detection of fault messages.
NOTE: Certain interference may occur without any real faultCable fault
- Shake the cables lightly and pull lightly on the connections during the check to locate any fault. Note the blue LED-indicator.
"Chatting" control modules
- "Chatting" control modules may be difficult to find and troubleshooting may take time. Let the vehicle stand with DiCE connected for an extended time period. Afterwards, activate functions to provoke a malfunction. It may take up to several hours before the fault messages are sent. When the indicator starts to flash, remove the fuse for one control module at a time until the indicator stops flashing. When the indicator stops flashing, restore the fuse for the relevant control module and check that the indicator starts to flash again. Then it is likely that the problem is identified.
Remedy wiring as necessary.
Other information
Was a fault detected?