LEMON Manuals: Even more car manuals for everyone: 1960-2025
Home >> Volvo >> 2005 >> XC90 Base, 2.5 59, AWD >> Repair and Diagnosis >> Steering >> Steering Column >> Electrical Components - Design And Function >> The Controller Area Network (Can) (2005-2014) >> Construction Of The Network >> Terminating Resistor
April 5, 2026: LEMON Manuals is launched! Read the announcement.

Terminating Resistor

High-speed net HS CAN (High Speed), example 

Fig 1: Identifying HS CAN (High Speed) Functional Block Diagram
GLL172408Courtesy of VOLVO CARS CORPORATION

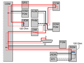
Low-speed net LS CAN (Low Speed), example 

Fig 2: Identifying LS CAN (Low Speed) Functional Block Diagram
GLL172409Courtesy of VOLVO CARS CORPORATION

To prevent electrical reflections and interference in the CAN network, there are terminating resistors which bridge CAN H (High) and CAN L (Low), one at each end (main line) on both the high and low speed sides of the network. Each terminating resistor has a resistance of 120 ohm

Resistance measurement of parallel circuit with terminating resistor 

Both the terminating resistors create a parallel circuit The following resistors can be measured under specified conditions: