LEMON Manuals: Even more car manuals for everyone: 1960-2025
Home >> Volvo >> 2007 >> S60 Base, AWD >> Repair and Diagnosis (Single Page) >> Accessories & Equipment >> Accessories Control Systems >> Control Modules - Design And Function - 4 Of 4 >> The Controller Area Network (Can) (2005-2009) >> Construction Of The Network >> Resistance Measurement In High-Speed Net HS CAN (High Speed), example
April 5, 2026: LEMON Manuals is launched! Read the announcement.

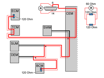
Resistance Measurement In High-Speed Net HS CAN (High Speed), example

Fig 1: Checking Resistance In CAN Lines
GLL169889Courtesy of VOLVO CARS OF NORTH AMERICA.