Checking Resistance In Can-Net
- Ignition off
- Disconnect the battery negative lead.
- Connect OBDII-Box (9513015)
to the diagnostics socket.
For general information about CAN-troubleshooting, see:
Measure resistance between the following connections on the OBDII-box/diagnostics socket.
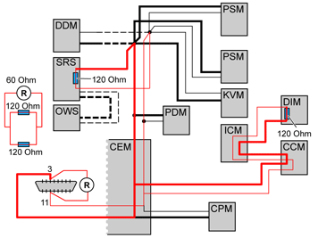
- #3 and #11. The resistance should be approx. 55 - 65 Ω.
- If resistance is approx. 120 Ω, this indicates open circuit in the circuit so that only one terminating resistor (120 Ω) has been measured.
- If resistance is above 1 kΩ this indicates open circuit/high contact resistance somewhere in the circuit.
- If resistance is below 55 Ω this indicates short-circuiting/contact resistance between the CAN-lines somewhere in the circuit.
HINT: For LS-CAN, terminating resistors are located in Driver information module (DIM) and in Supplemental restraint system module (SRS).
Twist the cable harness and wiggle connectors where they can be accessed along the cable harness during every measurement, and note if the resistance changes to detect intermittent short-circuits or open circuit.
NOTE: Resistance measurement measures only main lines in the CAN-net (in circuit where both terminating resistors are found), not branches to certain control modules. Open circuit on branching without a terminating resistor cannot be detected with this measurement. However, short-circuiting on a branch can be detected. To measure resistance in the CAN-net to control modules located in a branching of their own, the measurement shall be done against the CAN-net at that control module. The values shall be as above.NOTE: After fault with control modules that interfere with communication, other control modules may remain in Limp-Home (that is, they work with reduced functionality) even when the ignition has been turned off and on a few times. For certain faults in the CAN-net where control modules have stopped communicating, it may help to disconnect/reconnect the battery to "restart" the control module/CAN-net.Remedy wiring as necessary.
Other information
Was a fault detected?
- YES
Refer to VERIFICATION
- NO
Refer to CHECKING SHORT-CIRCUITING TO GROUND/VOLTAGE IN CAN-NET