LEMON Manuals: Even more car manuals for everyone: 1960-2025
Home >> Volvo >> 2011 >> XC60 R-Design, FWD >> Repair and Diagnosis (Single Page) >> Drivelines & Axles >> Differentials & Drive Axles >> Rear Axle, Drive Shafts - Design And Function >> Differential Electronic Module >> Differential Electronic Module (DEM)[2013-2017] >> Function >> Electronic Hydraulic Function
April 5, 2026: LEMON Manuals is launched! Read the announcement.

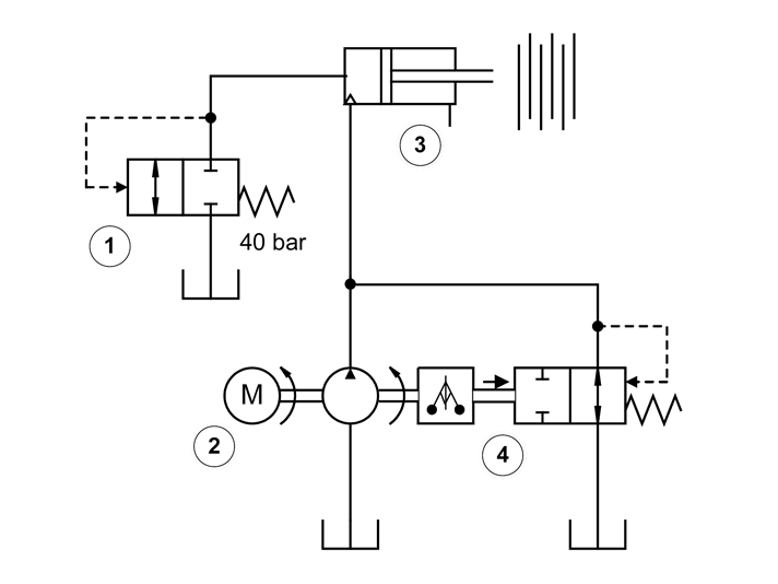
Electronic Hydraulic Function

GLL1005777Courtesy of VOLVO CARS CORPORATION
  1. Differential electronic module (DEM)
  2. Electrical feed pump.
  3. Disc pack
  4. Bleed valve

The differential electronic module (DEM) communicates with the engine control module and the brake control module (BCM) via CAN. Led by the sensor signals, the differential electronic module (DEM) directs the oil pressure to the clutch plates through the pump mechanism in the pump. The differential electronic module (DEM) controls the pump to achieve the desired working pressure, 0-40 bar. The oil pressure to the clutch plates determines how much torque can be transferred to the rear wheels.