LEMON Manuals: Even more car manuals for everyone: 1960-2025
Home >> Volvo >> 2012 >> XC90 Base, FWD >> Repair and Diagnosis (Single Page) >> Steering >> Steering Column >> Electrical Components - Design And Function >> The Controller Area Network (Can) (2005-2014) >> Construction Of The Network >> Resistance Measurement In Low-Speed Net LS Can (Low Speed), Example
April 5, 2026: LEMON Manuals is launched! Read the announcement.

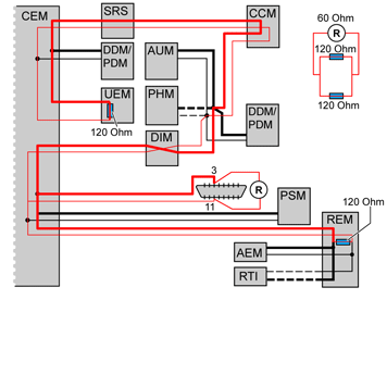
Resistance Measurement In Low-Speed Net LS Can (Low Speed), Example

Fig 1: Checking Resistance In CAN Lines
GLL169895Courtesy of VOLVO CARS CORPORATION