LEMON Manuals: Even more car manuals for everyone: 1960-2025
Home >> Acura >> 1986 >> Legend Automatic >> Repair and Diagnosis >> Engine Performance >> System >> Electronic Engine Control System >> Wiring Diagrams
April 5, 2026: LEMON Manuals is launched! Read the announcement.

Wiring Diagrams

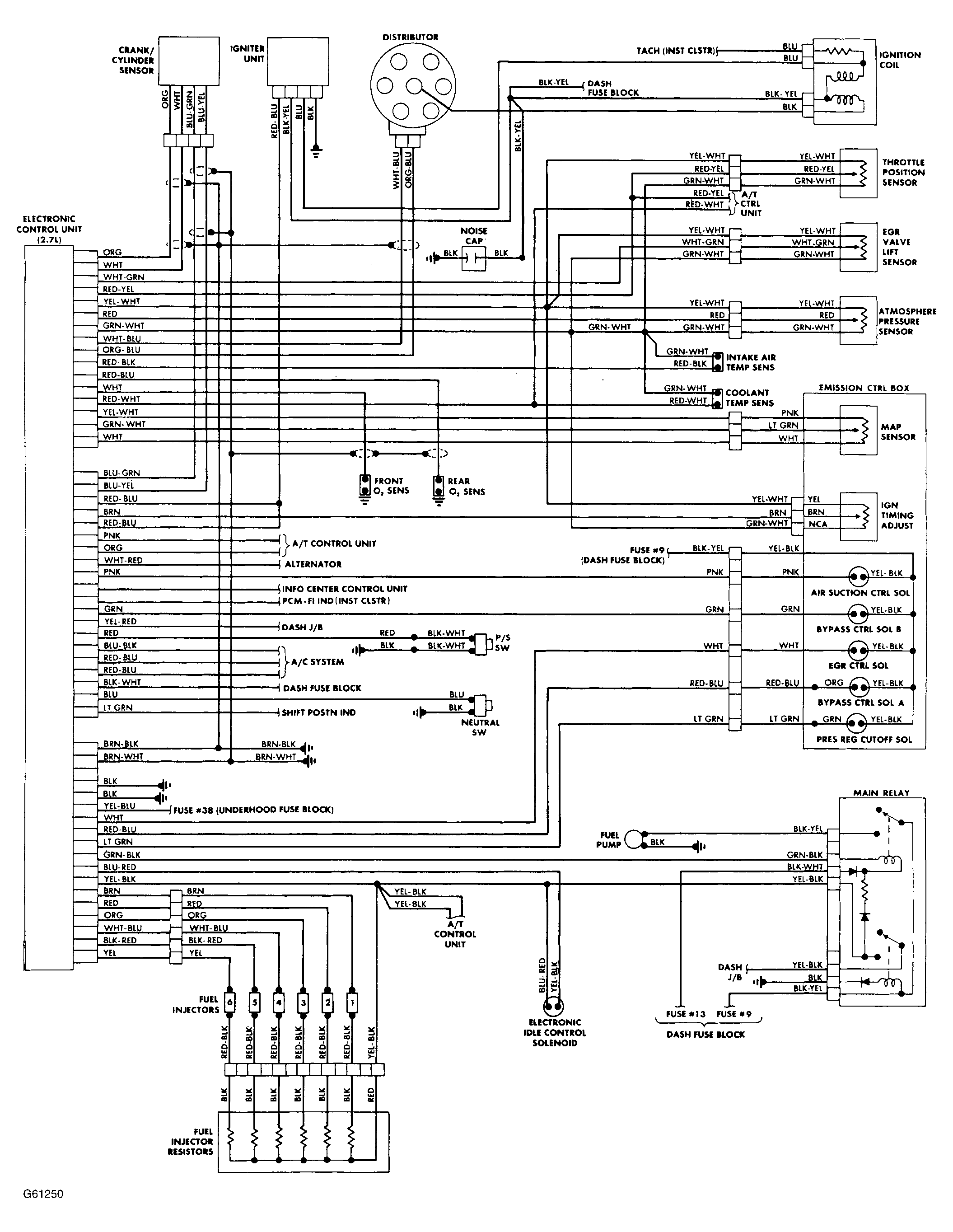
Fig 1: Engine Performance Wiring Diagram (Coupe)
G61250
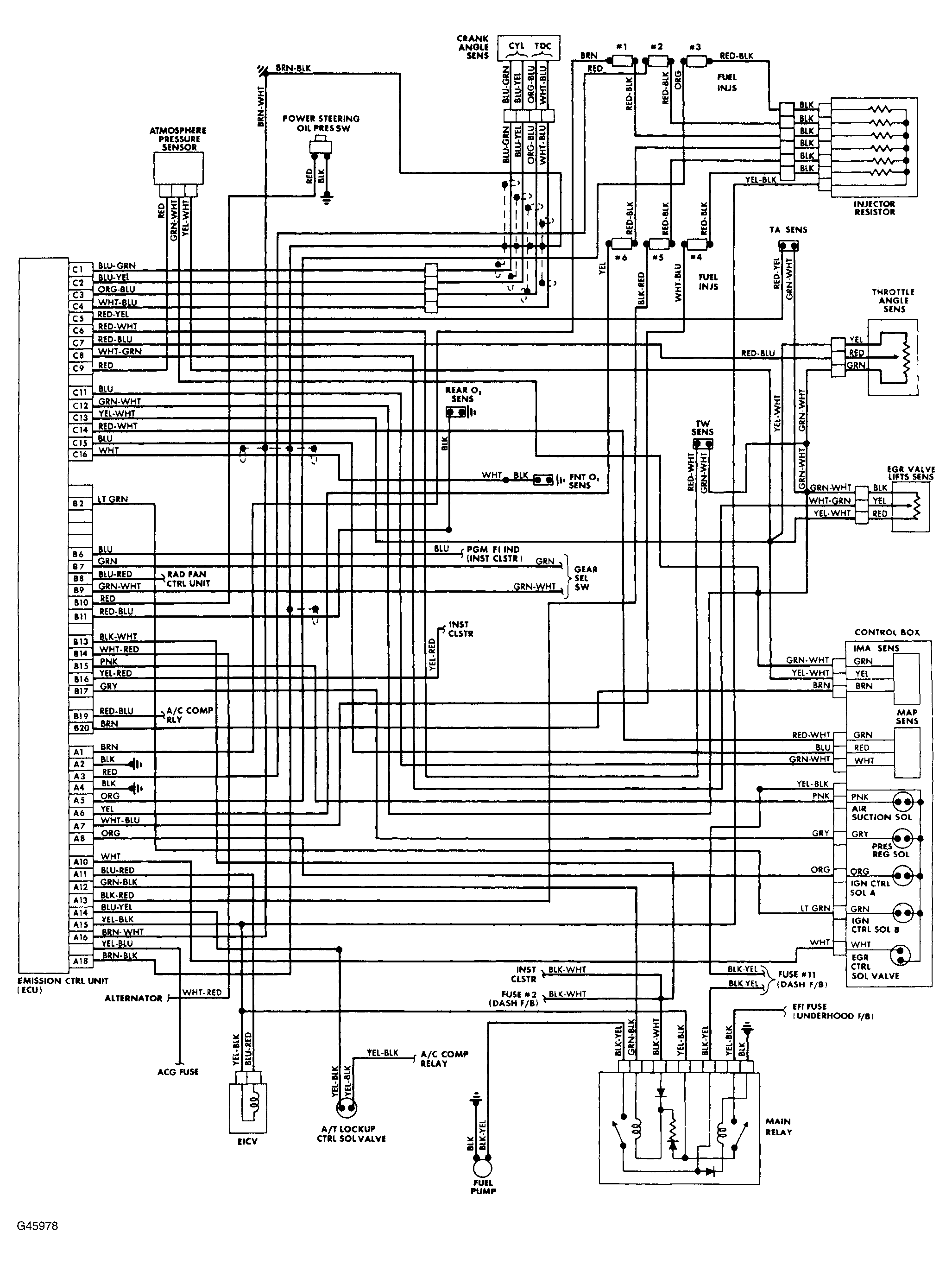
Fig 2: Engine Performance Wiring Diagram (Sedan)
G45978