LEMON Manuals: Even more car manuals for everyone: 1960-2025
Home >> Acura >> 1992 >> Integra GS-R >> Repair and Diagnosis >> Engine Mechanical >> Engine Cooling Fans >> Component Testing >> Timer Unit & Fan Control Unit
April 5, 2026: LEMON Manuals is launched! Read the announcement.

Timer Unit & Fan Control Unit

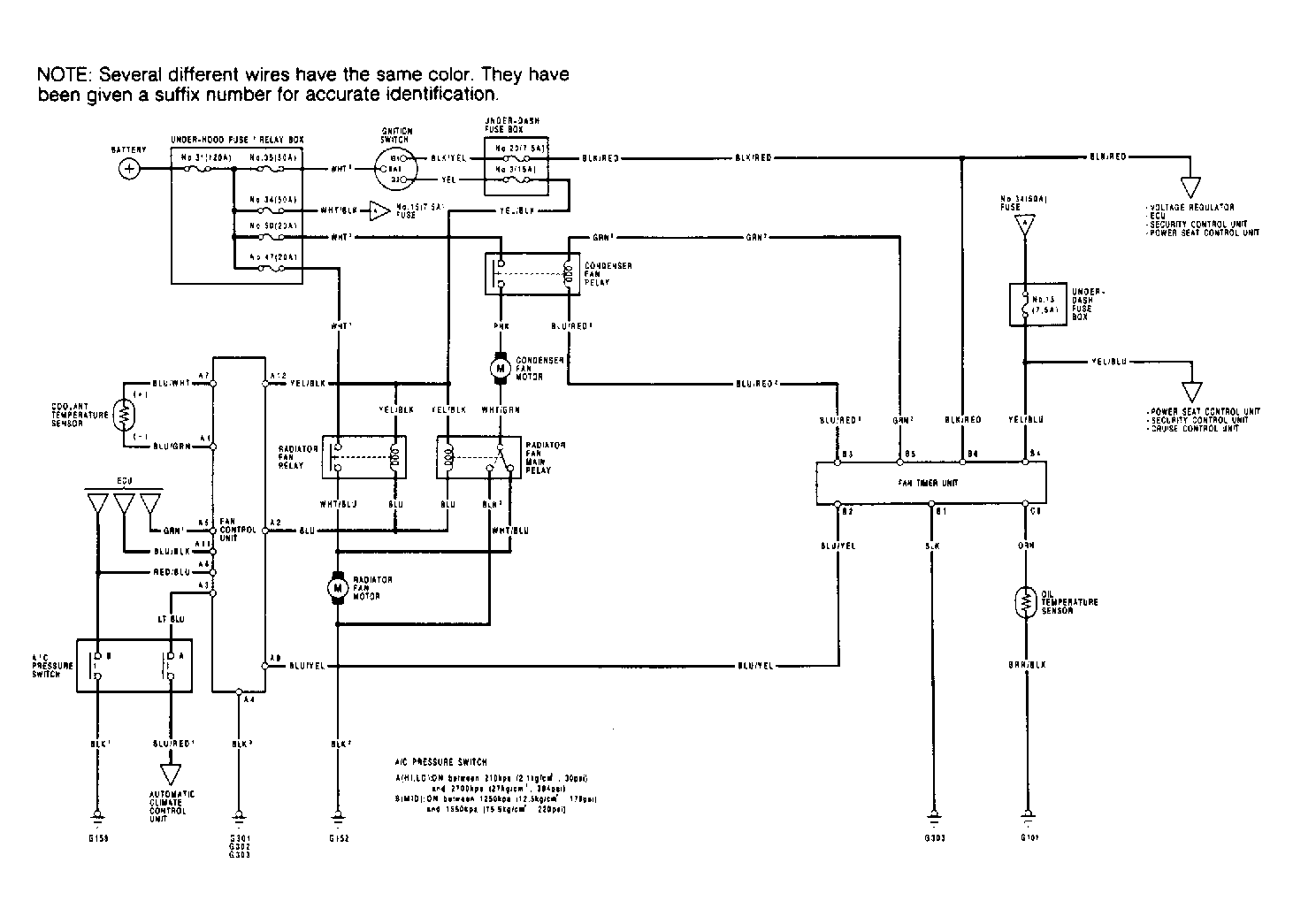
If fan does not operate, check for open or short circuits in wiring between components and timer unit or fan control unit. See appropriate TIMER UNIT TERMINAL IDENTIFICATION table or FAN CONTROL UNIT TERMINAL IDENTIFICATION table. See Fig 1 , Fig 2 , Fig 3 , or 10. Also see appropriate wiring diagram. See Figure , Figure , or 13. If all wiring and other components are okay, replace fan control unit or timer unit.

TIMER UNIT TERMINAL IDENTIFICATION (INTEGRA WITH A/C)

Terminal (1) Wire Color Circuit
1 Yellow/White Condenser Fan Relay
2 Yellow/Black Ignition Voltage
3 ----- Not Used
4 Black Ground
5 White/Green Oil Temperature Switch
6 White Battery Voltage
7 Black/Yellow Ignition Voltage
8 Blue/Red Condenser Fan Relay
(1) See Fig 1 .
Fig 1: Identifying Timer Unit Connector Terminals (Integra)
G91G01880Courtesy of AMERICAN HONDA MOTOR CO., INC.
TIMER UNIT TERMINAL IDENTIFICATION (LEGEND)

Terminal (1) Wire Color Circuit
B1 Black Ground
B2 Blue/Yellow Fan Control Unit
B3 Blue/Red Condenser Fan Relay
B4 Yellow/Blue Ignition Voltage
B5 Green Condenser Fan Relay
B6 Black/Red Battery Voltage
B7 ------ Not Used
B8 Orange Oil Temperature Switch
(1) See Fig 2 .
Fig 2: Identifying Timer Unit Connector Terminals (Legend)
G92C00507Courtesy of AMERICAN HONDA MOTOR CO., INC.
TIMER UNIT TERMINAL IDENTIFICATION (VIGOR)

Terminal (1) Wire Color Circuit
1 Black Ground
2 Yellow/White Condenser Fan Relay
3 Yellow/Black Ignition Voltage
4 Yellow Battery Voltage
5 Green/Yellow Radiator Fan Relay
6 Black/Yellow Ignition Voltage
7 White/Green Battery Voltage
8 Green Coolant Temperature Switch
(1) See Fig 3 .
Fig 3: Identifying Timer Unit Connector Terminals (Vigor)
G93F00138Courtesy of AMERICAN HONDA MOTOR CO., INC.
FAN CONTROL UNIT TERMINAL IDENTIFICATION (LEGEND)

Terminal (1) Wire Color Circuit
A1 Blue/Green Coolant Temp. Switch
A2 Blue Radiator Fan Relay
A3 Light Blue A/C Pressure Switch
A4 Black Ground
A5 Green ECU
A6 Red/Blue A/C Pressure Switch
A7 Blue/White Coolant Temp. Switch
A8 ----- Not Used
A9 Blue/Yellow Timer Unit
A10 ----- Not Used
A11 Blue/Black ECU
A12 Yellow/Black Ignition Voltage
(1) See Fig 4 .
Fig 4: Fan Control Unit Connector Terminals (ID) Legend
G92B00506Courtesy of AMERICAN HONDA MOTOR CO., INC.