LEMON Manuals: Even more car manuals for everyone: 1960-2025
Home >> Acura >> 1994 >> Integra (GS-R) L4-1797cc 1.8L DOHC (VTEC) >> Repair and Diagnosis >> Specifications >> Mechanical Specifications >> Automatic Transmission/Transaxle >> System Specifications >> A/T Torque Data
April 5, 2026: LEMON Manuals is launched! Read the announcement.

A/T Torque Data

MP7A 4-spd A/T, R. Side Cover Assembly (1 Of 6):



MP7A 4-spd A/T, R. Side Cover Assembly Legend (2 Of 6):



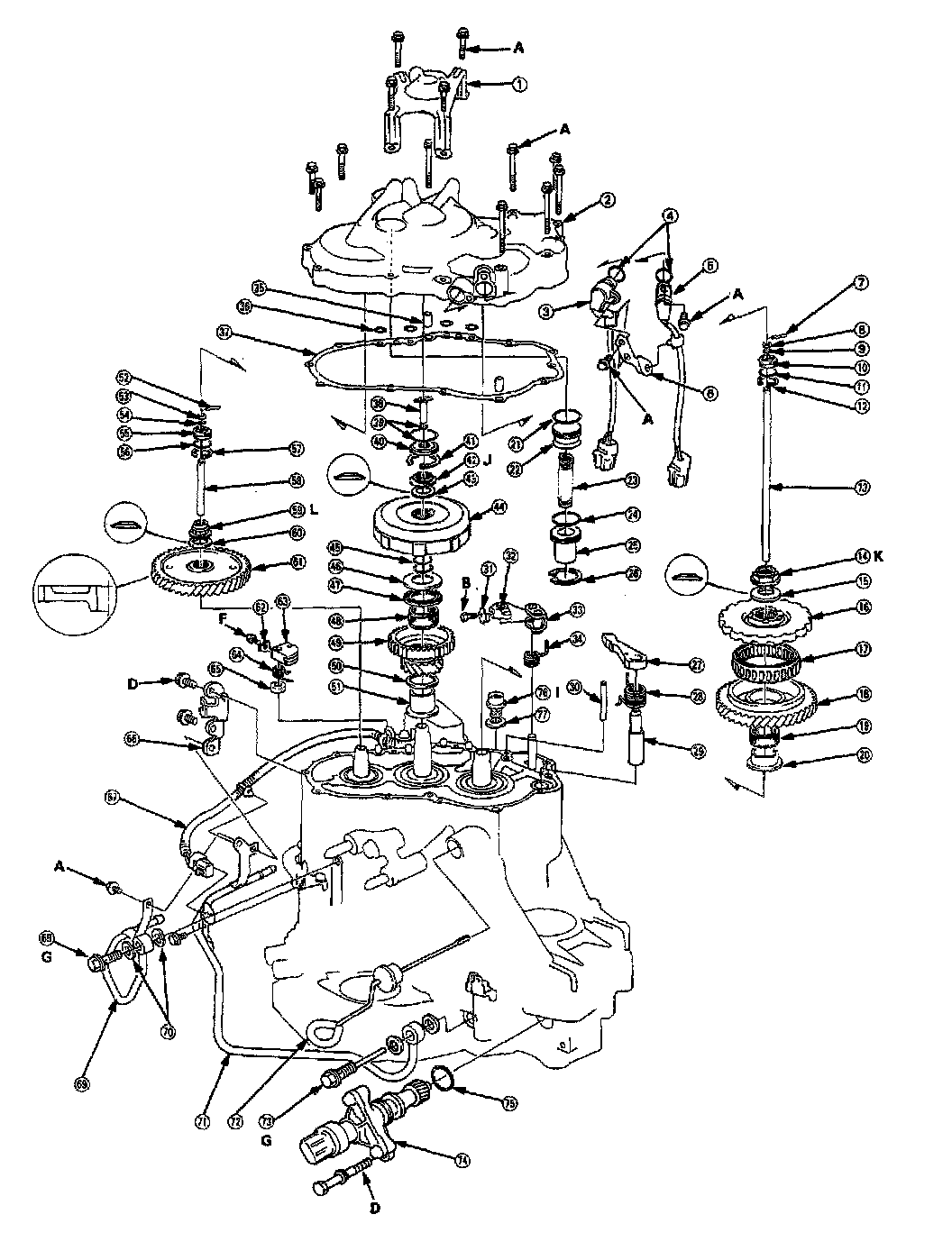
MP7A 4-spd A/T, Transmission Housing Assembly (3 Of 6):



MP7A 4-spd A/T, Transmission Housing Legend (4 Of 6):



MP7A 4-spd A/T, Torque Converter Housing/Valve Body (5 Of 6):



MP7A 4-spd A/T, Torque Converter / Valve Body Legend (6 Of 6):



MP7A 4-spd A/T, Torque Converter/Drive Plate:



MP7A 4-spd A/T, Transmission Housing Mounting:



MP7A 4-spd A/T, Torque Converter Cover / Shift Cable: