LEMON Manuals: Even more car manuals for everyone: 1960-2025
Home >> Acura >> 2001 >> CL V6-3.2L SOHC >> Repair and Diagnosis >> Diagrams >> Electrical Diagrams >> Powertrain Management >> System Diagram >> Control Module Circuit Diagrams >> ECM/PCM Circuit Diagram
April 5, 2026: LEMON Manuals is launched! Read the announcement.

ECM/PCM Circuit Diagram

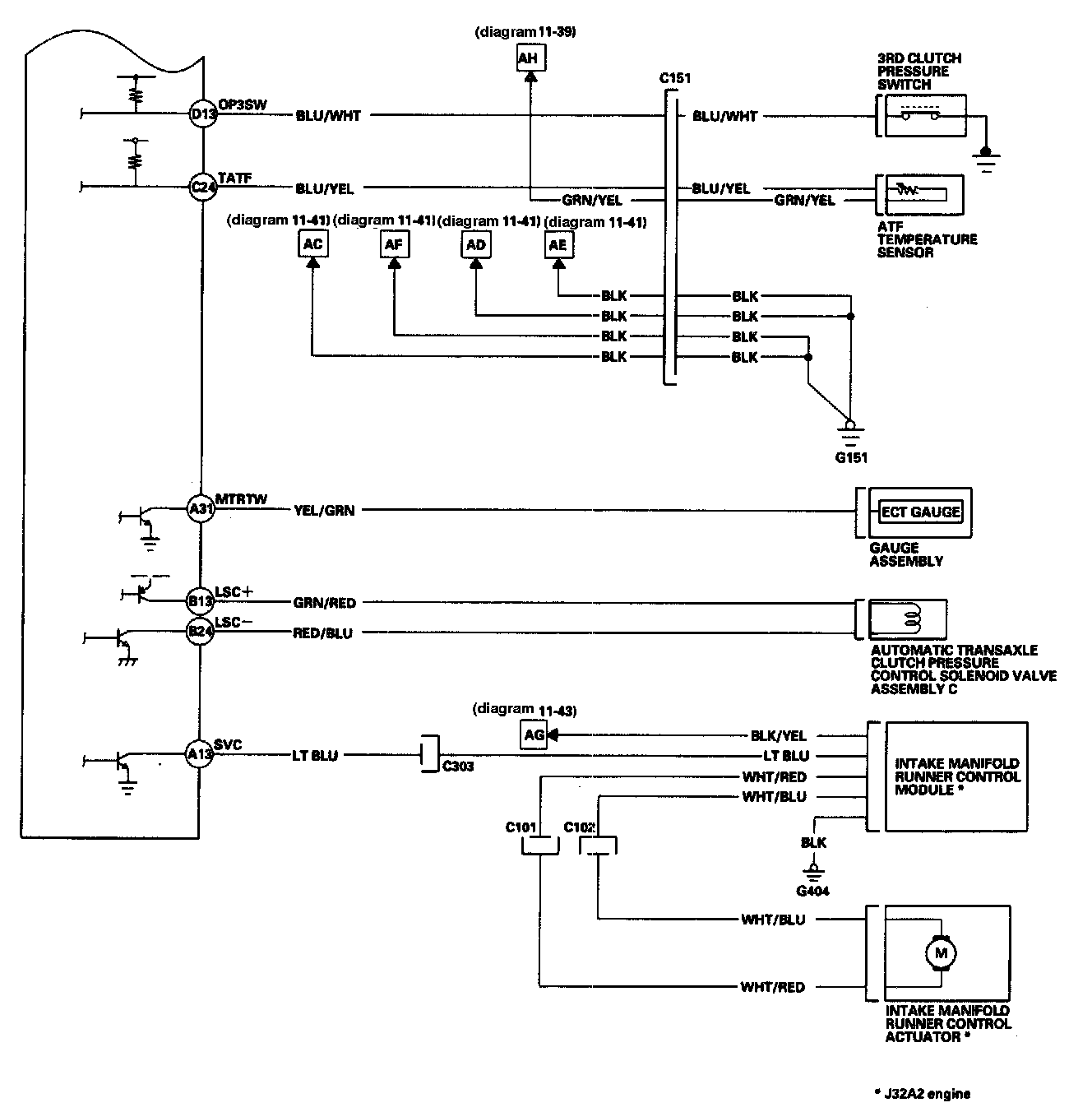
ECM/PCM Circuit Diagram 11-39:




ECM/PCM Circuit Diagram 11-40:




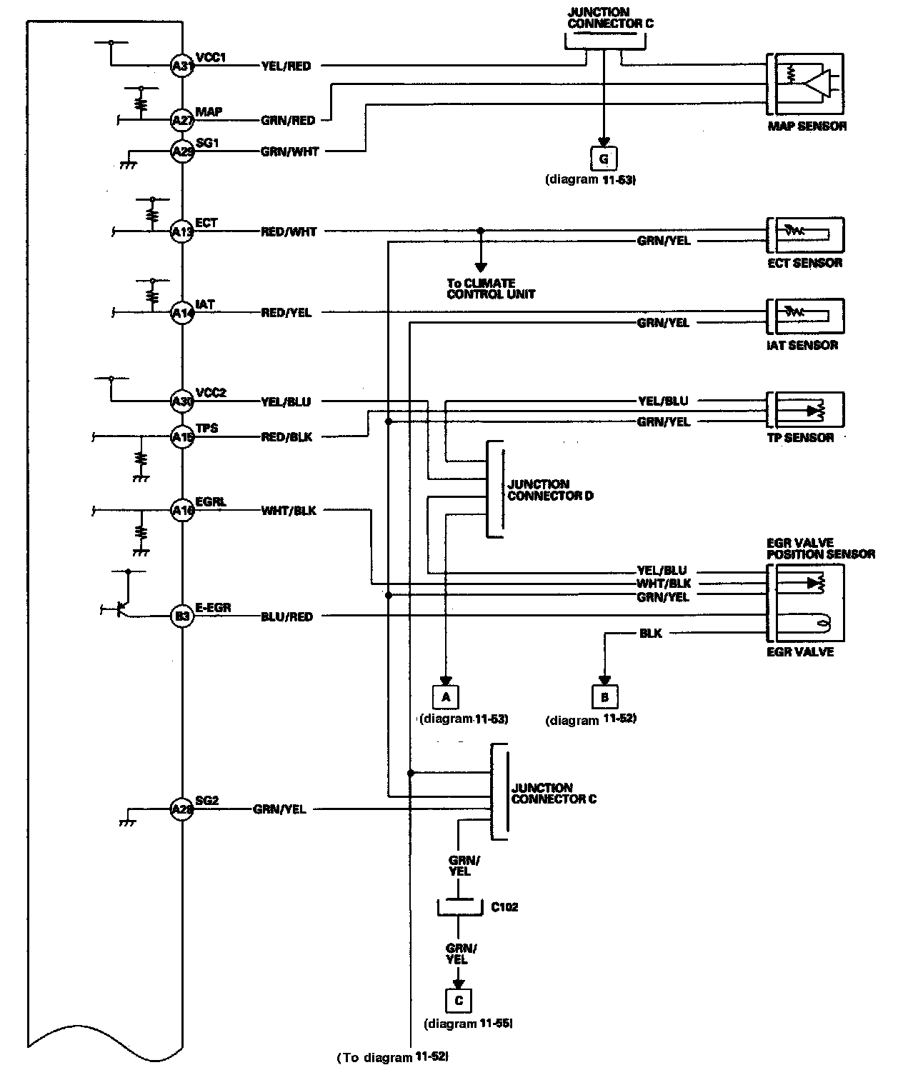
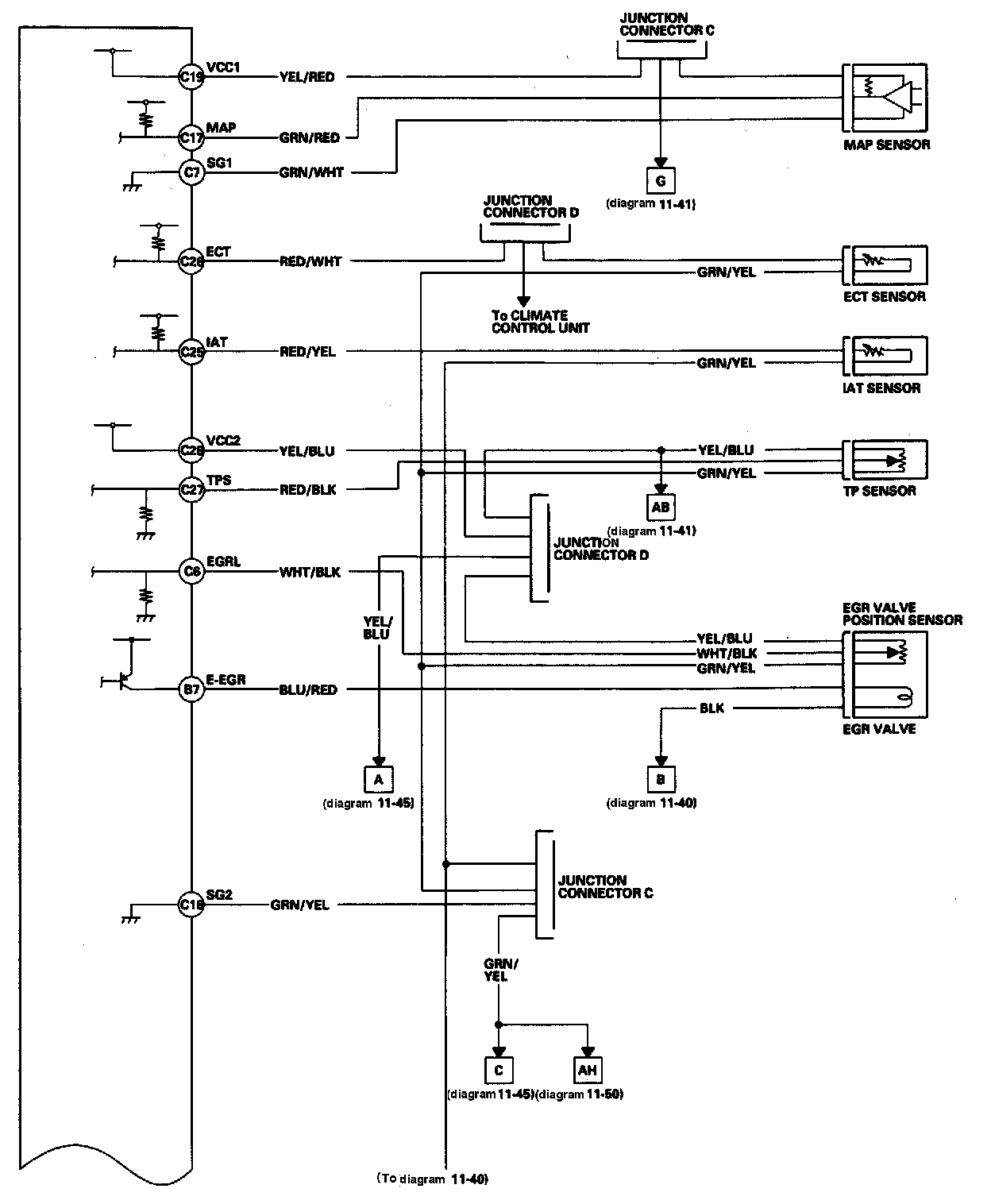
ECM/PCM Circuit Diagram 11-41:




ECM/PCM Circuit Diagram 11-42:




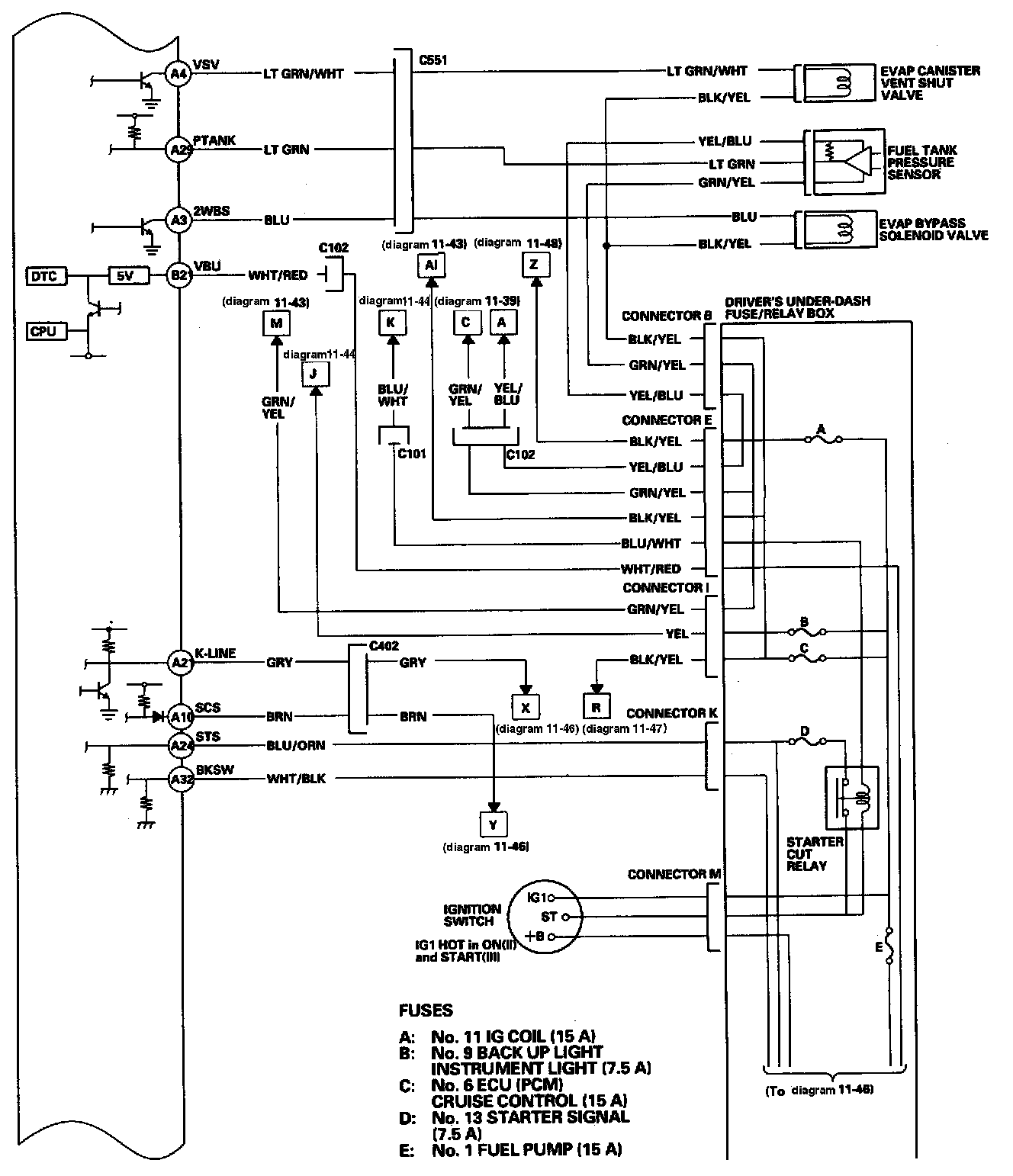
ECM/PCM Circuit Diagram 11-43:




ECM/PCM Circuit Diagram 11-44:




ECM/PCM Circuit Diagram 11-45:




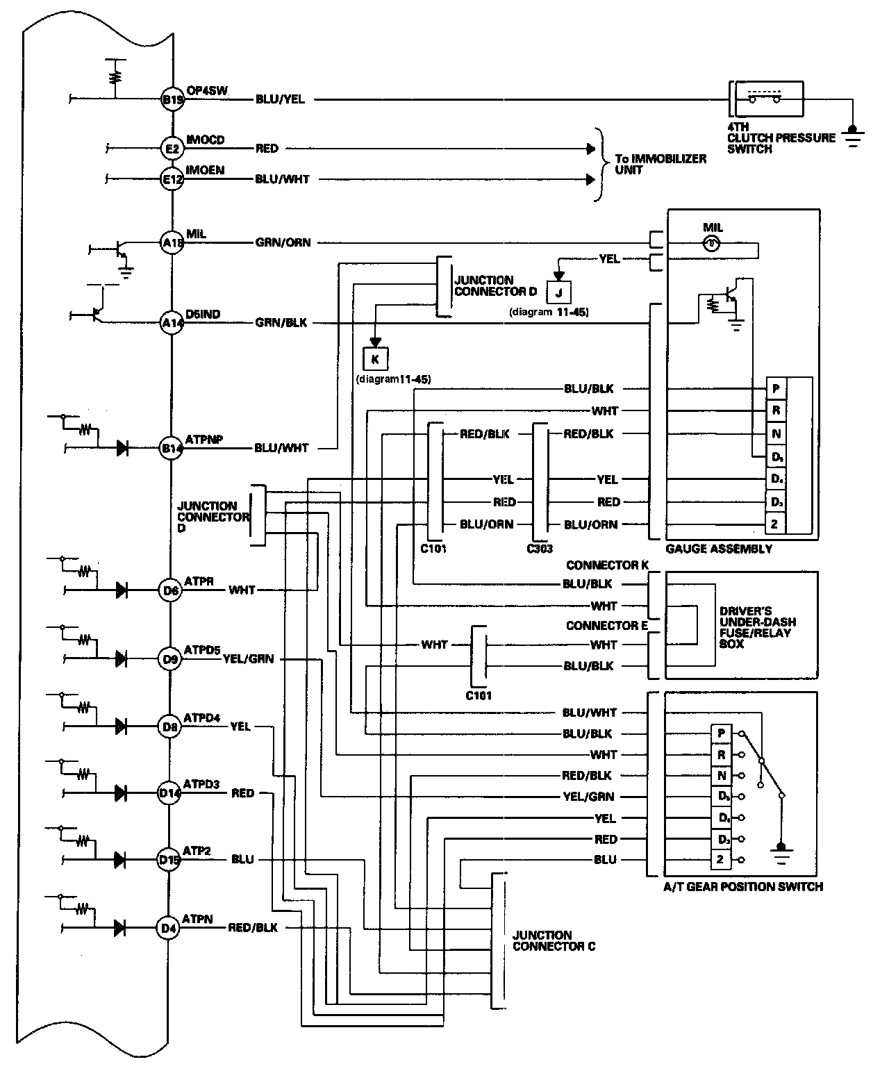
ECM/PCM Circuit Diagram 11-46:




ECM/PCM Circuit Diagram 11-47:




ECM/PCM Circuit Diagram 11-48:




ECM/PCM Circuit Diagram 11-49:




ECM/PCM Circuit Diagram 11-50:




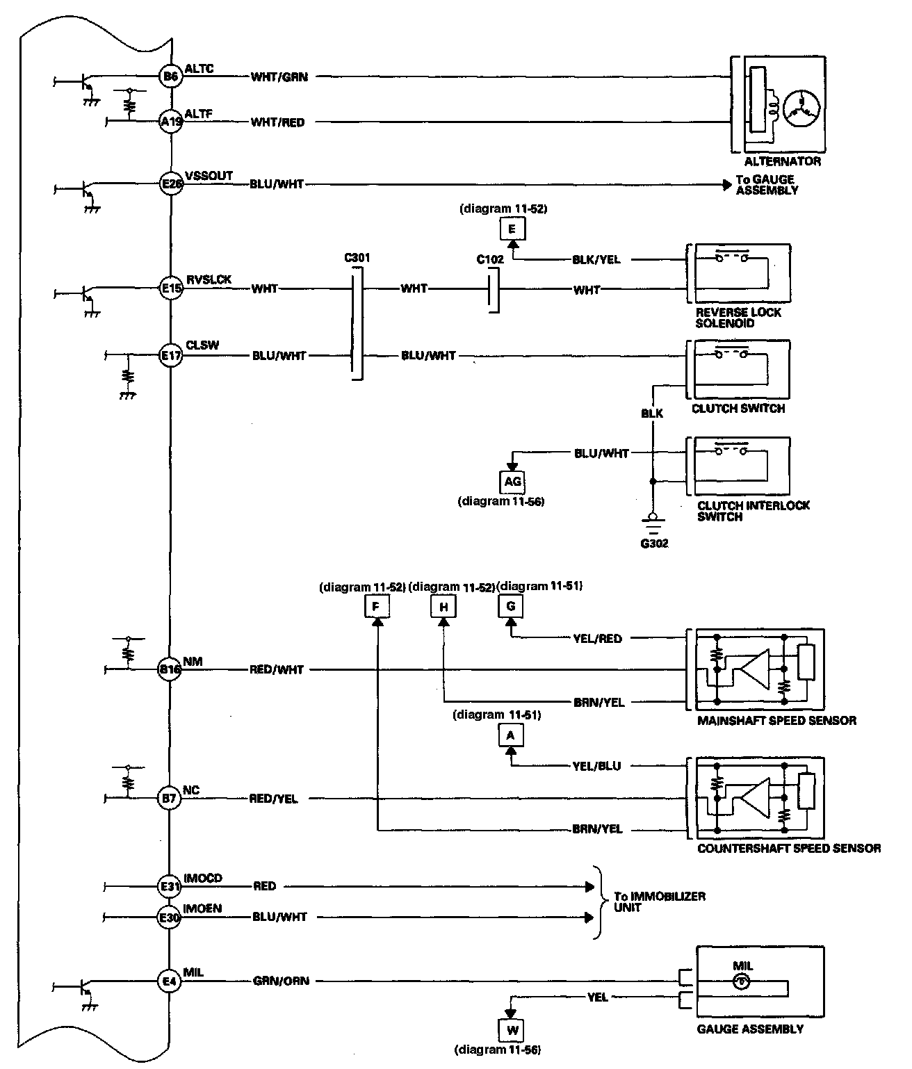
ECM/PCM Circuit Diagram 11-51:




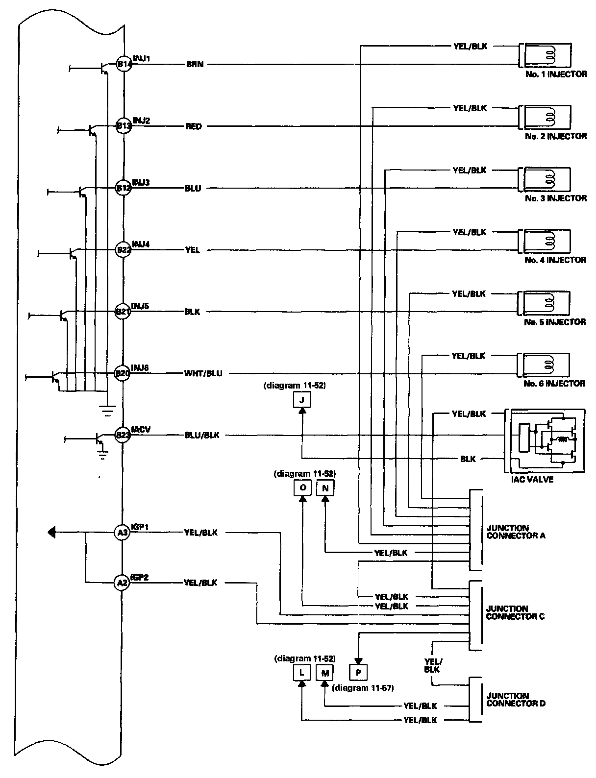
ECM/PCM Circuit Diagram 11-52:




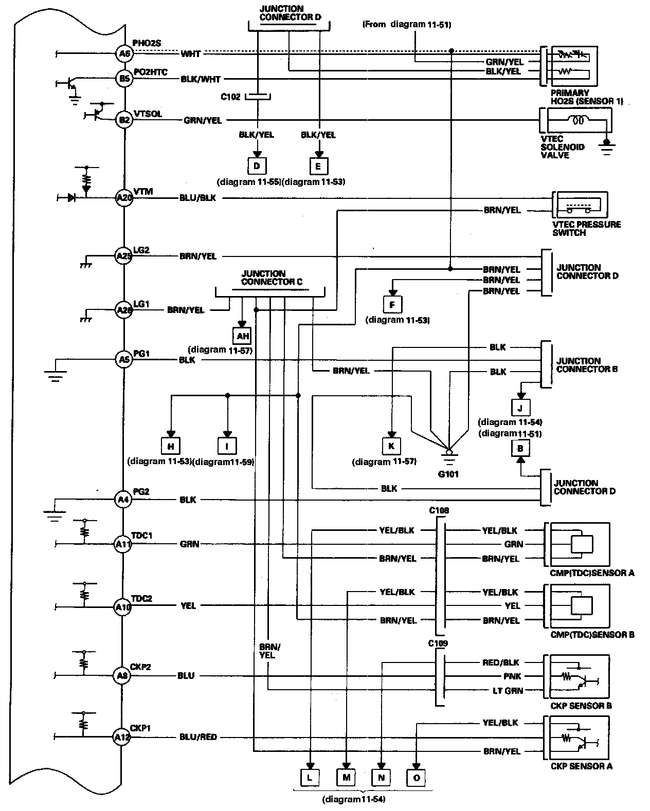
ECM/PCM Circuit Diagram 11-53:




ECM/PCM Circuit Diagram 11-54:




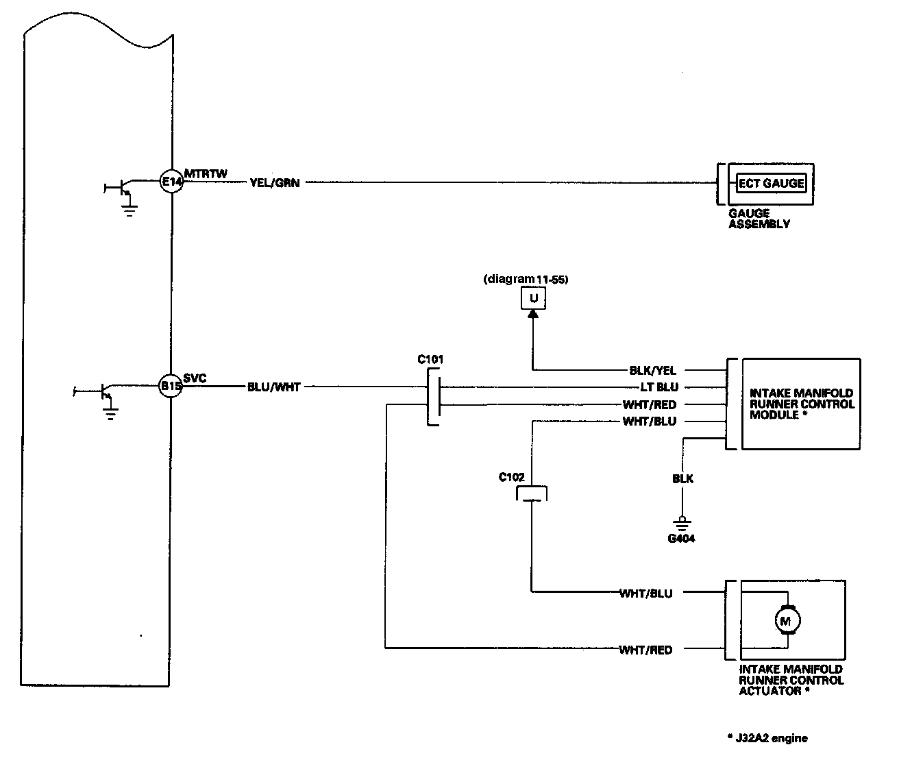
ECM/PCM Circuit Diagram 11-55:




ECM/PCM Circuit Diagram 11-56:




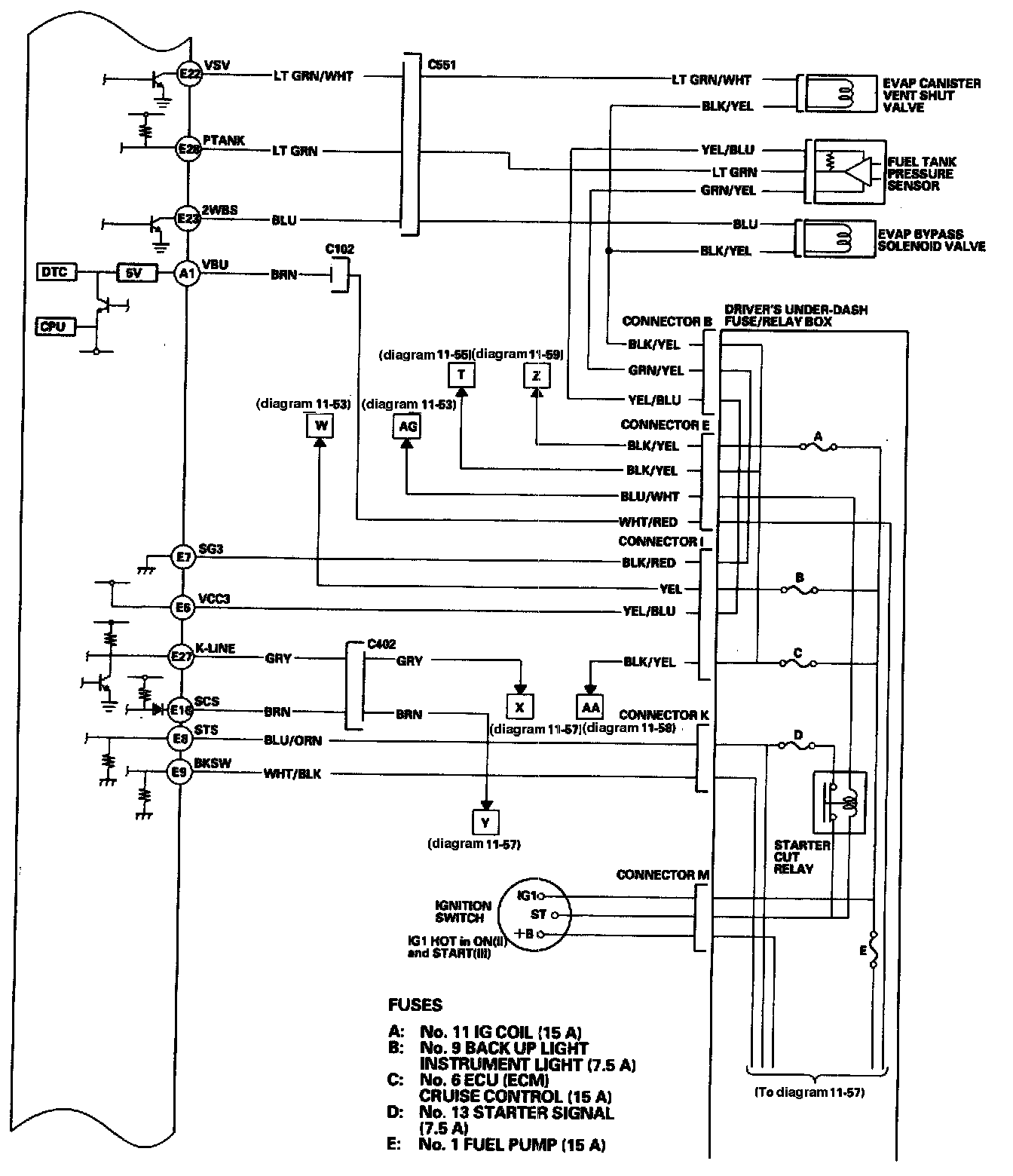
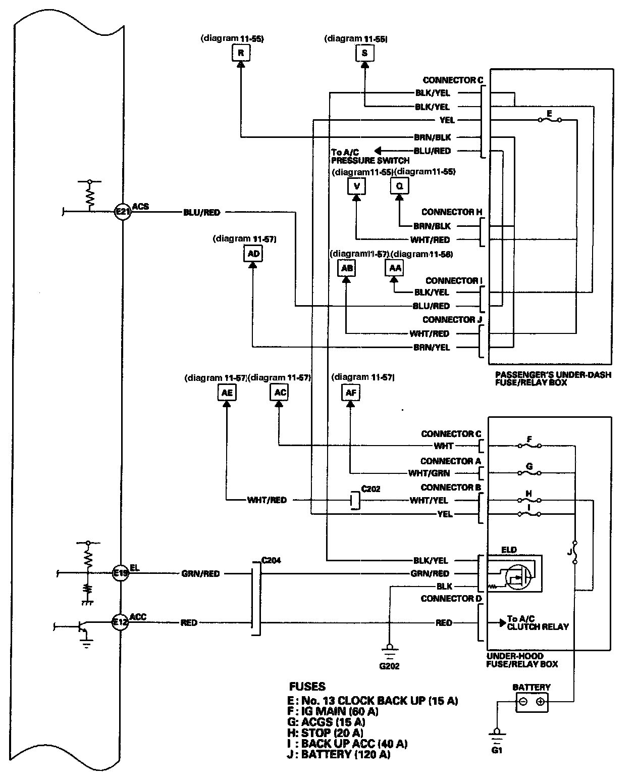
ECM/PCM Circuit Diagram 11-57:




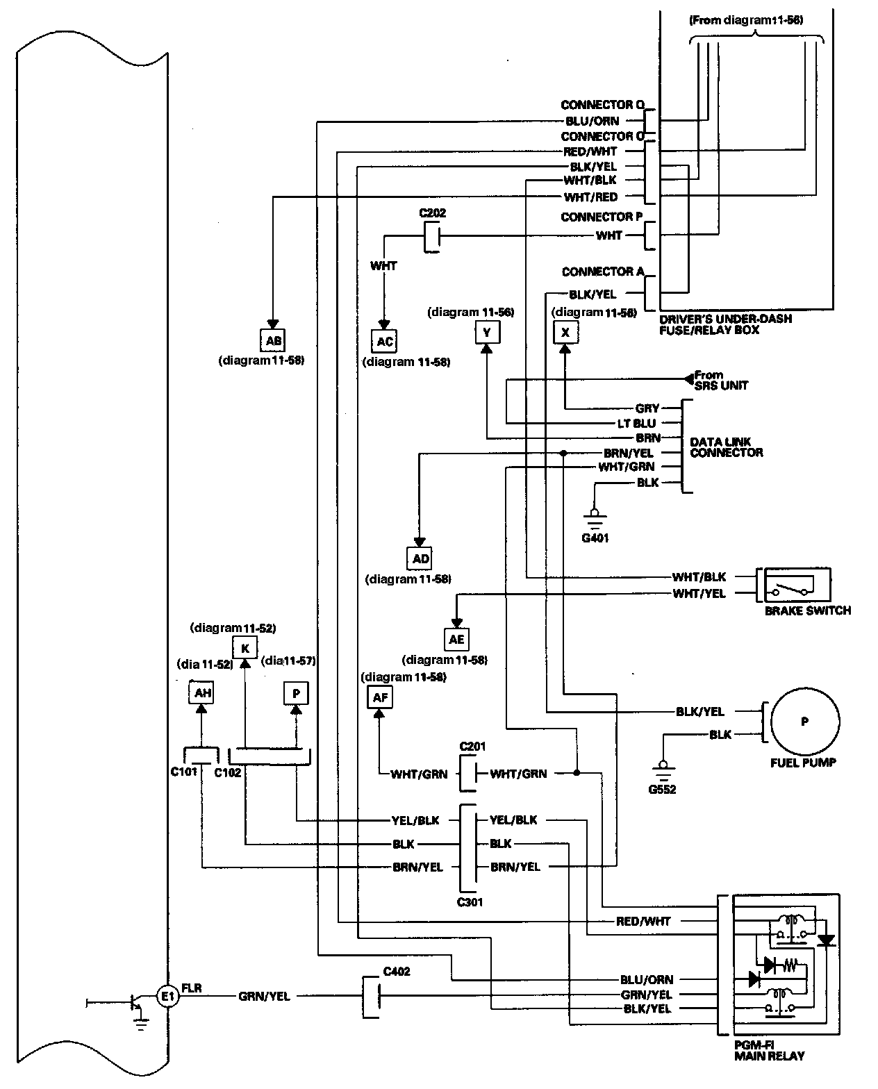
ECM/PCM Circuit Diagram 11-58:




ECM/PCM Circuit Diagram 11-59:




ECM/PCM Circuit Diagram 11-60: