LEMON Manuals: Even more car manuals for everyone: 1960-2025
Home >> Acura >> 2002 >> 3.2TL Base >> Repair and Diagnosis >> Brakes >> Traction Control >> Vehicle Stability Assistance System >> System Description >> Modulator Operation >> Conventional brake mode
April 5, 2026: LEMON Manuals is launched! Read the announcement.

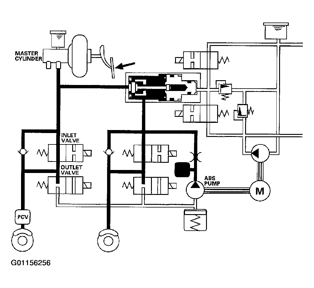
Conventional brake mode

The brake fluid is provided to the brake calipers through four inlet valves. In ABS mode, the VSA control unit drives four inlet valves, four outlet valves, ABS pump, and pump motor the same as conventional ABS.

Fig 1: Identifying Conventional Brake Mode
G01156256Courtesy of AMERICAN HONDA MOTOR CO., INC.